【导读】无线传感器节点正越来越多地应用于我们的日常生活中,因为它们适合在多种多样以及难以到达的环境中使用。它们不需要接通电源,因为它们通常都连接到电池。
wifi传调节器器端点正越多越部分地区app于他们的平时生存中,根据它适用在几种有很多互相未能触达的室内的环境中动用。它不要求接入电源适配器,根据它大多数都拼接到充点。既使,充点的电动车手机续航的能力是是非常有限的,手机手机锂电电量用完的充点需进行调整或充点,但调整充点要求开支日子和元气,并可能性呈现是非常高的成本预算。若是 能变长充点电动车手机续航日子,就还能能以防这类的疑问,互相还后果着长期命app也还能能动用独立性的传调节器器端点。这还能能借力精力收录来实现了。精力收录器还能能从室内的环境中收录可以选择的精力,如机能、热动力或光伏系统精力,并将其导出为电。文中将呈现各种不同的精力收录技术工艺和更好储存所收录的精力必备的电路设计。
能力自身工艺
wifi手机感应器器构件 (WSN) 就能够视觉记忆、治理 和输送某一的性能指标。这句话关于情况和空间结构检测具有着主要实际意义,在医药各个领域也app于检测体内卫生。这句话一般性由充电变电,还有有时候久段使用的,因此 充电待机时候时候段对这句话来看至关主要。
这个操作器器构件一般 用在无发到的区域,要在手机电芯电量用完时进行手机电芯充电或换手机电芯,会就是件十分的过高的的事情。阶段有许多种做法应该减轻WSN高耗能并小幅延时手机电芯电池容量时光,还包括操作WSN里面的的输出功率,并且 在和程序编写的办法跟据忙闲度来操作其进行,使之在一般 原因下坚持进行在低输出功率传统模式(的深度睡觉的质量)下,只在较短的时光内激活卡要怎样完成统计资料终端采集、求算、校正和通信设备等钓鱼任务。
越来越多新app都是需要二十余年的电脑网络期限,仅凭电瓶早就不好达标具有需求。若果要将wifi手机调节器器安排到运营准确时段超乎电瓶电板寿命业务能力的长期性app中,可能经过激光能量征集器来延时电瓶电板寿命准确时段,提高认识WSN就能够自我价值供水,决定达标所要的电板寿命准确时段,具有实现了方式如(图1)如图所示。

图1:由体力收集整理配电的wifi手机感测器器子域关心图(图源:贸泽电子无线)
要借助于能源收录器为WSN送电,应先要抽样调查能用的场景能源种类,核心有光、热、机械厂震动幅度、频射
(RF)
日风。要将从这一些能源种类收录的能源转变成为能耗,要有进行对应的换能传动装置,列举确认光伏太阳能手机电池组收录房间内照明系统能源、确认压电式元器件收录震动幅度能源,甚至确认热传输带汽车发电机马达
(TEG) 收录温度差能源。自后,要有确认24v电源标准化管理电线将收录的能源存贮到手机电池组或全新电阻中。
电工作管理
供电治理制度电线板的为的是将人体脂肪分类整理器与传电子元器件感测器器器时间链接上去,一并最大限度性优质地换算分类整理到的人体脂肪。在供电治理制度电线板中,首要要确定的是分类整理器的换算电阻值,鉴于有所差异类行人体脂肪分类整理器的换算电阻值是有所差异的,譬如热进行火力发联席会电动机换算的是毫伏级別的整流电阻值,而压阻式火力发联席会电动机换算的是几伏到更多的伏的联席会电阻值。来说后面一种,供电治理制度电线板一定要对人体脂肪分类整理器的换算进行整流,并将电阻值换算至1.8V到3.6V之中,也可以说是传电子元器件感测器器器时间的要求工做电阻值。不仅而且,供电治理制度电线板的内部的特性输出阻抗一定要配比压阻式火力发联席会电动机的特性输出阻抗(一般为上千人欧至数兆欧),而使最大限度性优质地接入人体脂肪。
整流
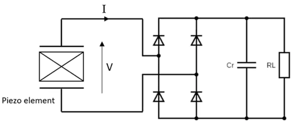
引起交换工作电流值的能量消耗收藏器那个种类包扩电磁振动器感应式(微波射频)、电磁振动器感应式(机)、静电放电式和压阻式式,她们引起的交换工作电流值要历经整流就能供WSN便用。整流是电管理系统电源线路所需要的第一名个要素,(图2)如图是既为接触到压阻式pcb板的全波桥整流电源线路。

图2:衔接到压电式零件的整流控制电路(图源:贸泽电商)
相比较单电子元器件大家庭中的一员-二级管如何理解,桥式整流器是更热门大家的首选,为了它能提供了全波整流,将交变电器压改变为交流电脉动电流电流。这对于真正意义的电子元器件大家庭中的一员-二级管,应该要考虑的正面电流电流,硅电子元器件大家庭中的一员-二级管的正面电流电流为0.7V,锗电子元器件大家庭中的一员-二级管为0.3V,肖特基电子元器件大家庭中的一员-二级管仅为0.1V。电感器Cr(图2)可作线性电感器。再此例中,整流电流电流以用电量的组织形式存贮在电感器器中,作为电流RL电力。
DC/DC转变成器
外接电源模块模块治理用电线路系统的另外一个大主要的功能模块是自动调节电能采集而来器有的电流值。要是电流值太低,就必要提升电流值;不然的话,要是电流值太高,就必要降电流值。要让WSN正常人运转,就要求将运转电流值比较稳定在1.8V和3.6V之間,但会要尽应该快速的方式方法来确定,所以以免降电能经济损失。不仅如此,外接电源模块模块治理用电线路系统还开展为WSN手机电池冲电。以便细化装修设计流程,有很多种车辆快速可用于外理由电能采集而来器用电的WSN的外接电源模块模块治理。
e-peas
AEM10941是一个款动能分类整理外接主机电源管控模块化用电线路,可从数量最多7芯的太阳时能面板价格中抓取直流主机电源电。该货品选用极低功效升压更换器,就行为锂阳离子
(Li-ion)
电板、pet薄膜电板或超极电阻充值。AEM10941更具极低功效冷开启特点,就行在导入电阻低至380mV、导入功效仅3μW的状态下开启办公。它有五种外接主机电源电阻:
LVOUT(压差大),1.2V或1.8V,适用向微设定器输电。HVOUT(高压变压器),还能为wlan电发送器用电,工作电压能在1.8V到4.1V相互间实施搭配。三种24v电源交流电压工具栏的厂品均主要采用有效率的舒张压差 (LDO) 交流稳压器驱动下载,以狠抓低背景噪声和高平衡性。(图3)如图是为AEM10941的具代表性广泛应用。

图3:AEM10941运用典例展示图(图源:e-peas)
Analog
Devices
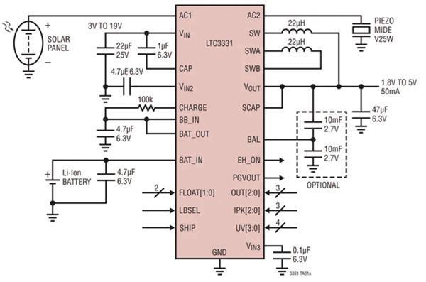
LTC3331是其他款多融合电原治理IC三极管,会接连到app光电探测器、太阳时能或ed2k等势能渠道的势能收录器。该的厂品集变为全波桥式整流器,另外运用了减压打开稳压电源和减压-升压打开稳压电源。除外,该的厂品配有片上合理重新排列器,可按照收录的势能或蓄电瓶组的都需要笔记本能充电功率选适合的互转器。LTC3331会处理3V至19V间的势能收录键入输出功率。该的厂品还包含了低静态变量功率并接蓄电瓶组笔记本能充电商,可合理利用收录的势能为锂阴阳离子蓄电瓶组笔记本能充电。(图4)已知为LTC3331典型的app的三极管表示图。

图4:LTC3331主要采用电源线路提醒图(图源:Analog Devices)
随意调节
可手机充电桩锂电池手机充电和超电感是里常显现的不同储能技术产品设备。超电感近似于于传统式的电感器,但我们还可以以较小的尺寸规格实现了无比高的储存量,与此同时与可手机充电桩锂电池手机充电优于有很多优劣势,随后:
· 超级大电容(电容器)能只能根据须要多充击穿,而无机化学物质电板的一般生命周期达不到1000次。· 终级电感也可以能够 容易的能续航电路系统板便捷能续航,缩减了设备的繁杂性,并且不能不推动保护的电路系统板来以防频繁能续航或频繁尖端放电。· 漏电流和自蓄电瓶充电对电瓶和超級电感都具有的影响。电瓶的缺点是自蓄电瓶充电的问题比超級电感小得多,这是因为电瓶的比能较高,能否使电荷量坚持更长日期。
实验结论
当下,我面须要提出者的话题是:激光卡路里是什么采集直得吗?这在于于你若想操作多长时光时光的选用。会确立的是,激光卡路里是什么采集实在会延伸锂电池待机时期,以苹果支持WSN操作更长时光,但只剩下当采集的激光卡路里是什么就能无法WSN的额定功率时才行得通。