柱式荷重传感器结构紧凑,综合精度高,长期稳定性好,优质合金钢表面镀镍。柱式荷重传感器的核心是**利用柱状弹性体的应变效应实现力电转换**。原理为:外力作用使柱状弹性体产生形变,表面应变片随形变改变电阻,通过测量电路将电阻变化转化为与载荷成正比的电信号。 特点简单概括:结构坚固、承载能力强,精度稳定,抗偏载能力较好,适用于大载荷测量,安装维护较简便。
普遍采用于国家大力值冲击材料试验机、喂料机秤、吊钩秤、包装箱秤、这根牛皮带秤、插拔力公测仪等拉气压公测专用设备或自动的化专用设备方面和公测方面。
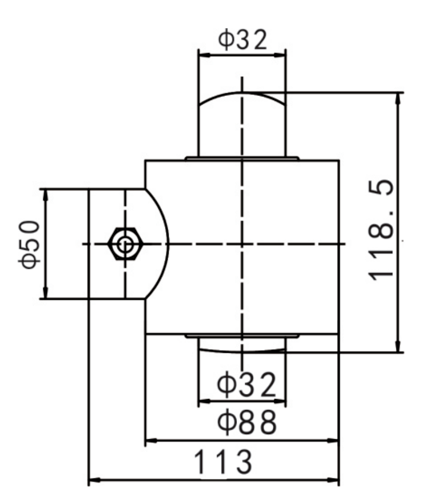
传感器接线示意图: 传感器受力图:


| 参 数 | 技术参数 | 参 数 | 技术参数 |
| 量程 | 3-30T | 材质 | 不锈钢 |
| 输出灵敏度 | 1.5~2.0mV/V | 阻抗 | 350/700Ω |
| 零点输出 | ±2%F.S. | 绝缘电阻 | ≥5000MΩ/100VDC |
| 非线性 | 0.5%F.S. | 使用电压 | 5~15V |
| 滞后 | 0.5%F.S. | 工作温度范围 | -20~65℃ |
| 重复性 | 0.5%F.S. | 安全过载 | 150%F·S |
| 蠕变(30分钟) | 0.5%F.S. | 极限过载 | 200% |
| 温度灵敏度漂移 | 0.05%F.S./10℃ | 电缆线规格 | Φ5x2m |
| 零点温度漂移 | 0.05%F.S./10℃ | 线缆极限拉力 | 10kg |
| 响应频率 | 10kHz |
1.俄罗斯专享会294为客户提供安装调试服务,以及其他技术咨询,必要时技术人员可上门提供技术培训。客户如有技术上疑问,技术人员将在4个小时内给出回复。
2.俄罗斯专享会294护肤品标准依照ISO9001世界的产品的的体制装修设计研发,感测器器护肤品整机整机整机质保一年一年三年一年.仪表盘类护肤品整机整机整机质保一年一年三年几年,7天退货货,无期限维护。(被人故意烧坏找不着整机整机整机质保一年一年三年位置,开发护肤品无的产品的的情况拒退只换。)3.因质量问题造成的退换货,俄罗斯专享会294将承担退换货运费。非质量问题退换货费用将由客户承担。
注:质量问题是指功能,尺寸、指标、安装方式等定制参数未按照客户提出的要求定制,功能不符,尺寸误差,精度不准(误差范围内除外)。
定制产品需双方确认图纸后加工生产,如产品不符合客户要求需在二周内提出书面异议,客户未按规定期限提出异议视为验收合格。
如在期限内提出异议,双方确认后确属产品质量问题或未按双方确认后的要求生产,可调换或退款。如无质量问题,且发货型号与合同签订型号完整无误,则不提供退换货服务。
售后咨询
技艺在线咨询、返厂维修部、收据、投述建议大家等相关的状况。售服服务的电活021-51601181
行业群众号
公司快手小视频号
客户视頻号
公司新郎微博
中小型企业红红书