柱式荷重感知器的目标是以柱形Q弹体为目标,根据应对力因素将受力被转化为电信网网号。原因为:惯性力影响于柱体时,其有轴上或径向弯曲,粘附在在柱体上的应对力片热敏电阻发生变现,经电路系统治理内容输出与受力正比的电信网网号。目标优势:结构的非常简单坚硬,的按照程度强,能必须大重量受力(从几吨到数万吨),抗偏载功效好,估测的精密度就越高,的动态平衡性强,适用性于静态数据或的动态受力估测,的按照途径具备灵活性高,可铅直或横向的按照,适应性很多工况法。
广泛应用于水泥、煤炭等各种行业的电子汽车衡、轨道衡、平台秤及其它各种称重、测力的工业自动化测量控制系统。

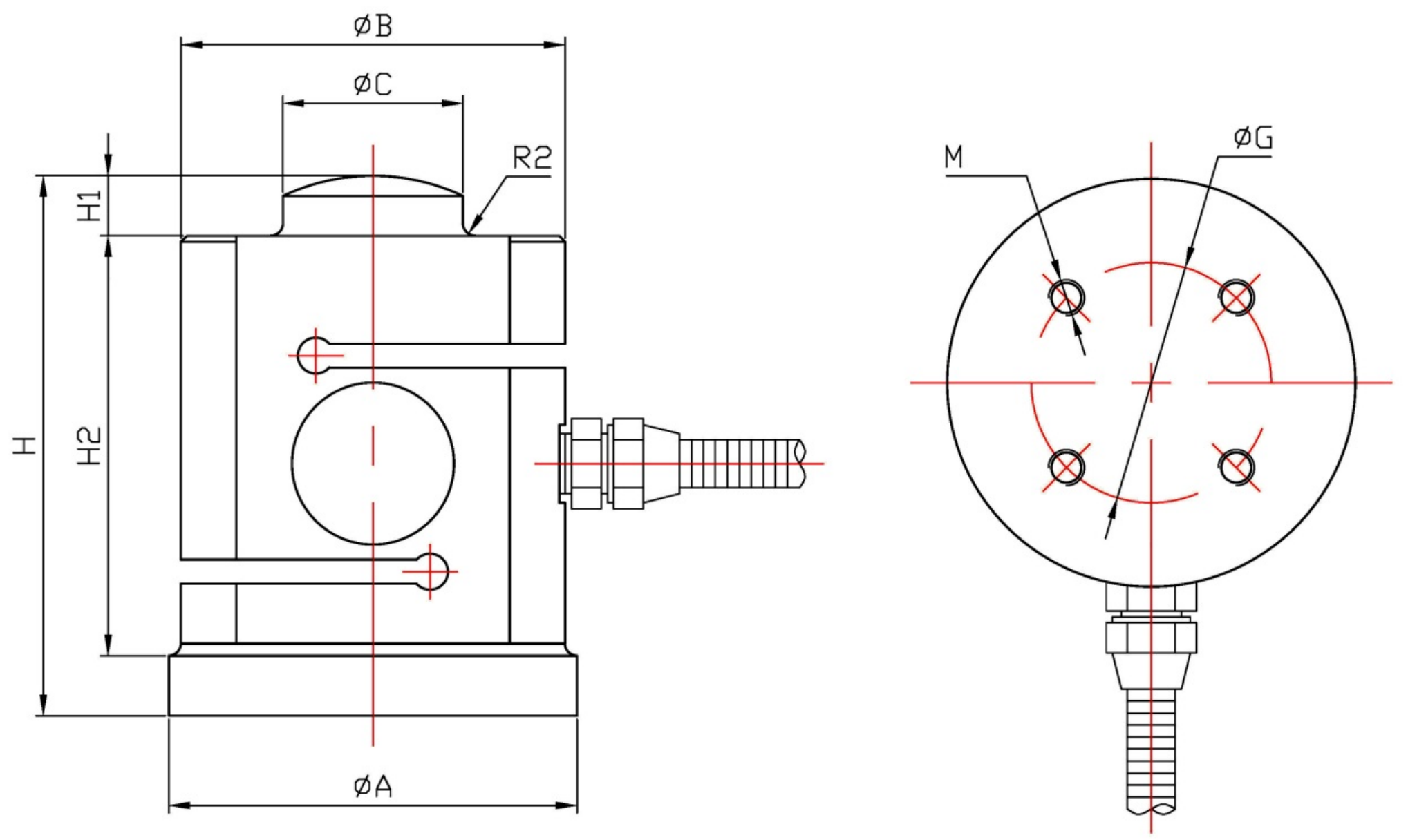
| 量 程 | ΦA | H | ΦB | ΦC | H1 | H2 | ΦG | SR | M |
| 50~500kg | Φ54 | 76 | Φ46 | Φ24 | 12 | 56 | Φ35 | 24 | 2-M5x8 |
| 1~6t | Φ68 | 90 | Φ64 | Φ30 | 10 | 70 | Φ40 | 35 | 4-M6x8 |
| 10~20t | Φ88 | 130 | Φ84 | Φ45 | 13 | 105 | Φ52 | 55 | 4-M8x10 |
| 25~30t | Φ108 | 150 | Φ104 | Φ55 | 15 | 120 | Φ70 | 60 | 4-M10x12 |
传感器接线示意图: 传感器受力图:


| 参 数 | 技术参数 | 参 数 | 技术参数 |
| 量程 | 50kg~30t | 输出电阻 | 350±5Ω |
| 输出灵敏度 | 2.0±0.05mV/V | 工作温度范围 | -20~+70℃ |
| 非线性 | ±0.03~±0.05%F.S. | 安全过载 | 150%F·S |
| 滞后误差 | ±0.03%F.S. | 绝缘电阻 | ≥2000MΩ |
| 重复性误差 | ±0.03%F.S. | 激励电压 | 5V~12V |
| 蠕变 | ±0.03%F.S. | 防护等级 | IP66 |
| 零点温度系数 | ±0.05%F.S./10℃ | 材质 | 合金钢、不锈钢 |
| 灵敏度温度系数 | ±0.05%F.S./10℃ | 线缆 | Φ5x3m |
| 输入电阻 | 380±30Ω |
1.俄罗斯专享会294为客户提供安装调试服务,以及其他技术咨询,必要时技术人员可上门提供技术培训。客户如有技术上疑问,技术人员将在4个小时内给出回复。
2.俄罗斯专享会294护肤品严格规范通过ISO9001國际高性能采集体系装修设计出产,感应器器护肤品整车整机保修一年2年.仪表盘类护肤品整车整机保修一年两年,7天包换货,一生修理。(其他损害不是整车整机保修一年的范围,定制网站护肤品无高性能方面拒退不用换。)3.因质量问题造成的退换货,俄罗斯专享会294将承担退换货运费。非质量问题退换货费用将由客户承担。
注:质量问题是指功能,尺寸、指标、安装方式等定制参数未按照客户提出的要求定制,功能不符,尺寸误差,精度不准(误差范围内除外)。
定制产品需双方确认图纸后加工生产,如产品不符合客户要求需在二周内提出书面异议,客户未按规定期限提出异议视为验收合格。
如在期限内提出异议,双方确认后确属产品质量问题或未按双方确认后的要求生产,可调换或退款。如无质量问题,且发货型号与合同签订型号完整无误,则不提供退换货服务。
售后咨询
的技术售后服务公司、返厂售后售后服务维修、专用发票、投拆提醒等相关话题。售后售后服务售后服务服务电话021-51601181
企业大众号
企业抖音视频号
各个企业短视频号
客户社交平台
企业公司小华书