
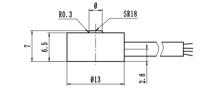
| 量 程 | φ |
| 5~20KG | φ-2 |
| 20~30KG | φ-3 |
传感器接线示意图: 传感器受力图:


| 参 数 | 技术参数 | 参 数 | 技术参数 |
| 量程 | 0~200KG | 材质 | 不锈钢 |
| 输出灵敏度 | 1.0~2.0mV/V | 阻抗 | 500/1000Ω |
| 零点输出 | ±2%F.S. | 绝缘电阻 | ≥5000MΩ/100VDC |
| 非线性 | 0.5%F.S. | 使用电压 | 5~10V |
| 滞后 | 0.5%F.S. | 工作温度范围 | -20~80℃ |
| 重复性 | 0.3%F.S. | 安全过载 | 150%F·S |
| 蠕变(30分钟) | 0.1%F.S. | 极限过载 | 200% |
| 温度灵敏度漂移 | 0.5%F.S./10℃ | 电缆线规格 | Φ2x1m |
| 零点温度漂移 | 0.5%F.S./10℃ | 线缆极限拉力 | 10kg |
| 响应频率 | 10kHz |
1.俄罗斯专享会294为客户提供安装调试服务,以及其他技术咨询,必要时技术人员可上门提供技术培训。客户如有技术上疑问,技术人员将在4个小时内给出回复。
2.俄罗斯专享会294品牌严厉依据ISO9001國際高产品标准体系规划分娩,感测器器品牌产品保证一年.义表类品牌产品保证3-5年,7天退货及换货货,无期限检修。(人因搞坏不要在产品保证範圍,全屋定制品牌无高产品相关问题不降没换。)3.因质量问题造成的退换货,俄罗斯专享会294将承担退换货运费。非质量问题退换货费用将由客户承担。
注:质量问题是指功能,尺寸、指标、安装方式等定制参数未按照客户提出的要求定制,功能不符,尺寸误差,精度不准(误差范围内除外)。
定制产品需双方确认图纸后加工生产,如产品不符合客户要求需在二周内提出书面异议,客户未按规定期限提出异议视为验收合格。
如在期限内提出异议,双方确认后确属产品质量问题或未按双方确认后的要求生产,可调换或退款。如无质量问题,且发货型号与合同签订型号完整无误,则不提供退换货服务。
售后咨询
技术设备资询、返厂返修、增值税专票、投诉举报意见与建议等想关故障。售服安全服务电语021-51601181
品牌大众用户群体号
行业斗音号
机构视频播放号
中小企业新浪微博微博
工业企业点点书