广泛应用于小型称重设备,消费电子检测,自动化生产线,社区医疗仪器等各种测力称重的工业自动化测控系统中。

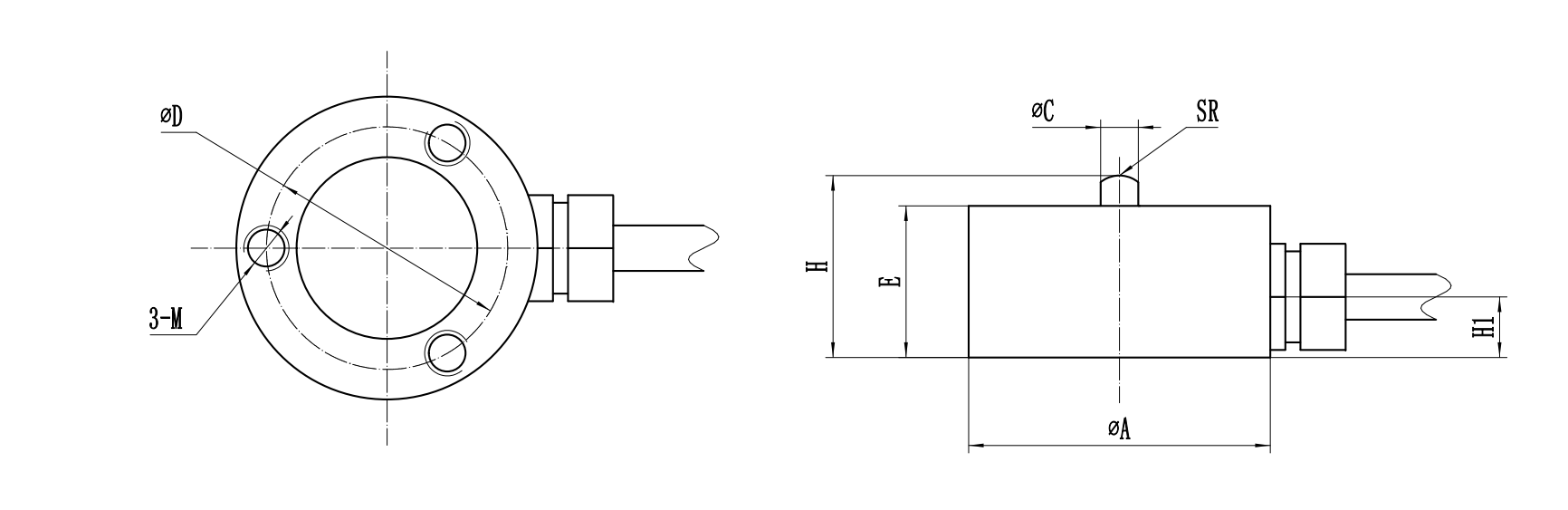
| 量 程 | ΦA | ΦC | ΦD | H | E | M | H1 | SR |
| 10~200kg | 20 | 2.5 | 15.5 | 12 | 10 | M3深7 | 4 | 2 |
| 300~500kg | 26 | 5 | 18.5 | 15 | 11.5 | M4深6 | 5 | 6 |
| 1~5t | 37.7 | 10.8 | 31 | 15.5 | 14 | M2.5深8 | 4 | 50 |
传感器接线示意图: 传感器受力图:


| 参 数 | 技术参数 | 参 数 | 技术参数 |
| 量程 | 0~10t | 材质 | 不锈钢 |
| 输出灵敏度 | 1.0~2.0mV/V | 阻抗 | 700/1000Ω |
| 零点输出 | ±1%F.S. | 绝缘电阻 | ≥5000MΩ/100VDC |
| 非线性 | 0.3%F.S. | 使用电压 | 5~10V |
| 滞后 | 0.3%F.S. | 工作温度范围 | -20~80℃ |
| 重复性 | 0.3%F.S. | 安全过载 | 150%F·S |
| 蠕变(30分钟) | 0.1%F.S. | 极限过载 | 200% |
| 温度灵敏度漂移 | 0.3%F.S./10℃ | 电缆线规格 | 0~5t:Φ3x2m 10t:Φ5x2m |
| 零点温度漂移 | 0.3%F.S./10℃ | 线缆极限拉力 | 10kg |
| 响应频率 | 10kHz |
1.俄罗斯专享会294为客户提供安装调试服务,以及其他技术咨询,必要时技术人员可上门提供技术培训。客户如有技术上疑问,技术人员将在4个小时内给出回复。
2.俄罗斯专享会294新新厂品设备非常严格是以ISO9001亚太新厂品设备的质量管理体制的设计分娩,感测器器新新厂品设备整车的质量保证一年.电子仪表类新新厂品设备整车的质量保证5年,7天退还货,一辈子检修。(关键在于伤害不整车的质量保证的范围,环保定制家具新新厂品设备无新厂品设备的质量事情没退只换。)3.因质量问题造成的退换货,俄罗斯专享会294将承担退换货运费。非质量问题退换货费用将由客户承担。
注:质量问题是指功能,尺寸、指标、安装方式等定制参数未按照客户提出的要求定制,功能不符,尺寸误差,精度不准(误差范围内除外)。
定制产品需双方确认图纸后加工生产,如产品不符合客户要求需在二周内提出书面异议,客户未按规定期限提出异议视为验收合格。
如在期限内提出异议,双方确认后确属产品质量问题或未按双方确认后的要求生产,可调换或退款。如无质量问题,且发货型号与合同签订型号完整无误,则不提供退换货服务。
售后咨询
科技咨询贴心服务、返厂维修保养、税票、网络投诉改进措施等涉及一些问题。售后维修贴心服务电活021-51601181
工业企业人们号
厂家抖音小视频号
各个企业短视频号
制造业企业手机微博
商家红红书