膜盒式荷重感测器器利用平膜感压,设备壳和膜片整体设备构造,体积太小、能力不稳稳定。膜盒式荷重感测器器以膜盒状伸缩性体为强烈pcb板,原则是承载力意义使膜盒产生弯曲,牵动内部的应力应变片热敏电阻变化无常,进行电源线路转移输出表面粗糙度与承载力相匹配的电信宽带号。 特性可简简单单概要为:机构紧凑型、质量小,是和小三维空间配置;校正表面粗糙性高,基本上适宜于小承载力(基本上几斤到几百元斤)校正;抗超负荷工作能力较差,平衡性好,能满足动态展示或外部的轻载测试动画场景。
多应用来各种类型测力称量的重工业手动化测控程序中。
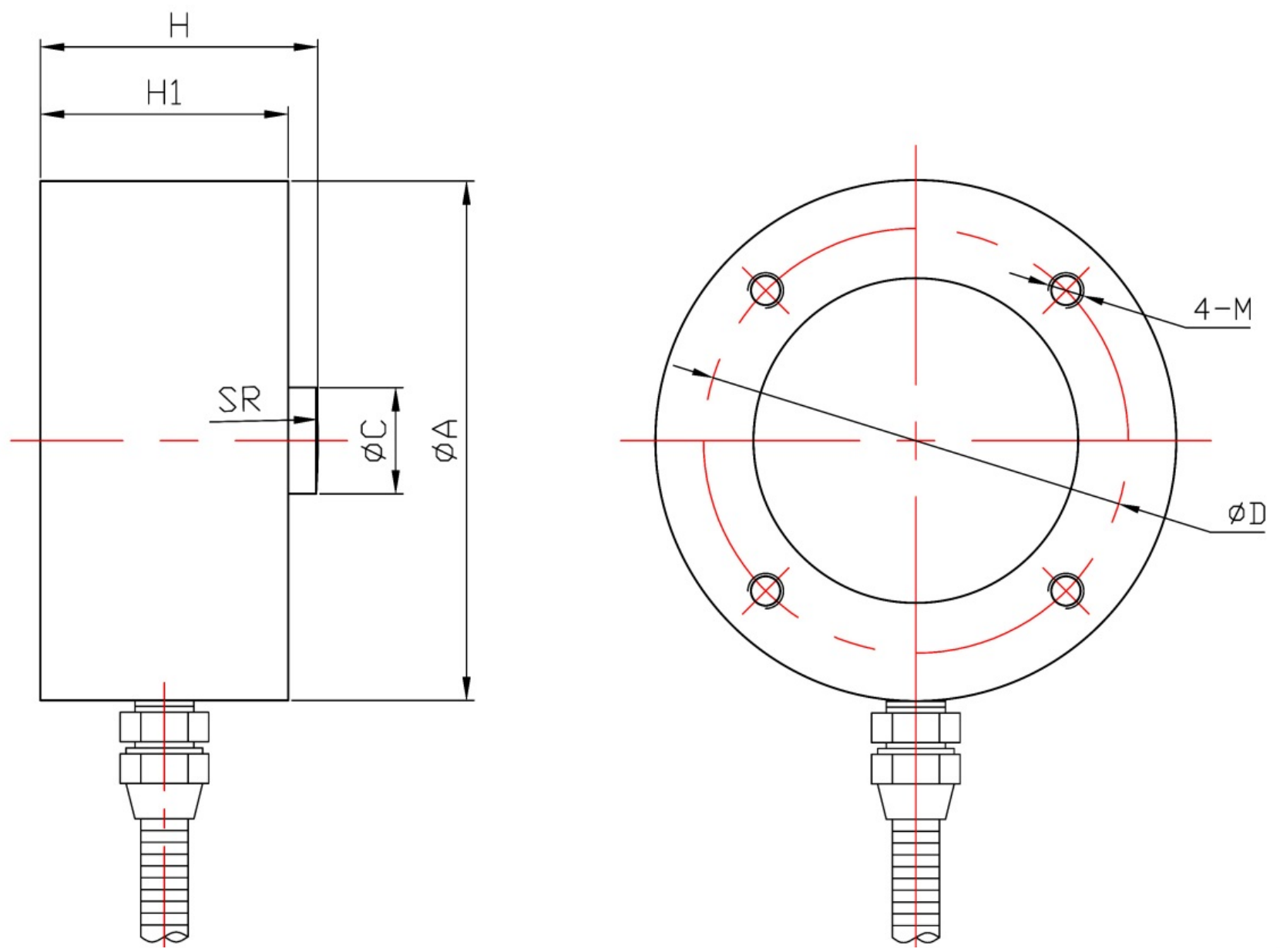
| 量 程 | ΦA | ΦC | H | H1 | SR | ΦD | 4-M |
| 50kg~5t | Φ51 | Φ10 | 25 | 20 | 50 | Φ42 | M5x8 |
| 6~10t | Φ88 | Φ18 | 47 | 42 | 150 | Φ72 | M6x12 |
传感器接线示意图: 传感器受力图:


| 参 数 | 技术参数 | 参 数 | 技术参数 |
| 量程 | 50kg~10t | 输出电阻 | 700±5Ω |
| 输出灵敏度 | 2.0±0.05mV/V | 工作温度范围 | -20~+70℃ |
| 非线性 | ±0.3~±0.5%F.S. | 安全过载 | 120%F·S |
| 滞后误差 | ±0.3%F.S. | 绝缘电阻 | ≥2000MΩ |
| 重复性误差 | ±0.3%F.S. | 激励电压 | 5V~12V |
| 蠕变 | ±0.1%F.S. | 防护等级 | IP66 |
| 零点温度系数 | ±0.1%F.S./10℃ | 材质 | 合金钢、不锈钢 |
| 灵敏度温度系数 | ±0.1%F.S./10℃ | 线缆 | Φ5x3m |
| 输入电阻 | 750±30Ω |
1.俄罗斯专享会294为客户提供安装调试服务,以及其他技术咨询,必要时技术人员可上门提供技术培训。客户如有技术上疑问,技术人员将在4个小时内给出回复。
2.俄罗斯专享会294软件严格执行安装ISO9001国外质水平网络体系规划制作,感知器软件检修在一年.汽车仪表盘类软件检修一年,7天包换货,終身检修。(人为因素烧坏并不在检修规模,全屋定制软件无质水平大问题拒退只换。)3.因质量问题造成的退换货,俄罗斯专享会294将承担退换货运费。非质量问题退换货费用将由客户承担。
注:质量问题是指功能,尺寸、指标、安装方式等定制参数未按照客户提出的要求定制,功能不符,尺寸误差,精度不准(误差范围内除外)。
定制产品需双方确认图纸后加工生产,如产品不符合客户要求需在二周内提出书面异议,客户未按规定期限提出异议视为验收合格。
如在期限内提出异议,双方确认后确属产品质量问题或未按双方确认后的要求生产,可调换或退款。如无质量问题,且发货型号与合同签订型号完整无误,则不提供退换货服务。
售后咨询
方法管理咨询、返厂维护、普通发票、投述意见与建议等关于相关问题。售后客服服务于客服电话021-51601181
单位媒体号
工厂抖音小视频号
制造业企业视频图片号
中小企业新郎微博
公司企业微博书