定滑轮式荷重传感器采用双剪切梁式结构,综合精度高、安装简单方便、长期稳定性好、兼容性好。定滑轮试荷重感测器器将**定滑轮形式与测力开关元件ibms**,方式是主绳进行滑轮时,涨力使感测器器塑性体产生了变形,应对片探知变形并换算为与负载相匹配的的铁通号,直接预估主绳受到拉力(负载)。 亮点:自我调节主绳类负载预估场地,的安装方便简洁;可进行滑轮印象力的方位,不印象原来的刚度路径名;预估精确受主绳的角度印象较小,量限一般,采采用起重机生产设备、住宅电梯限速器、缆绳涨力监控等需直接测拉力的场地。
广泛应用于起重、水利、煤矿等行业的自动化测量控制系统。

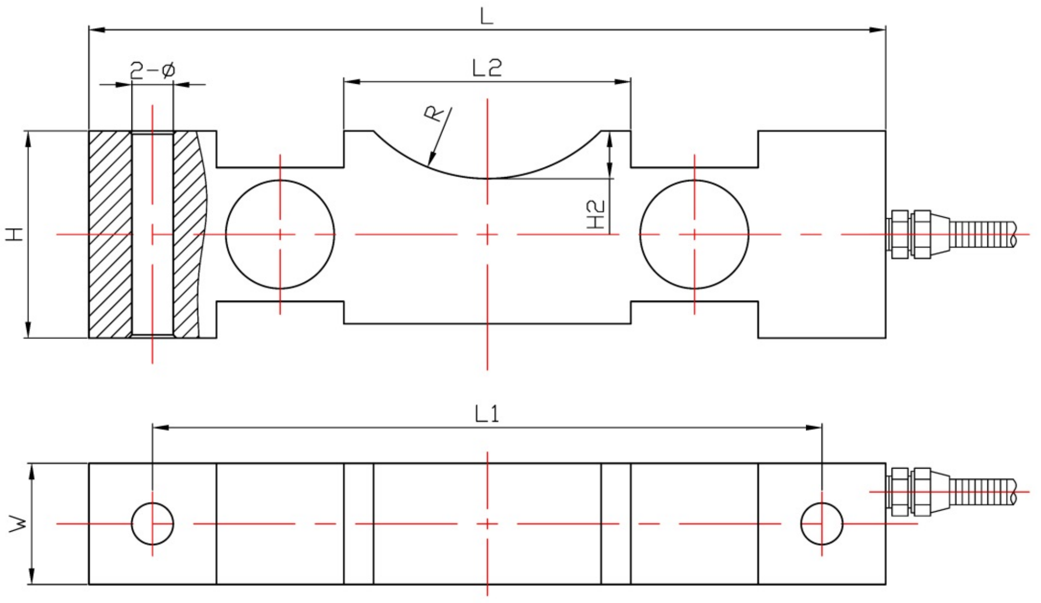
| 量限 | L | W | H | L2 | L2 | R | H2 | 2-Φ |
| 2t | 250 | 32 | 65 | 210 | 90 | 50 | 15 | Φ13 |
| 3t | 250 | 38 | 65 | 210 | 90 | 50 | 15 | Φ13 |
| 5t | 300 | 44 | 80 | 250 | 110 | 60 | 18 | Φ17 |
| 10t | 300 | 44 | 80 | 250 | 110 | 60 | 20 | Φ17 |
| 15t~20t | 350 | 60 | 106 | 295 | 146 | 80 | 23 | Φ22 |
| 30t | 410 | 68 | 114 | 340 | 170 | 90 | 26 | Φ26 |
| 50t | 460 | 68 | 116 | 360 | 170 | 90 | 26 | Φ32 |
传感器接线示意图: 传感器受力图:


| 参 数 | 技术参数 | 参 数 | 技术参数 |
| 量程 | 2t~50t | 输出电阻 | 700±5Ω |
| 输出灵敏度 | 1.5±0.05mV/V | 工作温度范围 | -20~+70℃ |
| 非线性 | ±0.05%F.S. | 安全过载 | 150%F·S |
| 滞后误差 | ±0.05%F.S. | 绝缘电阻 | ≥2000MΩ |
| 重复性误差 | ±0.05%F.S. | 激励电压 | 5V~12V |
| 蠕变 | ±0.05%F.S. | 防护等级 | IP66 |
| 零点温度系数 | ±0.05%F.S./10℃ | 材质 | 合金钢、不锈钢 |
| 灵敏度温度系数 | ±0.05%F.S./10℃ | 线缆 | Φ5x3m |
| 输入电阻 | 750±30Ω |
1.俄罗斯专享会294为客户提供安装调试服务,以及其他技术咨询,必要时技术人员可上门提供技术培训。客户如有技术上疑问,技术人员将在4个小时内给出回复。
2.俄罗斯专享会294车辆从严安装ISO9001国.际厂品体制方案生產,调节器器车辆整机整机整机质保一年一年三年一年.仪表板类车辆整机整机整机质保一年一年三年几年,7天包换货,终身制保修。(应为人为破损在整机整机整机质保一年一年三年范围之内,个性车辆无厂品原因不降不更换。)3.因质量问题造成的退换货,俄罗斯专享会294将承担退换货运费。非质量问题退换货费用将由客户承担。
注:质量问题是指功能,尺寸、指标、安装方式等定制参数未按照客户提出的要求定制,功能不符,尺寸误差,精度不准(误差范围内除外)。
定制产品需双方确认图纸后加工生产,如产品不符合客户要求需在二周内提出书面异议,客户未按规定期限提出异议视为验收合格。
如在期限内提出异议,双方确认后确属产品质量问题或未按双方确认后的要求生产,可调换或退款。如无质量问题,且发货型号与合同签订型号完整无误,则不提供退换货服务。
售后咨询
工艺网络咨询、返厂检修、普通发票、网络投诉建意等关于原因。售后客服服務电话021-51601181
厂家媒体号
商家快手视频号
中小企业视頻号
机构新浪微博微博
企业主小丽书