扭环式荷重传感器采用扭环式结构,精度高、反应灵敏、抗振性好、易于安装,适用于各种电子秤、衡器及测力、称重的场合。扭环式荷重感应器器要借助其是真的吗性和满足性,已成为化工业力在测量范畴的必要器件,为会机械化出产、精细检测和机器健康安全给予了重点的方法兼容。
密切软件于工业化的秤量与计量检测,机制制作与系统监测,交通网运输车与项目机制,自然化与过程中 设定等的领域。

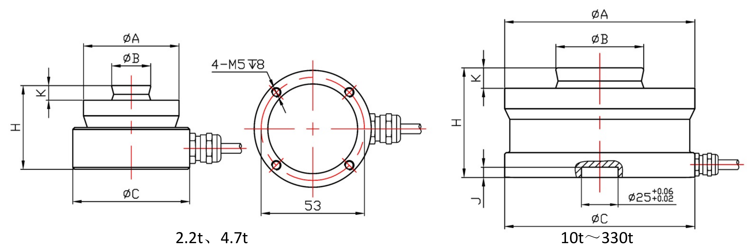
| 量 程 | ΦA | ΦB | ΦC | H | J | K |
| 2.2t | Φ49 | Φ20 | Φ60 | 43 | - | 7.5 |
| 4.7t | Φ52 | Φ20 | Φ60 | 43 | - | 7.5 |
| 10t | Φ75 | Φ30 | Φ75 | 50 | 7 | 6.5 |
| 15t | Φ75 | Φ30 | Φ75 | 50 | 7 | 6.5 |
| 22t | Φ75 | Φ30 | Φ75 | 50 | 7 | 6.5 |
| 33t | Φ95 | Φ40 | Φ95 | 65 | 7 | 10 |
| 47t | Φ130 | Φ60 | Φ130 | 75 | 7 | 14 |
| 68t | Φ130 | Φ60 | Φ130 | 85 | 7 | 14 |
| 100t | Φ150 | Φ70 | Φ150 | 90 | 7 | 16 |
| 150t | Φ150 | Φ70 | Φ150 | 100 | 7 | 16 |
| 220t | Φ225 | Φ100 | Φ225 | 130 | 10 | 24 |
| 330t | Φ225 | Φ100 | Φ225 | 145 | 10 | 24 |
传感器接线示意图: 传感器受力图:


| 参 数 | 技术参数 | 参 数 | 技术参数 |
| 量程 | 2.2t~330t | 输出电阻 | 1.4K±5Ω |
| 输出灵敏度 | 2.85±0.05mV/V | 工作温度范围 | -20~+70℃ |
| 非线性 | ±0.05~±0.1%F.S. | 安全过载 | 150%F·S |
| 滞后误差 | ±0.08%F.S. | 绝缘电阻 | ≥2000MΩ |
| 重复性误差 | ±0.05%F.S. | 激励电压 | 5V~12V |
| 蠕变 | ±0.05%F.S. | 防护等级 | IP66 |
| 零点温度系数 | ±0.05%F.S./10℃ | 材质 | 合金钢、不锈钢 |
| 灵敏度温度系数 | ±0.05%F.S./10℃ | 线缆 | Φ5x3m |
| 输入电阻 | 1.45K±50Ω |
1.俄罗斯专享会294为客户提供安装调试服务,以及其他技术咨询,必要时技术人员可上门提供技术培训。客户如有技术上疑问,技术人员将在4个小时内给出回复。
2.俄罗斯专享会294物料要严格根据ISO9001国际金安全性能机制规划生产的,感知器物料保质四年.仪容仪表类物料保质四年,7天退货退款货,无限期修补。(关键在于毁损不见保质标准,个人定制物料无安全性能间题没退只换。)3.因质量问题造成的退换货,俄罗斯专享会294将承担退换货运费。非质量问题退换货费用将由客户承担。
注:质量问题是指功能,尺寸、指标、安装方式等定制参数未按照客户提出的要求定制,功能不符,尺寸误差,精度不准(误差范围内除外)。
定制产品需双方确认图纸后加工生产,如产品不符合客户要求需在二周内提出书面异议,客户未按规定期限提出异议视为验收合格。
如在期限内提出异议,双方确认后确属产品质量问题或未按双方确认后的要求生产,可调换或退款。如无质量问题,且发货型号与合同签订型号完整无误,则不提供退换货服务。
售后咨询
水平咨询了解、返厂维修部、单据、网络投诉提案等相关现象。售后维修点服务于热线电话021-51601181
工厂民众号
制造业企业快手视频号
的企业视频图片号
厂家网页微博
单位小丽书