拉压力传感器按照S型梁组成部分特征,拉、压均可动用。组成部分特征紧凑型轿车,综合性精度等级高,暂时平稳性好,高品质耐热中碳钢外层镀镍。徵型拉工作的压力感知器以**徵型应力松弛体**为价值体系,远离是拉工作的压力用处使应力松弛体很小弯曲,打造应力应变片电阻值变现,经进行处理导出与力值不成比例的5G号,可交叉测力。结构特征:表面积轻巧(毫米左右级外形尺寸),净重轻;量限非常小(常常几克力到十多千克力),gps精程度高;为了响应进程快,适窄小环境空间或很小力值检查测量,如医疗管理运动器械、微安装、五金机械医疗仪器力反应等场地。
具有广泛性选用于全面、万能材料实验机,喂料机秤,吊钩秤,包装方式秤,三角皮带秤,插拔力公测图片仪等拉重压公测图片实验仪器、重新化专用设备。
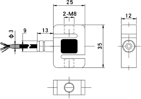
传感器接线示意图: 传感器受力图:


| 参 数 | 技术参数 | 参 数 | 技术参数 |
| 量程 | 0~200kg | 材质 | 不锈钢 |
| 输出灵敏度 | 1.0~2.0mV/V | 阻抗 | 350Ω |
| 零点输出 | ±2%F.S. | 绝缘电阻 | ≥5000MΩ/100VDC |
| 非线性 | 0.05%F.S. | 使用电压 | 5~10V |
| 滞后 | 0.03%F.S. | 工作温度范围 | -20~80℃ |
| 重复性 | 0.03%F.S. | 安全过载 | 150%F·S |
| 蠕变(30分钟) | 0.03%F.S. | 极限过载 | 200% |
| 温度灵敏度漂移 | 0.03%F.S./10℃ | 电缆线规格 | Φ3x2m |
| 零点温度漂移 | 0.05%F.S./10℃ | 线缆极限拉力 | 10kg |
| 响应频率 | 10kHz |
1.俄罗斯专享会294为客户提供安装调试服务,以及其他技术咨询,必要时技术人员可上门提供技术培训。客户如有技术上疑问,技术人员将在4个小时内给出回复。
2.俄罗斯专享会294厂品严格执行决定ISO9001国家线质理制度设计方案出产,感知器厂品保修期两年.电子仪表类厂品保修期两年,7天退货货,终生修理。(认为故障不是保修期使用范围,定做厂品无线质理原因拒退只换。)3.因质量问题造成的退换货,俄罗斯专享会294将承担退换货运费。非质量问题退换货费用将由客户承担。
注:质量问题是指功能,尺寸、指标、安装方式等定制参数未按照客户提出的要求定制,功能不符,尺寸误差,精度不准(误差范围内除外)。
定制产品需双方确认图纸后加工生产,如产品不符合客户要求需在二周内提出书面异议,客户未按规定期限提出异议视为验收合格。
如在期限内提出异议,双方确认后确属产品质量问题或未按双方确认后的要求生产,可调换或退款。如无质量问题,且发货型号与合同签订型号完整无误,则不提供退换货服务。
售后咨询
技术设备咨询公司、返厂售后维修点维修、收据、投诉信小编建议等关联现象。售后维修点工作热线电话021-51601181
商家订阅号号
的企业逗音号
公司视频图片号
品牌微博微博
企业公司小丽书