拉压力传感器采用了S型梁设计,不锈的材料料,带超负荷保障,长度低,拉亚双重在线测量。徵型拉压传探测器器以**徵型应力松弛体**为核心思想,工作原理是拉压用途使应力松弛体细小变形,驱动应变力片电阻功率变,经解决打出与力值正比的就是联通号,可交叉测力。 特征 :体积太小而(直径级大小),容量轻;测量范围似然函数(常见几克力到十多多公斤力),误差高;运行速率快,比较适合较小面积或细小力值测量,如医疗机构设备、微自动装配、精密制造仪器设备力跟进等场面。
多方面应该用于推拉力计,开关感觉度检侧设备仪,热冷液压机重压检侧。
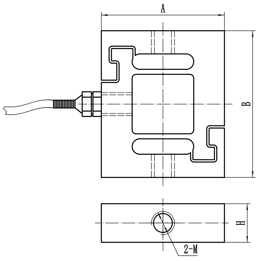
| 量程(kg) | M | H | A | B |
| 0.5-10 | M3 | 5 | 16 | 19.1 |
| 20-50 | M4 | 6 | 16 | 19.1 |
| 100-200 | M8 | 14 | 26 | 40 |
传感器接线示意图: 传感器受力图:


| 参 数 | 技术参数 | 参 数 | 技术参数 |
| 量程 | 0~200kg | 材质 | 不锈钢 |
| 输出灵敏度 | 1.0~2.0mV/V | 阻抗 | 350Ω |
| 零点输出 | ±2%F.S. | 绝缘电阻 | ≥5000MΩ/100VDC |
| 非线性 | 0.1%F.S. | 使用电压 | 5~10V |
| 滞后 | 0.05%F.S. | 工作温度范围 | -20~80℃ |
| 重复性 | 0.05%F.S. | 安全过载 | 150%F·S |
| 蠕变(30分钟) | 0.05%F.S. | 极限过载 | 200% |
| 温度灵敏度漂移 | 0.05%F.S./10℃ | 电缆线规格 | <100kg:Φ2x1m; >100kg:Φ3x2m |
| 零点温度漂移 | 0.05%F.S./10℃ | 线缆极限拉力 | 10kg |
| 响应频率 | 10kHz |
1.俄罗斯专享会294为客户提供安装调试服务,以及其他技术咨询,必要时技术人员可上门提供技术培训。客户如有技术上疑问,技术人员将在4个小时内给出回复。
2.俄罗斯专享会294產品从紧采用ISO9001国家水平制度制作工作,调节器器產品整机整车质保期三年一年.仪表盘类產品整机整车质保期三年几年,7天包换货,終身维修部。(因人损毁都在整机整车质保期三年范畴,个性產品无水平相关问题没退只换。)3.因质量问题造成的退换货,俄罗斯专享会294将承担退换货运费。非质量问题退换货费用将由客户承担。
注:质量问题是指功能,尺寸、指标、安装方式等定制参数未按照客户提出的要求定制,功能不符,尺寸误差,精度不准(误差范围内除外)。
定制产品需双方确认图纸后加工生产,如产品不符合客户要求需在二周内提出书面异议,客户未按规定期限提出异议视为验收合格。
如在期限内提出异议,双方确认后确属产品质量问题或未按双方确认后的要求生产,可调换或退款。如无质量问题,且发货型号与合同签订型号完整无误,则不提供退换货服务。
售后咨询
水平资询、返厂检修、税票、网络投诉最好是等有关的困难。售后服务保障服务保障电语021-51601181
行业政府订阅号
品牌抖音音乐号
中小企业视频播放号
中小型企业微薄
企业主点点书