
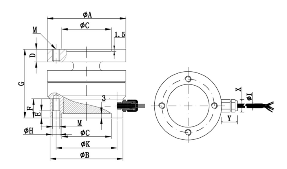
| 量 程 | A | B | C | D | E | F | G | H | K | X | Y | I | J | Z | M |
| 0.5-10KN | 54 | 50 | 34 | 8.5 | 5 | 13 | 47 | 5.5 | 42 | 10 | 13 | 3 | 8 | 9 | 8-M5 |
| 20-100KN | 95 | 90 | 55 | 15 | 5.5 | 20 | 72 | 11 | 70 | 15.7 | 14 | 5 | 10.5 | 14 | 10-M10 |
传感器接线示意图: 传感器受力图:


| 参 数 | 技术参数 | 参 数 | 技术参数 |
| 量程 | 0~100KN | 材质 | 不锈钢 |
| 输出灵敏度 | 2.0±10%mV/V | 阻抗 | 700Ω |
| 零点输出 | ±2%F.S. | 绝缘电阻 | ≥5000MΩ/100VDC |
| 非线性 | 0.5%F.S. | 使用电压 | 10~15V |
| 滞后 | 0.1%F.S. | 工作温度范围 | -20~80℃ |
| 重复性 | 0.1%F.S. | 安全过载 | 120%F·S |
| 蠕变(30分钟) | 0.1%F.S. | 极限过载 | 150% |
| 温度灵敏度漂移 | 0.1%F.S./10℃ | 电缆线规格 | Φ5x3m |
| 零点温度漂移 | 0.1%F.S./10℃ | 线缆极限拉力 | 10kg |
| 响应频率 | 10kHz |
1.俄罗斯专享会294为客户提供安装调试服务,以及其他技术咨询,必要时技术人员可上门提供技术培训。客户如有技术上疑问,技术人员将在4个小时内给出回复。
2.俄罗斯专享会294商品严格规范按ISO9001新国际品质体系中设计研发,传加速度传感器器商品保修期限期两年多.汽车仪表盘类商品保修期限期两年多,7天退还货,无限期维修培训。(人为因素已损坏不是保修期限期范围内,私人定制商品无品质大问题没退不用换。)3.因质量问题造成的退换货,俄罗斯专享会294将承担退换货运费。非质量问题退换货费用将由客户承担。
注:质量问题是指功能,尺寸、指标、安装方式等定制参数未按照客户提出的要求定制,功能不符,尺寸误差,精度不准(误差范围内除外)。
定制产品需双方确认图纸后加工生产,如产品不符合客户要求需在二周内提出书面异议,客户未按规定期限提出异议视为验收合格。
如在期限内提出异议,双方确认后确属产品质量问题或未按双方确认后的要求生产,可调换或退款。如无质量问题,且发货型号与合同签订型号完整无误,则不提供退换货服务。
售后咨询
技艺谘询、返厂修补、普通发票、投拆提倡等对应疑问。售后维修点提供服务服务电话021-51601181
客户公众号粉丝号
中小型企业快手小视频号
企业的视頻号
企业公司社交平台
厂家小华书