
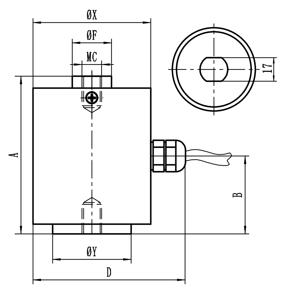
| 量 程 | A | B | C | D | E | F | X | Y |
| 50-500KG | 80 | 37.5 | M10x1.5-6H | 74 | 20 | 17 | 60 | 40 |
| 1000-3000KG | 120 | 45 | M20x1.5-6H | 74 | 36 | 30 | 60 | 40 |
传感器接线示意图: 传感器受力图:


| 参 数 | 技术参数 | 参 数 | 技术参数 |
| 量程 | 0~20KN | 材质 | 铝合金 |
| 输出灵敏度 | 1.5~2.0mV/V | 阻抗 | 700Ω |
| 零点输出 | ±2%F.S. | 绝缘电阻 | ≥5000MΩ/100VDC |
| 非线性 | 0.5%F.S. | 使用电压 | 5~15V |
| 滞后 | 0.5%F.S. | 工作温度范围 | -20~65℃ |
| 重复性 | 0.5%F.S. | 安全过载 | 150%F·S |
| 蠕变(30分钟) | 0.5%F.S. | 极限过载 | 200% |
| 温度灵敏度漂移 | 0.05%F.S./10℃ | 电缆线规格 | Φ5x2m |
| 零点温度漂移 | 0.05%F.S./10℃ | 线缆极限拉力 | 10kg |
| 响应频率 | 10kHz |
1.俄罗斯专享会294为客户提供安装调试服务,以及其他技术咨询,必要时技术人员可上门提供技术培训。客户如有技术上疑问,技术人员将在4个小时内给出回复。
2.俄罗斯专享会294类的物料的要严格依照规定ISO9001时代国际的物料的品质采集体系设置出产,调节器器类的物料的保修期两年.智能仪表类类的物料的保修期两年,7天退还货,一生抢修。(关键在于丢失不再保修期使用范围,来样加工类的物料的无的物料的品质的问题没退没换。)3.因质量问题造成的退换货,俄罗斯专享会294将承担退换货运费。非质量问题退换货费用将由客户承担。
注:质量问题是指功能,尺寸、指标、安装方式等定制参数未按照客户提出的要求定制,功能不符,尺寸误差,精度不准(误差范围内除外)。
定制产品需双方确认图纸后加工生产,如产品不符合客户要求需在二周内提出书面异议,客户未按规定期限提出异议视为验收合格。
如在期限内提出异议,双方确认后确属产品质量问题或未按双方确认后的要求生产,可调换或退款。如无质量问题,且发货型号与合同签订型号完整无误,则不提供退换货服务。
售后咨询
高技术精准服务精准服务、返厂维修培训、收据、匿名举报提醒等相应的方面。售后维修精准服务精准服务热线服务021-51601181
企业主大众用户群体号
厂家内涵段子号
的企业视频播放号
工业企业网页微博
企业小丽书