柱式拉压为感应器器选取柱式节构,更具导致精高、抗压强度好、可靠性好等特征 。柱式拉压强传调节器器以**柱状体柔软性体**为关键,意义是拉压强意义使柱体出现轴上变形,贴标其上的应变力片热敏电阻会发生变幻,经电路系统换为导出与力值相等的中国移动号。 亮点:框架坚实,抗电机负载、抗偏载技能强;测量范围大(数吨至千余吨),要求安稳;可容忍双相力,不适于特重型机械设备、大一些的承重、项目工程框架力监测站等载重车场景设计。
常见应该用于天车秤、料桶秤等工业化半自动化的控制历程的控制的拉力精确测量。
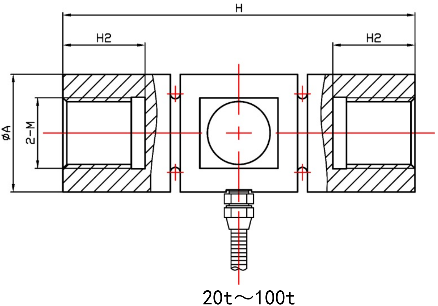
| 量 程 | ΦA | M | H | H2 |
| 20t | Φ60 | M36x4 | 180 | 40 |
| 30t | Φ76 | M45x4.5 | 213 | 50 |
| 50t | Φ94 | M64x3 | 332 | 70 |
| 100t | Φ112 | M76x3 | 367 | 80 |
传感器接线示意图: 传感器受力图:


| 参 数 | 技术参数 | 参 数 | 技术参数 |
| 量程 | 20t~200t | 输出电阻 | 350±5Ω |
| 输出灵敏度 | 2.0±0.05mV/V | 工作温度范围 | -20~+70℃ |
| 非线性 | ±0.05~±0.1%F.S. | 安全过载 | 150%F·S |
| 滞后误差 | ±0.05~±0.1%F.S. | 绝缘电阻 | ≥2000MΩ |
| 重复性误差 | ±0.05%F.S. | 激励电压 | 5V~12V |
| 蠕变 | ±0.05%F.S. | 防护等级 | IP65、IP66 |
| 零点温度系数 | ±0.05%F.S./10℃ | 材质 | 合金钢、不锈钢 |
| 灵敏度温度系数 | ±0.05%F.S./10℃ | 线缆 | Φ5x3m |
| 输入电阻 | 380±30Ω |
1.俄罗斯专享会294为客户提供安装调试服务,以及其他技术咨询,必要时技术人员可上门提供技术培训。客户如有技术上疑问,技术人员将在4个小时内给出回复。
2.俄罗斯专享会294成品坚持原则都按照ISO9001国际联盟的产品质量组织体制来设计生产加工,感应器器成品保修期一年.设备类成品保修期5年,7天退货货,无限期保修。(由人破损没有保修期范围内,定制网站成品无的产品质量疑问未退没换。)3.因质量问题造成的退换货,俄罗斯专享会294将承担退换货运费。非质量问题退换货费用将由客户承担。
注:质量问题是指功能,尺寸、指标、安装方式等定制参数未按照客户提出的要求定制,功能不符,尺寸误差,精度不准(误差范围内除外)。
定制产品需双方确认图纸后加工生产,如产品不符合客户要求需在二周内提出书面异议,客户未按规定期限提出异议视为验收合格。
如在期限内提出异议,双方确认后确属产品质量问题或未按双方确认后的要求生产,可调换或退款。如无质量问题,且发货型号与合同签订型号完整无误,则不提供退换货服务。
售后咨询
技艺了解和咨询、返厂维修服务培训、普通发票、投诉信推荐等有关系一些问题。售后维修点服务培训服务电话021-51601181
客户消费者号
企业的快手视频号
公司短视频号
企业主新浪微博
机构小红书看到分享的书