柱式拉负压传调节器器设计省油的suv,综合性导致精更高,不断不稳确定性好,动态信息没有响应概率高,优异冷库保温隔热板的表层板食材。柱式拉学习阻力调节器器以**柱形回弹力体**为价值体系,原因是拉学习阻力效果使柱体形成径向塑性形变,粘附在其上的应力应变片电容引发发生改变,经用电线路转化读取与力值不成比例的中国联通号。特质:形式稳固,抗电机负载、抗偏载性能强;分度值大(数吨至千余吨),误差保持稳定;可承载交叉力,适用性于中重型自动化设备、魔幻称准、工作形式力监测技术等载重车情况。
广泛应用于汽车压装、自动化组装、3C产品测试、新能源产品组装、医疗检测、机器人领域,模具组装及其他工业测试、自动化设备领域和测试领域。

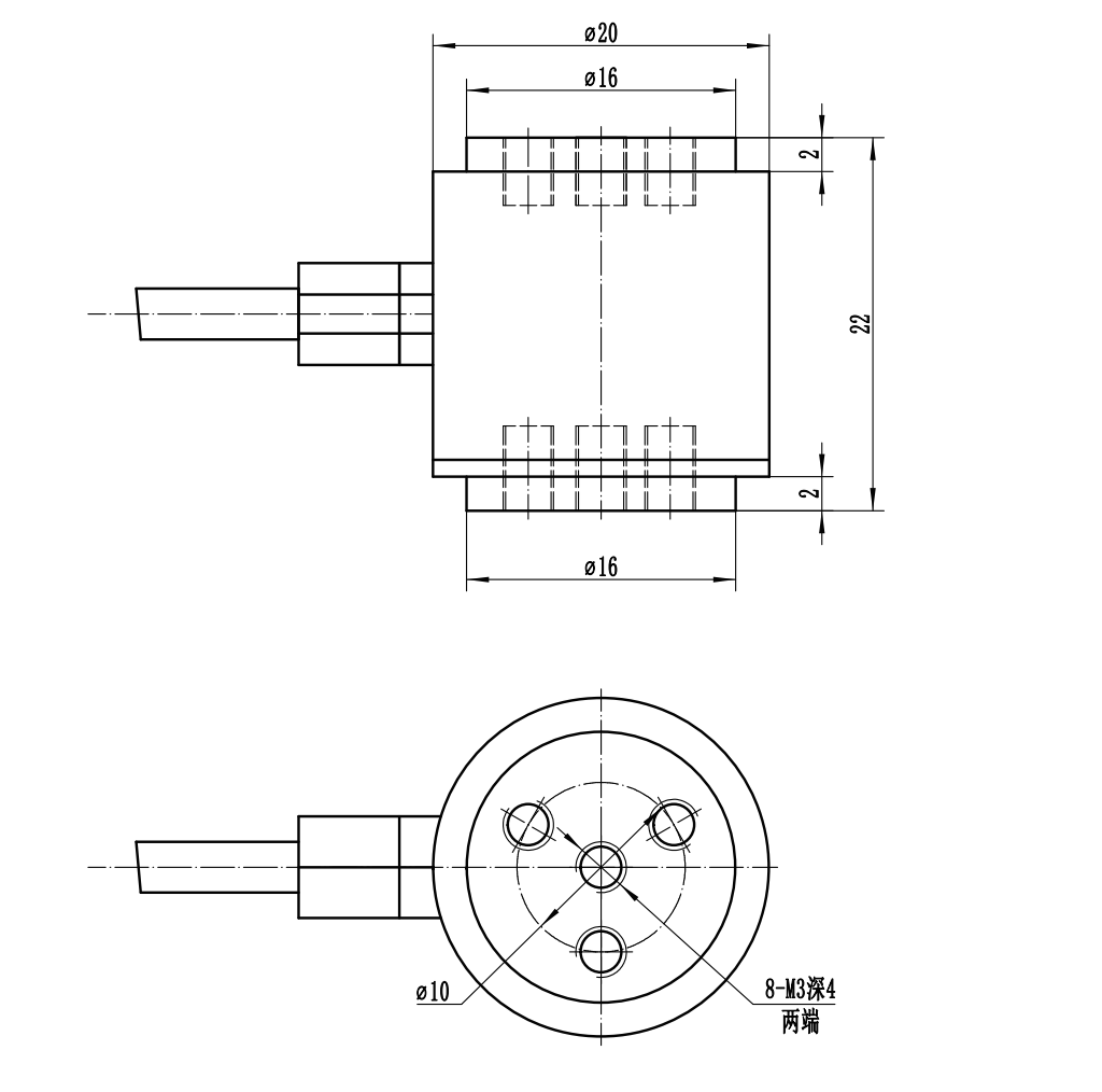
传感器接线示意图: 传感器受力图:


| 参 数 | 技术参数 | 参 数 | 技术参数 |
| 量程 | 0~200KG | 材质 | 不锈钢 |
| 输出灵敏度 | 2.0±10%mV/V | 阻抗 | 350/700Ω |
| 零点输出 | ±2%F.S. | 绝缘电阻 | ≥5000MΩ/100VDC |
| 非线性 | 0.1%F.S. | 使用电压 | 10~15V |
| 滞后 | 0.1%F.S. | 工作温度范围 | -20~80℃ |
| 重复性 | 0.1%F.S. | 安全过载 | 120%F·S |
| 蠕变(30分钟) | 0.1%F.S. | 极限过载 | 150% |
| 温度灵敏度漂移 | 0.1%F.S./10℃ | 电缆线规格 | Φ3x2m |
| 零点温度漂移 | 0.1%F.S./10℃ | 线缆极限拉力 | 10kg |
| 响应频率 | 10kHz |
1.俄罗斯专享会294为客户提供安装调试服务,以及其他技术咨询,必要时技术人员可上门提供技术培训。客户如有技术上疑问,技术人员将在4个小时内给出回复。
2.俄罗斯专享会294护肤品须严格都按照ISO9001國際效率采集体系设汁制造,感知器护肤品保修期限2年.设备类护肤品保修期限四年,7天退货退款货,无期限修补。(人丢失看不到保修期限条件,定制化护肤品无效率的问题拒退只换。)3.因质量问题造成的退换货,俄罗斯专享会294将承担退换货运费。非质量问题退换货费用将由客户承担。
注:质量问题是指功能,尺寸、指标、安装方式等定制参数未按照客户提出的要求定制,功能不符,尺寸误差,精度不准(误差范围内除外)。
定制产品需双方确认图纸后加工生产,如产品不符合客户要求需在二周内提出书面异议,客户未按规定期限提出异议视为验收合格。
如在期限内提出异议,双方确认后确属产品质量问题或未按双方确认后的要求生产,可调换或退款。如无质量问题,且发货型号与合同签订型号完整无误,则不提供退换货服务。
售后咨询
技術资讯、返厂抢修、单据、投拆意见和建议等相关联间题。售服安全服务咨询热线021-51601181
制造业企业社会公众账号
制造业企业抖音短视频号
客户短视频号
企业公司网页微博
中小企业红红书