广应用软件于小轿车压装、定时化装配流水线、3C厂品的检验仪、新燃料厂品的装配流水线、医疗保障判断、仪器人层面,镊子装配流水线下列关于他行业检验仪、定时化的设备层面和检验仪层面。

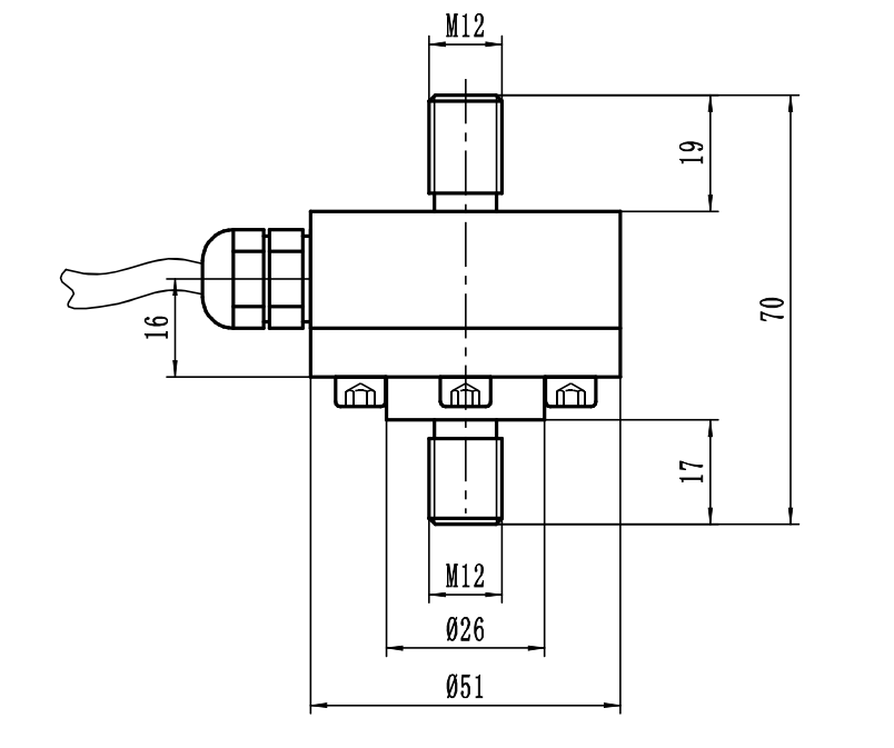
传感器接线示意图: 传感器受力图:


| 参 数 | 技术参数 | 参 数 | 技术参数 |
| 量程 | 0~20KN | 材质 | 不锈钢 |
| 输出灵敏度 | 1.5~2.0mV/V | 阻抗 | 350/700Ω |
| 零点输出 | ±2%F.S. | 绝缘电阻 | ≥5000MΩ/100VDC |
| 非线性 | 0.5%F.S. | 使用电压 | 5~15V |
| 滞后 | 0.5%F.S. | 工作温度范围 | -20~65℃ |
| 重复性 | 0.5%F.S. | 安全过载 | 150%F·S |
| 蠕变(30分钟) | 0.5%F.S. | 极限过载 | 200% |
| 温度灵敏度漂移 | 0.05%F.S./10℃ | 电缆线规格 | Φ5x2m |
| 零点温度漂移 | 0.05%F.S./10℃ | 线缆极限拉力 | 10kg |
| 响应频率 | 10kHz |
1.俄罗斯专享会294为客户提供安装调试服务,以及其他技术咨询,必要时技术人员可上门提供技术培训。客户如有技术上疑问,技术人员将在4个小时内给出回复。
2.俄罗斯专享会294货品要从严确定ISO9001新国际好新物料体制的设计产生,调节器器货品产品品质保证1年时间内.智能仪表类货品产品品质保证四年,7天退货退款货,一辈子维护。(认为破损不再产品品质保证的范围,设计货品无好新物料难题不降不改。)3.因质量问题造成的退换货,俄罗斯专享会294将承担退换货运费。非质量问题退换货费用将由客户承担。
注:质量问题是指功能,尺寸、指标、安装方式等定制参数未按照客户提出的要求定制,功能不符,尺寸误差,精度不准(误差范围内除外)。
定制产品需双方确认图纸后加工生产,如产品不符合客户要求需在二周内提出书面异议,客户未按规定期限提出异议视为验收合格。
如在期限内提出异议,双方确认后确属产品质量问题或未按双方确认后的要求生产,可调换或退款。如无质量问题,且发货型号与合同签订型号完整无误,则不提供退换货服务。
售后咨询
高技术网络咨询、返厂维修保养、开票、投拆提醒等重要性现象。售后维修点贴心服务电语021-51601181
企业公司群众号
中小企业快手号
公司视频图片号
厂家新郎微博
企业公司点点书