
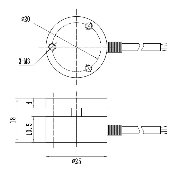
传感器接线示意图: 传感器受力图:


| 参 数 | 技术参数 | 参 数 | 技术参数 |
| 量程 | 0~2T | 材质 | 合金钢 |
| 输出灵敏度 | 1.0~2.0±0.05mV/V | 阻抗 | 350Ω |
| 零点输出 | ±1%F.S. | 绝缘电阻 | ≥5000MΩ/100VDC |
| 非线性 | 0.5%F.S. | 使用电压 | 5~10V |
| 滞后 | 0.3%F.S. | 工作温度范围 | -20~80℃ |
| 重复性 | 0.3%F.S. | 安全过载 | 120%F·S |
| 蠕变(30分钟) | 0.1%F.S. | 极限过载 | 150% |
| 温度灵敏度漂移 | 0.1%F.S./10℃ | 电缆线规格 | Φ3x2m |
| 零点温度漂移 | 0.1%F.S./10℃ | 线缆极限拉力 | 10kg |
| 响应频率 | 10kHz |
1.俄罗斯专享会294为客户提供安装调试服务,以及其他技术咨询,必要时技术人员可上门提供技术培训。客户如有技术上疑问,技术人员将在4个小时内给出回复。
2.俄罗斯专享会294物品非常严格是以ISO9001国际上效果网络体系设计的分娩,感测器器物品保质2年.仪表盘类物品保质一年,7天退货货,一生维修服务。(人为因素烧坏在保质范围之内,私人定制物品无效果问题不返没换。)3.因质量问题造成的退换货,俄罗斯专享会294将承担退换货运费。非质量问题退换货费用将由客户承担。
注:质量问题是指功能,尺寸、指标、安装方式等定制参数未按照客户提出的要求定制,功能不符,尺寸误差,精度不准(误差范围内除外)。
定制产品需双方确认图纸后加工生产,如产品不符合客户要求需在二周内提出书面异议,客户未按规定期限提出异议视为验收合格。
如在期限内提出异议,双方确认后确属产品质量问题或未按双方确认后的要求生产,可调换或退款。如无质量问题,且发货型号与合同签订型号完整无误,则不提供退换货服务。
售后咨询
技术设备咨询公司、返厂抢修、单据、举报提醒等关于问题。售后客服服务保障电話021-51601181
中小企业民众号
的企业抖音小视频号
企业的视频图片号
单位微薄
商家和小红书app