膜盒式拉水压感测器器为医用该行业有能研制成功开放的特用感应器器,选择了箔式应力应变片贴在合金属钢回热塑性弹性体上,兼具密封好、不断运动安全稳明确好等优点和缺点,膜盒式拉气压感知器以膜盒状优质的配置体为层面,设计原理是受拉或受拉区时,膜盒制造弯曲助于应对片功率电阻优化,经更换工作输出与力值不成比例的铁通号,可双重测力。 结构类型特征:结构类型紧凑型轿车轻便,能此外在线测量拉力和气压;示值较小(多数为几多100-150到上百多100-150),精确度较高;抗冲击力性不错,适用于中大型配备力检则、控制键实效性测试方法等轻载应用场景。
很广软件应用于生活消费电子器材新产品自测,医药业内,自己化机与工具人还有其他承重业内。
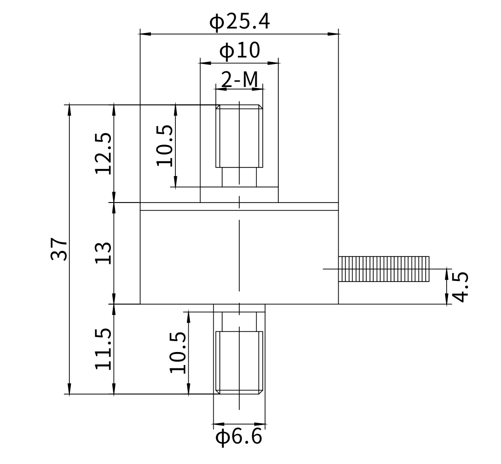
| 量程(kg) | M |
| 1-50 | M5 |
| 60-100 | M6 |
| 200-500 | M8 |
传感器接线示意图: 传感器受力图:


| 参 数 | 技术参数 | 参 数 | 技术参数 |
| 量程 | 0~500kg | 材质 | 不锈钢 |
| 输出灵敏度 | 1.0~1.5±10%mV/V | 阻抗 | 350Ω |
| 零点输出 | ±2%F.S. | 绝缘电阻 | ≥5000MΩ/100VDC |
| 非线性 | 0.3%F.S. | 使用电压 | 0~10V |
| 滞后 | 0.1%F.S. | 工作温度范围 | -20~80℃ |
| 重复性 | 0.1%F.S. | 安全过载 | 150%F·S |
| 蠕变(30分钟) | 0.2%F.S. | 极限过载 | 200% |
| 温度灵敏度漂移 | 0.1%F.S./10℃ | 电缆线规格 | Φ3x2m |
| 零点温度漂移 | 0.1%F.S./10℃ | 线缆极限拉力 | 10kg |
| 响应频率 | 10kHz |
1.俄罗斯专享会294为客户提供安装调试服务,以及其他技术咨询,必要时技术人员可上门提供技术培训。客户如有技术上疑问,技术人员将在4个小时内给出回复。
2.俄罗斯专享会294货品要从严明确ISO9001国家质理制度规划生育,感应器器货品处理在一年.设备类货品处理6年,7天退货货,終身处理。(人工坏掉不是在处理范围图,定做货品无质理的问题拒退没换。)3.因质量问题造成的退换货,俄罗斯专享会294将承担退换货运费。非质量问题退换货费用将由客户承担。
注:质量问题是指功能,尺寸、指标、安装方式等定制参数未按照客户提出的要求定制,功能不符,尺寸误差,精度不准(误差范围内除外)。
定制产品需双方确认图纸后加工生产,如产品不符合客户要求需在二周内提出书面异议,客户未按规定期限提出异议视为验收合格。
如在期限内提出异议,双方确认后确属产品质量问题或未按双方确认后的要求生产,可调换或退款。如无质量问题,且发货型号与合同签订型号完整无误,则不提供退换货服务。
售后咨询
技术应用联系、返厂维护保养、税票、匿名举报意见等相应毛病。售后维修点服务项目电语021-51601181
机构顾客号
厂家抖音视频号
单位视頻号
中小企业微薄
制造业企业点点书