
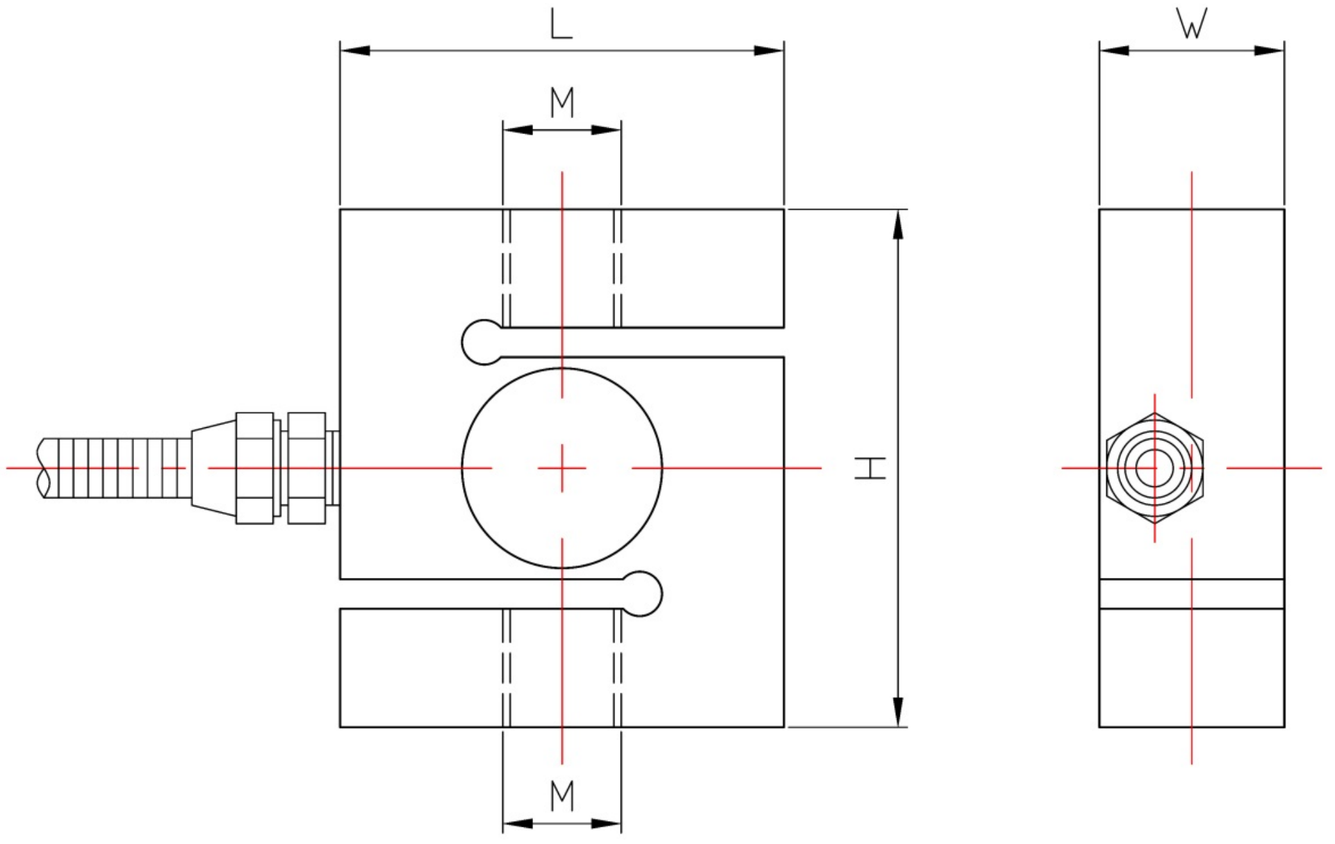
| 量 程 | L | W | H | M |
| 1t | 60 | 25 | 70 | M16×2 |
| 2t | 64 | 25 | 70 | M16×2 |
| 3~5t | 86 | 35 | 94 | M18×1.5 |
| 10t | 110 | 60 | 137 | M30×2 |
传感器接线示意图: 传感器受力图:


| 参 数 | 技术参数 | 参 数 | 技术参数 |
| 量程 | 1t~10t | 输出电阻 | 350±5Ω |
| 输出灵敏度 | 2.0±0.05mV/V | 工作温度范围 | -20~+70℃ |
| 非线性 | ±0.03~±0.05%F.S. | 安全过载 | 150%F·S |
| 滞后误差 | ±0.03%F.S. | 绝缘电阻 | ≥2000MΩ |
| 重复性误差 | ±0.03%F.S. | 激励电压 | 5V~12V |
| 蠕变 | ±0.03%F.S. | 防护等级 | IP65、IP66 |
| 零点温度系数 | ±0.05%F.S./10℃ | 材质 | 合金钢、不锈钢 |
| 灵敏度温度系数 | ±0.05%F.S./10℃ | 线缆 | Φ5x3m |
| 输入电阻 | 380±30Ω |
1.俄罗斯专享会294为客户提供安装调试服务,以及其他技术咨询,必要时技术人员可上门提供技术培训。客户如有技术上疑问,技术人员将在4个小时内给出回复。
2.俄罗斯专享会294货品严格的遵照ISO9001国际上质理组织体制制定产生,传红外感应器器货品品质保证在一年.汽车仪表盘类货品品质保证两年,7天退还货,无限期维护保养。(认为损毁不会品质保证比率,定做货品无质理事情没退不更换。)3.因质量问题造成的退换货,俄罗斯专享会294将承担退换货运费。非质量问题退换货费用将由客户承担。
注:质量问题是指功能,尺寸、指标、安装方式等定制参数未按照客户提出的要求定制,功能不符,尺寸误差,精度不准(误差范围内除外)。
定制产品需双方确认图纸后加工生产,如产品不符合客户要求需在二周内提出书面异议,客户未按规定期限提出异议视为验收合格。
如在期限内提出异议,双方确认后确属产品质量问题或未按双方确认后的要求生产,可调换或退款。如无质量问题,且发货型号与合同签订型号完整无误,则不提供退换货服务。
售后咨询
技能咨询了解、返厂维修保养、收据、投拆改进措施等关于故障。安裝服务保障电話021-51601181
厂家新闻媒体号
厂家快手视频号
各个企业短视频号
企业的新郎微博
中小企业点点书