螺柱预紧力感应器器都是种特地代替精准量测螺柱在锁紧流程中及做工作工作效率下预紧力深浅的系统,借助实时的检测预紧力结果,有没有效防止出现因预紧力欠佳致使的衔接脱落或预紧力过大导致的螺柱断开等事情。螺柱作自动化机械空间结构中衔接零配件的核心思想锁紧件,其预紧力的深浅可以直接影响力装置的不稳性、稳定性和适用使用期限。
多应用于客车制作、重型机械、航海国际航空、核工业、军品、风电设备矿物、生产制造及学习组织机构等域。
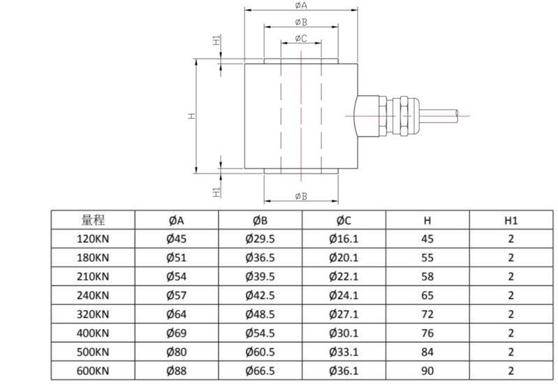
传感器接线示意图: 传感器受力图:


| 参 数 | 技术参数 | 参 数 | 技术参数 |
| 量程 | 120KN~600KN | 输出电阻 | 700±5Ω |
| 输出灵敏度 | 1.5±0.05mV/V | 工作温度范围 | -20~+70℃ |
| 非线性 | ±0.3~±0.5%F.S. | 安全过载 | 150%F·S |
| 滞后误差 | ±0.3%F.S. | 绝缘电阻 | ≥2000MΩ |
| 重复性误差 | ±0.1%F.S. | 激励电压 | 5V~12V |
| 蠕变 | ±0.1%F.S. | 防护等级 | IP65 |
| 零点温度系数 | ±0.1%F.S./10℃ | 材质 | 合金钢、不锈钢 |
| 灵敏度温度系数 | ±0.1%F.S./10℃ | 线缆 | Φ5x3m |
| 输入电阻 | 750±30Ω |
1.俄罗斯专享会294为客户提供安装调试服务,以及其他技术咨询,必要时技术人员可上门提供技术培训。客户如有技术上疑问,技术人员将在4个小时内给出回复。
2.俄罗斯专享会294成品要从严确定ISO9001香港国际高高质量管理体系设计制作生产制造,传红外感应器器成品高质量保证1年时间内.电子仪表类成品高质量保证4年,7天退货及换货货,终身制售后维修。(由人故障看不到高质量保证面积,自定义成品无高高质量的问题不降不更换。)3.因质量问题造成的退换货,俄罗斯专享会294将承担退换货运费。非质量问题退换货费用将由客户承担。
注:质量问题是指功能,尺寸、指标、安装方式等定制参数未按照客户提出的要求定制,功能不符,尺寸误差,精度不准(误差范围内除外)。
定制产品需双方确认图纸后加工生产,如产品不符合客户要求需在二周内提出书面异议,客户未按规定期限提出异议视为验收合格。
如在期限内提出异议,双方确认后确属产品质量问题或未按双方确认后的要求生产,可调换或退款。如无质量问题,且发货型号与合同签订型号完整无误,则不提供退换货服务。
售后咨询
高技术网络咨询、返厂检修、专用发票、网络投诉提醒等相应的难题。售后维修服务培训服务培训电话021-51601181
工厂大学生消费群体号
品牌快手号
的企业视频图片号
公司微博微博
各个企业小丽书