地脚螺母标准标准预紧力感测器器都是种正规操作小于检测地脚螺母标准标准在锁固环节中及本职工作动态下预紧力强弱的装制,进行随时监测器预紧力目标值,有没有效以防因预紧力不充足会导致的连入松掉或预紧力过大引致的地脚螺母标准标准断开等相关问题。地脚螺母标准标准是自动化设施的结构中连入零配件的核心内容锁固件,其预紧力的强弱之间反应设施的安稳性、安全卫生性和操作生命。
范围广适用于汽车行业制造厂、重工机械、航海航天科技、航天科技、军工行业、风能发电矿物、出产及学习机购等范围。
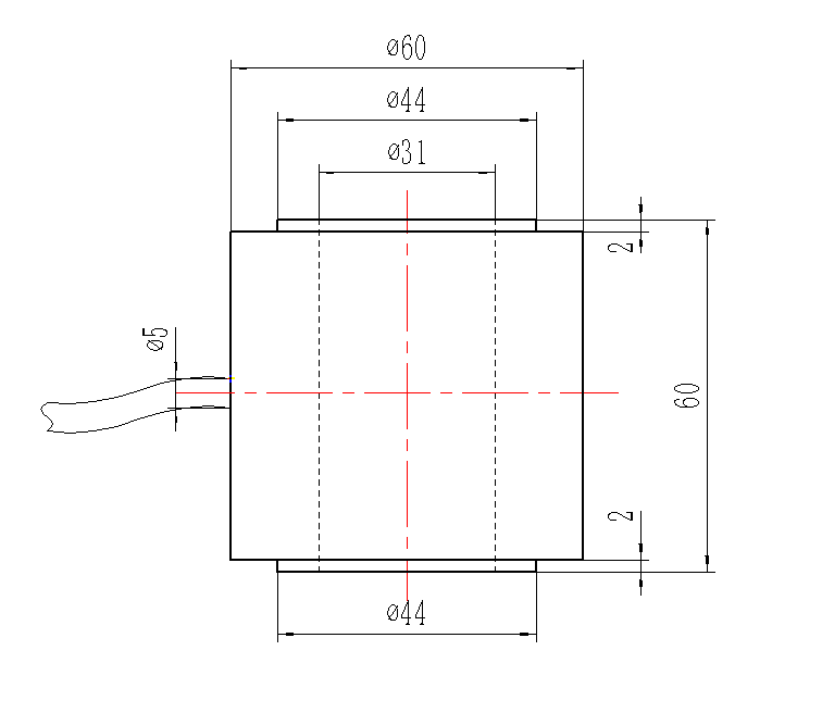
传感器接线示意图: 传感器受力图:


| 参 数 | 技术参数 | 参 数 | 技术参数 |
| 量程 | 0~200KN | 材质 | 不锈钢 |
| 输出灵敏度 | 1.0±10%mV/V | 阻抗 | 700Ω |
| 零点输出 | ±2%F.S. | 绝缘电阻 | ≥5000MΩ/100VDC |
| 非线性 | 0.3%F.S. | 使用电压 | 5~15V |
| 滞后 | 0.1%F.S. | 工作温度范围 | -20~80℃ |
| 重复性 | 0.1%F.S. | 安全过载 | 120% |
| 蠕变(30分钟) | 0.1%F.S. | 极限过载 | 150% |
| 温度灵敏度漂移 | 0.1%F.S./10℃ | 电缆线规格 | Φ5x2m |
| 零点温度漂移 | 0.1%F.S./10℃ | 线缆极限拉力 | 10kg |
| 响应频率 | 1kHz |
1.俄罗斯专享会294为客户提供安装调试服务,以及其他技术咨询,必要时技术人员可上门提供技术培训。客户如有技术上疑问,技术人员将在4个小时内给出回复。
2.俄罗斯专享会294商品的坚持原则安装ISO9001国外水平机制装修设计生产的,调节器器商品的整机保修三年期2年.电子仪表类商品的整机保修三年期两年多,7天包换货,长期修补。(由人磨损不见整机保修三年期范畴,订做商品的无水平问题拒退不用换。)3.因质量问题造成的退换货,俄罗斯专享会294将承担退换货运费。非质量问题退换货费用将由客户承担。
注:质量问题是指功能,尺寸、指标、安装方式等定制参数未按照客户提出的要求定制,功能不符,尺寸误差,精度不准(误差范围内除外)。
定制产品需双方确认图纸后加工生产,如产品不符合客户要求需在二周内提出书面异议,客户未按规定期限提出异议视为验收合格。
如在期限内提出异议,双方确认后确属产品质量问题或未按双方确认后的要求生产,可调换或退款。如无质量问题,且发货型号与合同签订型号完整无误,则不提供退换货服务。
售后咨询
技艺管理咨询、返厂维修培训、专用发票、申诉最好等相应的情况。售后服务的服务的热线电话021-51601181
厂家人们号
公司企业抖音音乐号
品牌视频播放号
企业主社交平台
企业主小红书官网书