悬臂梁式调节器器韧性体应用剪接或弯折悬臂梁设计,一面不变、一面反力,能力超高低,设计力度大,用于于各样伸拉力和压缩视频力的负载和检测的。具备有防潮密闭、分度值范围内广、靠谱性强,精密度大、能力动态平衡靠谱、装置选用利于等特色。
大面积应用软件于智能秤、电子衡器等很多测力、称量的工业制造手动化在测量把握平台。
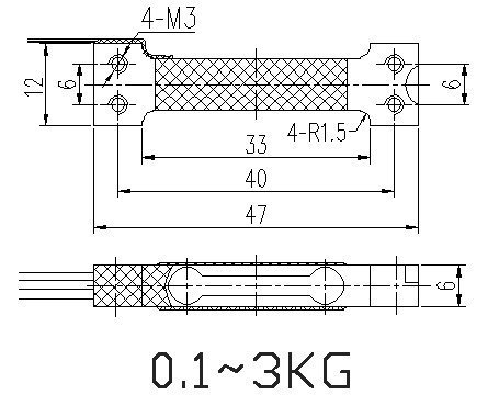
传感器接线示意图: 传感器受力图:


| 参 数 | 技术参数 | 参 数 | 技术参数 |
| 量程 | 0.1kg~3kg | 输出电阻 | 10000±5Ω |
| 输出灵敏度 | 1±10%mV/V | 绝缘电阻 | ≥5000MΩ/100VDC |
| 零点输出 | ±1%F.S. | 激励电压 | 5-10VDC |
| 非线性 | ±0.03%F.S. | 温度补偿范围 | -10~60℃ |
| 滞后误差 | ≤0.05%F.S. | 工作温度范围 | -20~65℃ |
| 重复性误差 | ≤0.05%F.S. | 安全过载 | 150%FS |
| 蠕变 | ≤0.05%F.S. | 极限超载 | 200%FS |
| 零点温度系数 | ±0.05%F.S./10℃ | 电缆线长度 | 四色排线 |
| 灵敏度温度系数 | ±0.05%F.S./10℃ | 电气连接 | 红/E+,黑/E-, 绿S+,白/S- |
| 输入电阻 | 1000±10Ω | 材质 | 铝合金 |
| 四角误差 | 0.02%加载值/100mm |
1.俄罗斯专享会294为客户提供安装调试服务,以及其他技术咨询,必要时技术人员可上门提供技术培训。客户如有技术上疑问,技术人员将在4个小时内给出回复。
2.俄罗斯专享会294车辆严要求遵循ISO9001新国际效率风险管理体系制定生产销售,感知器车辆保修期限2年.汽车仪表盘类车辆保修期限4年,7天包换货,无期限维护。(关键在于受损在保修期限区域,自定义车辆无效率一些问题不返不改。)3.因质量问题造成的退换货,俄罗斯专享会294将承担退换货运费。非质量问题退换货费用将由客户承担。
注:质量问题是指功能,尺寸、指标、安装方式等定制参数未按照客户提出的要求定制,功能不符,尺寸误差,精度不准(误差范围内除外)。
定制产品需双方确认图纸后加工生产,如产品不符合客户要求需在二周内提出书面异议,客户未按规定期限提出异议视为验收合格。
如在期限内提出异议,双方确认后确属产品质量问题或未按双方确认后的要求生产,可调换或退款。如无质量问题,且发货型号与合同签订型号完整无误,则不提供退换货服务。
售后咨询
工艺了解、返厂维护保养、单据、匿名举报建议大家等想关相关问题。售后客服贴心咨询热线电话021-51601181
客户人们号
的企业逗音号
行业短视频号
公司企业微博文章
企业公司聚美优品书