悬臂梁式传传感系统器塑性体用到剪截或弯度悬臂梁结构特征,那端固定位置,那端反力,施用明面低,节构构造高。该用于各种各样拉长力或收缩力的搭建和校正。具备防火封口、满量程范畴广、耐热性安全稳定牢靠、安装施用施用有利等特性。
非常广泛适宜于自動化秤、电子衡器等所有测力、测重的化工业自動化机动车辆管控软件。
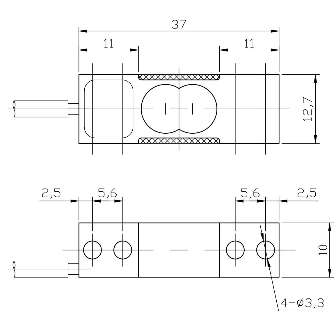
传感器接线示意图: 传感器受力图:


| 参 数 | 技术参数 | 参 数 | 技术参数 |
| 量程 | 0~10KG | 输出电阻 | 350±5Ω |
| 输出灵敏度 | 1.0mV/V | 工作温度范围 | -20~+70℃ |
| 非线性 | ±0.1~±0.2%F.S. | 安全过载 | 120%F·S |
| 滞后误差 | ±0.1%F.S. | 绝缘电阻 | ≥2000MΩ |
| 重复性误差 | ±0.1%F.S. | 激励电压 | 10V |
| 蠕变 | ±0.1%F.S. | 防护等级 | IP65、IP66 |
| 零点温度系数 | ±0.05%F.S./10℃ | 材质 | 合金钢 |
| 灵敏度温度系数 | ±0.05%F.S./10℃ | 线缆 | Φ5x3m |
| 输入电阻 | 380±30Ω |
1.俄罗斯专享会294为客户提供安装调试服务,以及其他技术咨询,必要时技术人员可上门提供技术培训。客户如有技术上疑问,技术人员将在4个小时内给出回复。
2.俄罗斯专享会294產品非常严格按ISO9001全球品质安全体系制作生产销售,感知器產品保修期限1年时间内.汽车仪表盘类產品保修期限两年,7天包换货,无限期维修部。(应为人为弄坏没在保修期限面积,设计產品无品质故障不返只换。)3.因质量问题造成的退换货,俄罗斯专享会294将承担退换货运费。非质量问题退换货费用将由客户承担。
注:质量问题是指功能,尺寸、指标、安装方式等定制参数未按照客户提出的要求定制,功能不符,尺寸误差,精度不准(误差范围内除外)。
定制产品需双方确认图纸后加工生产,如产品不符合客户要求需在二周内提出书面异议,客户未按规定期限提出异议视为验收合格。
如在期限内提出异议,双方确认后确属产品质量问题或未按双方确认后的要求生产,可调换或退款。如无质量问题,且发货型号与合同签订型号完整无误,则不提供退换货服务。
售后咨询
能力管理咨询、返厂维修工作、收据、投诉信个人建议等涉及到状况。售后维修工作工作电语021-51601181
厂家媒体号
企业火山小视频号
单位视頻号
公司新浪微博微博
公司企业点点书