悬臂梁式传還是器柔软性体选用不锈钢属,用粘合剂封好到IP65,表面能阳极空气氧化,玻璃钢防腐,全局设备构造,安装程序更方便。悬臂梁感测器器以**悬臂梁式弹力体**为价值体系,关键技术是在梁的随心所欲端承受力(多见各种有压力值)时,梁体有耐折弯曲,使填充的应力应变片电阻功率发生改变,经准换输入输出与力值正相关的电信网号,重要应用于各种有压力值或计重系统探测。 优缺点:的结构便宜,创作费用较低;测量范围便宜(大多数几斤到百余斤),控制精度稳定性;装置便宜,合适APP计重系统、不同规格的中小型料罐总重量监测网、皮带款的秤弹力探测等以各种有压力值相结合的场面,对拉力的适于性稍弱。
丰富应主要用于手机秤、电子衡器等一些测力、计重的行业会自动把控该车辆把控系统软件。
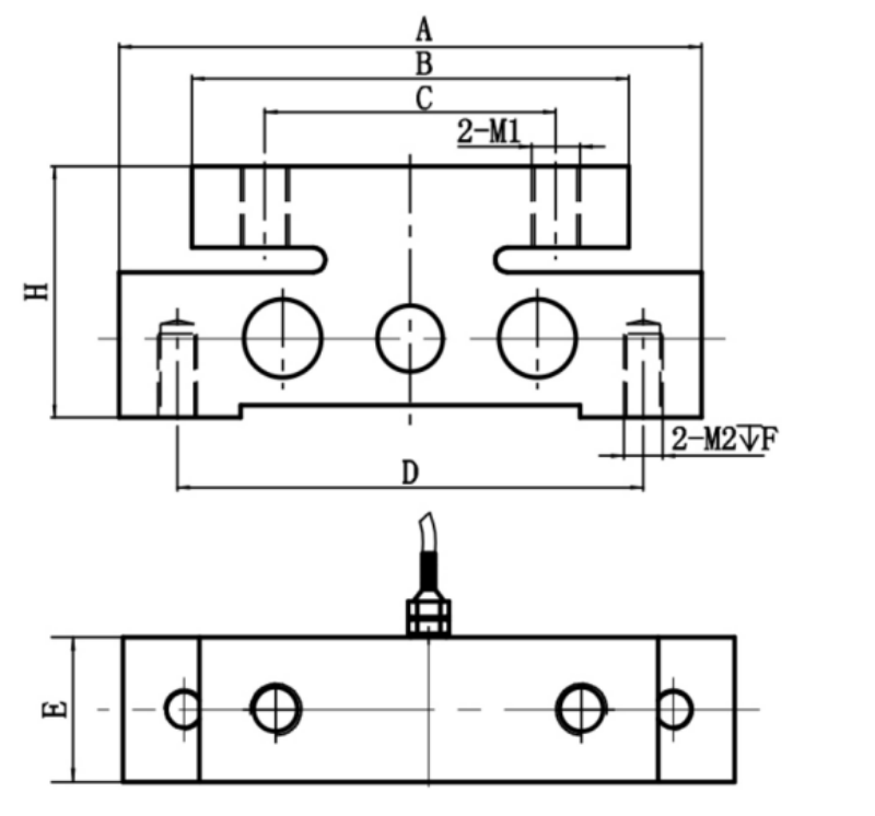
| 量 程 | A | B | C | D | E | H | M1 | M2 | F |
| 1-5T | 220 | 140 | 110 | 186 | 45 | 85 | M16 | M12 | 20 |
| 10-20T | 240 | 180 | 120 | 192 | 50 | 93 | M20 | M16 | 30 |
| 30T | 240 | 180 | 120 | 192 | 56 | 102 | M20 | M16 | 30 |
传感器接线示意图: 传感器受力图:


| 参 数 | 技术参数 | 参 数 | 技术参数 |
| 量程 | 1~30T | 材质 | 合金钢 |
| 输出灵敏度 | 1.0±0.05mV/V | 阻抗 | 700Ω |
| 零点输出 | ±1%F.S. | 绝缘电阻 | ≥5000MΩ/100VDC |
| 非线性 | 0.2%F.S. | 使用电压 | 5~15V |
| 滞后 | 0.2%F.S. | 工作温度范围 | -20~60℃ |
| 重复性 | 0.1%F.S. | 安全过载 | 150%F·S |
| 蠕变(30分钟) | 0.1%F.S. | 极限过载 | 200% |
| 温度灵敏度漂移 | 0.03%F.S./10℃ | 电缆线规格 | Φ5x5m |
| 零点温度漂移 | 0.03%F.S./10℃ | 线缆极限拉力 | 10kg |
| 响应频率 | 10kHz |
1.俄罗斯专享会294为客户提供安装调试服务,以及其他技术咨询,必要时技术人员可上门提供技术培训。客户如有技术上疑问,技术人员将在4个小时内给出回复。
2.俄罗斯专享会294的设备要严都按照ISO9001國际重量保障体系构思研发,传调节器器的设备保修期限半年.义表类的设备保修期限几年,7天退货退款货,一辈子抢修。(其他坏损没有保修期限范畴,定制开发的设备无重量方面没退只换。)3.因质量问题造成的退换货,俄罗斯专享会294将承担退换货运费。非质量问题退换货费用将由客户承担。
注:质量问题是指功能,尺寸、指标、安装方式等定制参数未按照客户提出的要求定制,功能不符,尺寸误差,精度不准(误差范围内除外)。
定制产品需双方确认图纸后加工生产,如产品不符合客户要求需在二周内提出书面异议,客户未按规定期限提出异议视为验收合格。
如在期限内提出异议,双方确认后确属产品质量问题或未按双方确认后的要求生产,可调换或退款。如无质量问题,且发货型号与合同签订型号完整无误,则不提供退换货服务。
售后咨询
枝术资询、返厂维护保养、普通发票、投拆小编建议等想关大问题。售后维修业务电話021-51601181
企业主群众号
制造业企业小咖秀号
中小型企业视频播放号
各个企业腾讯微博
公司小红书官网书