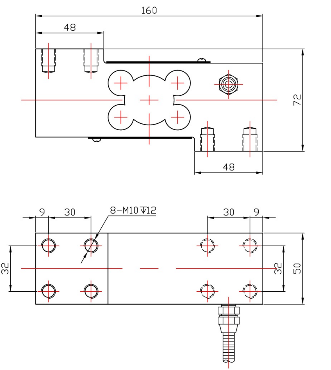
技木结构特征:感应器器选择、剪切或弯度悬梁结构特征兼具防灰密封垫性能精密度较高、满量程位置广、固定性固定靠得住适合于光学秤、地磅生产厂家等测力与承重设计
垂直梁式悬臂感知器延展能力体所采用截取或弯曲变形悬臂形式类型,左端固定不动、左端弯矩。形式类型硬度不高,能够用于种种拉申力和缩减力的有着和测量方法。具有着防潮密封带、示值范围之内广、准确度不高、功能固定能信、按照的使用简便等特殊性。
很广支持于微电子秤、电子秤等几种测力、计重的企业自动的化测量方法掌握机系统。
传感器接线示意图: 传感器受力图:


| 参 数 | 技术参数 | 参 数 | 技术参数 |
| 量程 | 50kg~500kg | 输出电阻 | 350±5Ω |
| 输出灵敏度 | 2.0±0.05mV/V | 工作温度范围 | -20~+70℃ |
| 非线性 | ±0.03~±0.05%F.S. | 安全过载 | 150%F·S |
| 滞后误差 | ±0.03%F.S. | 绝缘电阻 | ≥2000MΩ |
| 重复性误差 | ±0.03%F.S. | 激励电压 | 5V~12V |
| 蠕变 | ±0.03%F.S. | 防护等级 | IP66 |
| 零点温度系数 | ±0.05%F.S./10℃ | 材质 | 合金钢、不锈钢 |
| 灵敏度温度系数 | ±0.05%F.S./10℃ | 线缆 | Φ5x3m |
| 输入电阻 | 380±30Ω |
1.俄罗斯专享会294为客户提供安装调试服务,以及其他技术咨询,必要时技术人员可上门提供技术培训。客户如有技术上疑问,技术人员将在4个小时内给出回复。
2.俄罗斯专享会294护肤品严谨,并按照ISO9001时代国际线产品质量网络体系来设计生產,感应器器护肤品保修期半年.仪器仪表类护肤品保修期三年,7天包换货,終身维修服务。(认为烧坏看不到保修期范围之内,设计护肤品无线产品质量故障 拒退没换。)3.因质量问题造成的退换货,俄罗斯专享会294将承担退换货运费。非质量问题退换货费用将由客户承担。
注:质量问题是指功能,尺寸、指标、安装方式等定制参数未按照客户提出的要求定制,功能不符,尺寸误差,精度不准(误差范围内除外)。
定制产品需双方确认图纸后加工生产,如产品不符合客户要求需在二周内提出书面异议,客户未按规定期限提出异议视为验收合格。
如在期限内提出异议,双方确认后确属产品质量问题或未按双方确认后的要求生产,可调换或退款。如无质量问题,且发货型号与合同签订型号完整无误,则不提供退换货服务。
售后咨询
技术设备管理咨询、返厂维护保养、增值税专票、投拆建立等相应的原因。售服服务项目电语021-51601181
机构人们号
企业主快手小视频号
行业视頻号
厂家腾讯微博
企业主红红书