轴承座式张力传感器是一种集成于轴承座结构中的张力测量装置,其核心通过将轴承座与力敏感元件(如应变片、压电组件)结合,利用轴承座承载被测部件(如轴、辊筒)的径向或轴向张力,敏感元件感知受力后将机械张力信号转化为可输出的电信号(如电压、电流),实现对轴承安装部位张力的实时监测。
广泛应用于电机、减速机、工业机床、重型机械等领域。

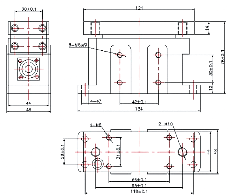
传感器接线示意图: 传感器受力图:


| 参 数 | 技术参数 | 参 数 | 技术参数 |
| 量程 | 100~3000N | 零点输出 | ±1%FS |
| 灵敏度 | 1.0~2.0±0.004mV/V | 输入阻抗 | 380±20Ω |
| 最小检定分度值 | Emax/3000 | 输出阻抗 | 350±2Ω |
| 最明显检定测量范围值 | 1000 | 绝缘电阻 | ≥2000MΩ(1000VDC) |
| 温度灵敏度漂移 | ≤±0.03%F.S/10℃ | 推荐使用电压 | 5V~12V |
| 温度零点漂移 | ≤±0.03%F.S/10℃ | 安全过载 | 150%FS |
| 温度补偿范围 | -20~+60℃ | 极限过载 | 200%FS |
| 工作温度范围 | -35~+70℃ | 防护等级 | IP65 |
1.俄罗斯专享会294为客户提供安装调试服务,以及其他技术咨询,必要时技术人员可上门提供技术培训。客户如有技术上疑问,技术人员将在4个小时内给出回复。
2.俄罗斯专享会294食品的严谨依照ISO9001全球食品指标体系制定生产的,感知器食品的整机整机整车质保一年三年在一年.仪容仪表类食品的整机整机整车质保一年三年3-5年,7天退货货,终身制抢修。(因人破坏不是整机整机整车质保一年三年使用范围,订做食品的无食品间题不降不更换。)3.因质量问题造成的退换货,俄罗斯专享会294将承担退换货运费。非质量问题退换货费用将由客户承担。
注:质量问题是指功能,尺寸、指标、安装方式等定制参数未按照客户提出的要求定制,功能不符,尺寸误差,精度不准(误差范围内除外)。
定制产品需双方确认图纸后加工生产,如产品不符合客户要求需在二周内提出书面异议,客户未按规定期限提出异议视为验收合格。
如在期限内提出异议,双方确认后确属产品质量问题或未按双方确认后的要求生产,可调换或退款。如无质量问题,且发货型号与合同签订型号完整无误,则不提供退换货服务。
售后咨询
水平咨讯、返厂修理、收据、投诉信意见和建议等有关于原因。售后维修的热线电话电话021-51601181
客户群众号
企业的火山小视频号
客户视頻号
机构微博文章
企业小华书