径向张力传感器是一种专门用于检测物体在径向方向(即垂直于轴线或接触面法线方向)所受张力或压力的传感装置。其核心原理是通过敏感元件(如应变片、压电材料等)感知径向力的作用,将机械张力信号转化为可测量的电信号(如电压、电流),从而实现对径向张力的实时监测或量化分析。
适用于纺织纱线、金属丝、布带张力等工业自动化测量控制系统。
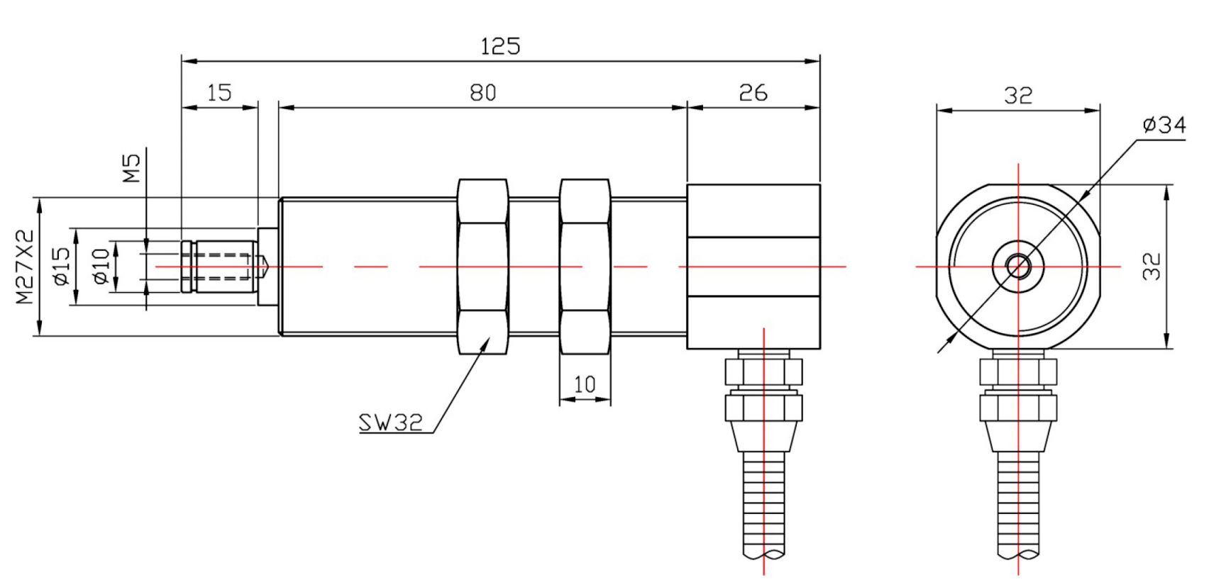
广泛应用于轴承预紧力检测、管道内压监测、圆形线缆径向张力控制等领域。

传感器接线示意图: 传感器受力图:


| 参 数 | 技术参数 | 参 数 | 技术参数 |
| 量程 | 10kg~50kg | 输出电阻 | 350±5Ω |
| 输出灵敏度 | 1.5±0.05mV/V | 工作温度范围 | -20~+70℃ |
| 非线性 | ±0.05~±0.1%F.S. | 安全过载 | 150%F·S |
| 滞后误差 | ±0.05%F.S. | 绝缘电阻 | ≥2000MΩ |
| 重复性误差 | ±0.05%F.S. | 激励电压 | 5V~12V |
| 蠕变 | ±0.05%F.S. | 防护等级 | IP65 |
| 零点温度系数 | ±0.05%F.S./10℃ | 材质 | 不锈钢 |
| 灵敏度温度系数 | ±0.05%F.S./10℃ | 线缆 | Φ5x3m |
| 输入电阻 | 380±30Ω |
1.俄罗斯专享会294为客户提供安装调试服务,以及其他技术咨询,必要时技术人员可上门提供技术培训。客户如有技术上疑问,技术人员将在4个小时内给出回复。
2.俄罗斯专享会294物料认真安装ISO9001国际上质体制规划分娩,调节器器物料质保证期1年时间内.仪器类物料质保证期五年,7天退还货,长期修理。(人为因素顺坏不再质保证期范围内,个性定制物料无质方面不降不用换。)3.因质量问题造成的退换货,俄罗斯专享会294将承担退换货运费。非质量问题退换货费用将由客户承担。
注:质量问题是指功能,尺寸、指标、安装方式等定制参数未按照客户提出的要求定制,功能不符,尺寸误差,精度不准(误差范围内除外)。
定制产品需双方确认图纸后加工生产,如产品不符合客户要求需在二周内提出书面异议,客户未按规定期限提出异议视为验收合格。
如在期限内提出异议,双方确认后确属产品质量问题或未按双方确认后的要求生产,可调换或退款。如无质量问题,且发货型号与合同签订型号完整无误,则不提供退换货服务。
售后咨询
的技术在线咨询、返厂处理、税票、客户投诉提醒等想关现象。售后维修点精准服务咨询热线021-51601181
公司企业民众号
工厂逗音号
机构短视频号
制造业企业微博微博
品牌红红书