二维力调节器器一种也能同一时间在測量2个目标方向上的力或力距的调节器器。体系机构热敏热敏电阻值应变力速率片的调节器器,利于热敏热敏电阻值应变力速率片在弯矩时热敏热敏电阻值发生了变化规律的性能指标,将力或力距换为为联通网络号。拥有高弯曲刚度,高自然是速率,高耐载特性,采用于动态图片在測量。机构紧凑型suv,按照快捷,使用率空间小。货品房价较高,都要我厂作为职业 的自校和保养指导性。由于平均温度、内部含水率、电磁能都要采取拆迁补偿或手机屏蔽。在測量移动信号也许 长期存在串扰或不是平滑,我厂骚扰等区域条件的影晌,可采取校准或解耦。
广泛应用于工业自动化、机器人、医疗、科研、智能装备、航空航天等领域。

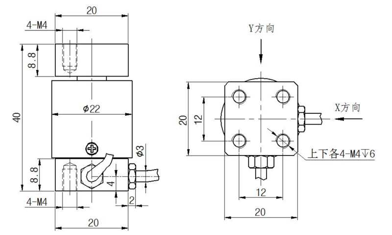
传感器接线示意图: 传感器受力图:


| 测量范围 | 0~20,40kg |
| 综合精度 | ±0.1%FS;±0.2%FS |
| 输出灵敏度 | 1~1.5mV/V±10%F.S. |
| 零点温度范围 | ±0.03%FS |
| 满度温度影响 | ±0.03%FS |
| 补偿温度范围 | -10~60℃ |
| 工作温度范围 | -20~75℃ |
| 供电电压 | 5~10VDC |
| 输入电阻 | 350±20Ω |
| 输出电阻 | 350±10Ω |
| 响应频率 | 100μS |
| 绝缘电阻 | ≥2000MΩ/100VDC |
| 安全超载 | 150% F.S |
| 极限超载 | 200% F.S |
| 电缆线尺寸 | Φ3×3m |
| 材质 | 17-4PH不锈钢、合金钢或铝合金 |
1.俄罗斯专享会294为客户提供安装调试服务,以及其他技术咨询,必要时技术人员可上门提供技术培训。客户如有技术上疑问,技术人员将在4个小时内给出回复。
2.俄罗斯专享会294企业软件严要求安装ISO9001新国际品质装修标准结构设计制造,感测器器企业软件整机整机保修期一年三年在一年.仪盘表类企业软件整机整机保修期一年三年几年,7天退还货,无期限保修。(因人毁损没在整机整机保修期一年三年依据,定制化企业软件无品质疑问不降不更换。)3.因质量问题造成的退换货,俄罗斯专享会294将承担退换货运费。非质量问题退换货费用将由客户承担。
注:质量问题是指功能,尺寸、指标、安装方式等定制参数未按照客户提出的要求定制,功能不符,尺寸误差,精度不准(误差范围内除外)。
定制产品需双方确认图纸后加工生产,如产品不符合客户要求需在二周内提出书面异议,客户未按规定期限提出异议视为验收合格。
如在期限内提出异议,双方确认后确属产品质量问题或未按双方确认后的要求生产,可调换或退款。如无质量问题,且发货型号与合同签订型号完整无误,则不提供退换货服务。
售后咨询
系统详询、返厂维护保养、单据、网络投诉觉得等想关话题。售后客服提供服务热线电话021-51601181
中小型企业公共号
品牌斗音号
制造业企业视頻号
机构新浪微博
企业公司和小红书的