三维图像力传控制器器都是种才能一起预估几个方问上的力或转矩的传控制器器。由于功率电阻功率功率应对片的传控制器器,通过功率电阻功率功率应对片在支承时功率电阻功率功率情况改变的性状,将力或转矩准换为联通宽带号。有着高钢度,高生态频繁 ,高耐载水平,适用人群于技术性预估。设备构造紧凑型suv,怎么安装便捷,占余地小。新产品产品报价较高,要我厂具备专科的调校和保护辅导。会受到温、对自然环境湿度的、电磁波要通过赔偿标准或屏蔽了。预估数据将会普遍存在串扰布尔代数线型,我厂干忧等自然环境原则的影响力,可通过效准或解耦。
广泛应用于工业自动化、机器人、医疗、科研、智能装备、航空航天等领域。

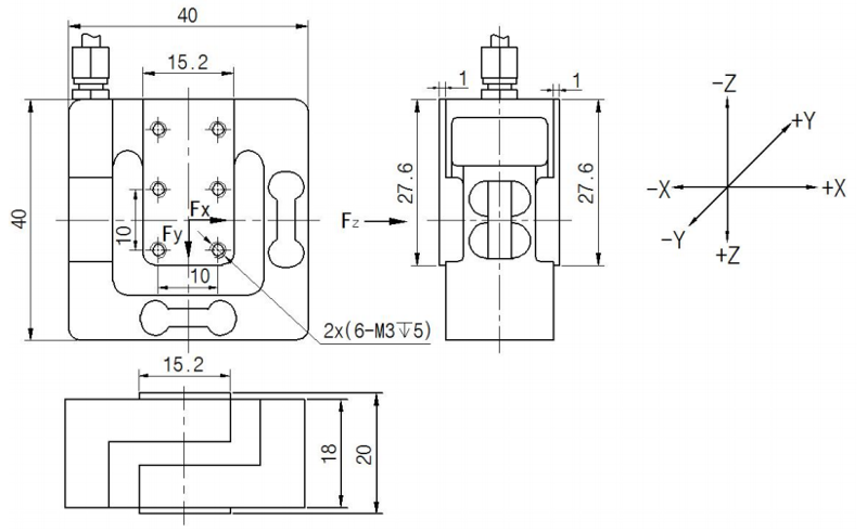
传感器接线示意图: 传感器受力图:


| 测量范围 | 2,3,5,10KG(铝),20kg(钢) |
| 综合精度 | ±0.1%FS;±0.2%FS |
| 输出灵敏度 | 1mV/V±10%F.S. |
| 零点温度范围 | ±0.03%FS |
| 满度温度影响 | ±0.03%FS |
| 补偿温度范围 | -10~60℃ |
| 工作温度范围 | -20~75℃ |
| 供电电压 | 5~10VDC |
| 输入电阻 | 350±20Ω |
| 输出电阻 | 350±10Ω |
| 响应频率 | 1khz |
| 绝缘电阻 | ≥2000MΩ/100VDC |
| 安全超载 | 150% F.S |
| 极限超载 | 200% F.S |
| 电缆线尺寸 | Φ3×3m |
| 材质 | 17-4PH不锈钢、合金钢或铝合金 |
| 电气连接 | 12线制 |
大客户: 联系客服-咨询行业解决方案-确认产品型号参数-签订相关技术合同-付款-物流发货-签收
1.俄罗斯专享会294为客户提供安装调试服务,以及其他技术咨询,必要时技术人员可上门提供技术培训。客户如有技术上疑问,技术人员将在4个小时内给出回复。
2.俄罗斯专享会294食品严格的如果根据ISO9001國际的品质管理体系的设计的生产,感知器食品整机整机整车质保三年一年两年.智能仪表类食品整机整机整车质保三年一年两年,7天退货退款货,无限期维修保养。(人员烧坏不见整机整机整车质保三年一年比率,制作食品无的品质难题没退不改。)3.因质量问题造成的退换货,俄罗斯专享会294将承担退换货运费。非质量问题退换货费用将由客户承担。
注:质量问题是指功能,尺寸、指标、安装方式等定制参数未按照客户提出的要求定制,功能不符,尺寸误差,精度不准(误差范围内除外)。
定制产品需双方确认图纸后加工生产,如产品不符合客户要求需在二周内提出书面异议,客户未按规定期限提出异议视为验收合格。
如在期限内提出异议,双方确认后确属产品质量问题或未按双方确认后的要求生产,可调换或退款。如无质量问题,且发货型号与合同签订型号完整无误,则不提供退换货服务。
售后咨询
水平质询、返厂抢修、收据、客户投诉最好是等有关现象。安裝服务性电話021-51601181
公司企业民众号
行业快手视频号
机构视频播放号
的企业网页微博
品牌小丽书