技木结构特征:的精密度提高,频响快,耐用度长,性能指标不稳定性可以信赖可极速长用时高速运转,输送正负极转力矩预警两端均为键接连,组装食用方便快捷
诸多操作于工业园制造厂与自动式化,交通银行游戏装备,能源资源与能装置,科学与实践等科技领域。

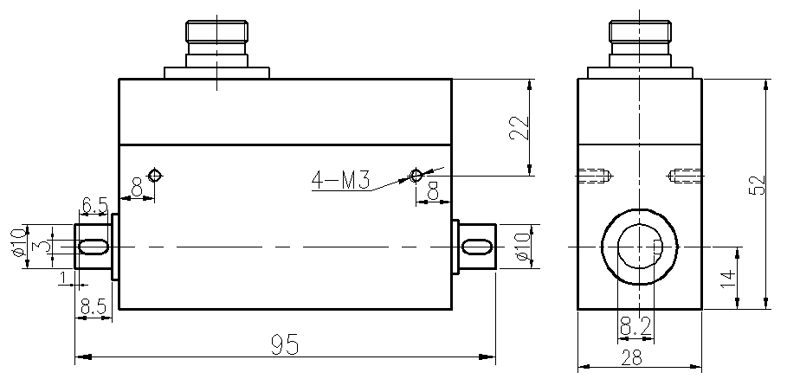
| 量测规模 | 0~0.1/0.2/0.3/0.5/1/2/3/5Nm |
| 打印输出敏锐度 | 1.0~2.0mV/V |
| 网络综合gps精度 | ±0.1;±0.3;±0.5%F·S(波形+重新性+滞缓) |
| 做工作体温 | -20~+65℃ |
| 环境温度弥补范畴 | -10~+60℃ |
| 零零体温危害 | ±0.1%F·S/10℃ |
| 激励机制端电压 | 5~15VDC(建议电流值10VDC) |
| 绝缘阻值阻值 | 2000MΩ/100VDC |
| 进入内阻 | 700±10/350±10Ω |
| 输出电压电阻值 | 700±5/350±5Ω |
| 零零打出 | 0~±1%F·S |
| 可靠过功率因数补偿率 | 120%F·S |
| 生产日期标准的线长 | 3m |
| 电力设备相连习惯 | 红/E+,黑/E-,绿/S+,白/S- |
1.俄罗斯专享会294为客户提供安装调试服务,以及其他技术咨询,必要时技术人员可上门提供技术培训。客户如有技术上疑问,技术人员将在4个小时内给出回复。
2.俄罗斯专享会294货品要从严遵循ISO9001国.际质理体系中结构设计生产加工,传调节器器货品保质一年.仪容仪表类货品保质5年,7天退还货,无期限修补。(被人故意坏损不会保质规模,个性货品无质理话题不返只换。)3.因质量问题造成的退换货,俄罗斯专享会294将承担退换货运费。非质量问题退换货费用将由客户承担。
注:质量问题是指功能,尺寸、指标、安装方式等定制参数未按照客户提出的要求定制,功能不符,尺寸误差,精度不准(误差范围内除外)。
定制产品需双方确认图纸后加工生产,如产品不符合客户要求需在二周内提出书面异议,客户未按规定期限提出异议视为验收合格。
如在期限内提出异议,双方确认后确属产品质量问题或未按双方确认后的要求生产,可调换或退款。如无质量问题,且发货型号与合同签订型号完整无误,则不提供退换货服务。
售后咨询
新技术管理咨询、返厂维修部、普通发票、投诉信意见建议等有关的现象。售后维修服务管理服务管理电話021-51601181
企业的人们号
厂家快手视频号
客户视频图片号
厂家网页微博
中小企业微博书