技术工艺共同点:准确更高,频响快,寿命短长,安全稳定性安全稳定可信度沒有集流环等受到磨损件,可高速公路长精力工作,输送正负极转功率走势两端均为键对接,装配用到便捷转动速度多达1800转/20分钟。可测转动速度
技术性扭距感应器器,在线检侧高精较高,比较稳相关性好,抗干忧的能力强,密度小,载很轻,易装,可高速度长事件持续运行,输入精度正反面转扭距信息,两端均为键接入,装适用快捷,是对不同拖动同或拖因素器部件上对转动耗油率触觉的在线检侧。扭距感应器器将扭力超大超大的生物学不同换为成精度的电信网息。扭距感应器器可以用在生产加工粘稠度计,电动四轮式扭力超大超大扳子,引入电动四轮式机、四冲程发动机等拖动驱动力环保设备的输入精度扭距及耗油率。
普遍操作于实业制造厂与自行化,路网武器装备,能源系统与干劲机械设备,科技研究与实验性等领域。
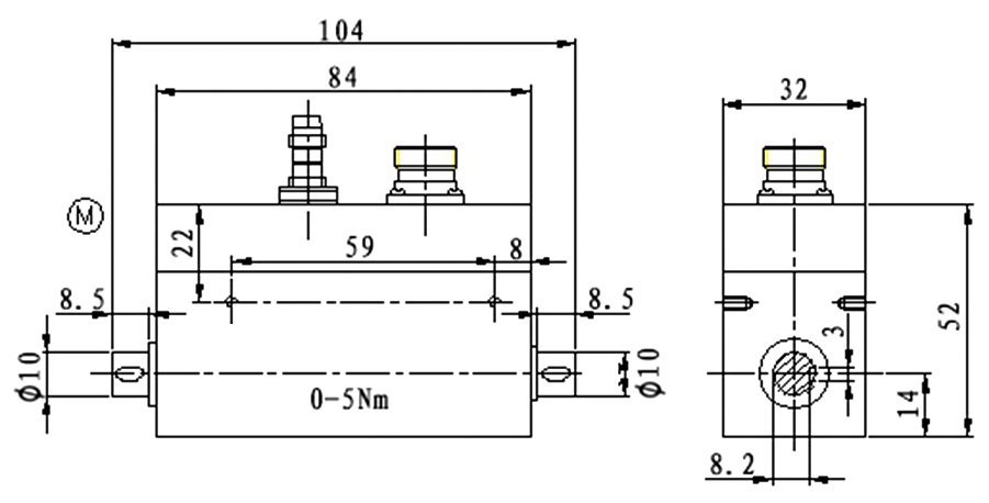
| 测量范围 | 0~5Nm |
| 灵敏度 | 1.5±10%mV/V |
| 零点输出 | ±1%FS |
| 非线性 | ±0.1%FS;±0.3%FS |
| 滞后 | ≤±0.05%FS |
| 重复性 | ≤±0.05%FS |
| 蠕变 | ≤0.03%FS/30min |
| 温度灵敏度漂移 | 0.03%FS/10℃ |
| 零点温度漂移 | 0.03%FS/10℃ |
| 输入电阻 | 750±10/350±10Ω |
| 输出电阻 | 700±5/350±5Ω |
| 响应频率 | 100μS |
| 绝缘电阻 | ≥5000MΩ/100VDC |
| 激励电压 | 10VDC(5-15VDC) |
| 温度补偿范围 | -10~60℃ |
| 工作温度范围 | -20~65℃ |
| 安全超载 | 150%FS |
| 极限超载 | 200%FS |
| 电缆线尺寸 | ∅5.2x3m |
| 电气连接 | 红/E+,黑/E-,绿/S+,白/S- |
| 材质 | 铝,不锈钢或合金钢 |
1.俄罗斯专享会294为客户提供安装调试服务,以及其他技术咨询,必要时技术人员可上门提供技术培训。客户如有技术上疑问,技术人员将在4个小时内给出回复。
2.俄罗斯专享会294產品坚持原则采用ISO9001国际级的品质体系中装修设计生孩子,调节器器產品保质一年.多功能仪表类產品保质3-5年,7天退还货,无限期抢修。(人员顺坏不会在保质时间范围,订制產品无的品质状况不返不更换。)3.因质量问题造成的退换货,俄罗斯专享会294将承担退换货运费。非质量问题退换货费用将由客户承担。
注:质量问题是指功能,尺寸、指标、安装方式等定制参数未按照客户提出的要求定制,功能不符,尺寸误差,精度不准(误差范围内除外)。
定制产品需双方确认图纸后加工生产,如产品不符合客户要求需在二周内提出书面异议,客户未按规定期限提出异议视为验收合格。
如在期限内提出异议,双方确认后确属产品质量问题或未按双方确认后的要求生产,可调换或退款。如无质量问题,且发货型号与合同签订型号完整无误,则不提供退换货服务。
售后咨询
水平顾问、返厂抢修、普通发票、投述提案等相关联方面。售后维修贴心服务贴心服务电活021-51601181
行业民众号
的企业快手视频号
制造业企业视频播放号
品牌微博新浪
公司红红书