非常广泛用于工业园研发与自主化,交通运输游戏装备,能源开发与推力机 ,教学科研与检测等的领域。

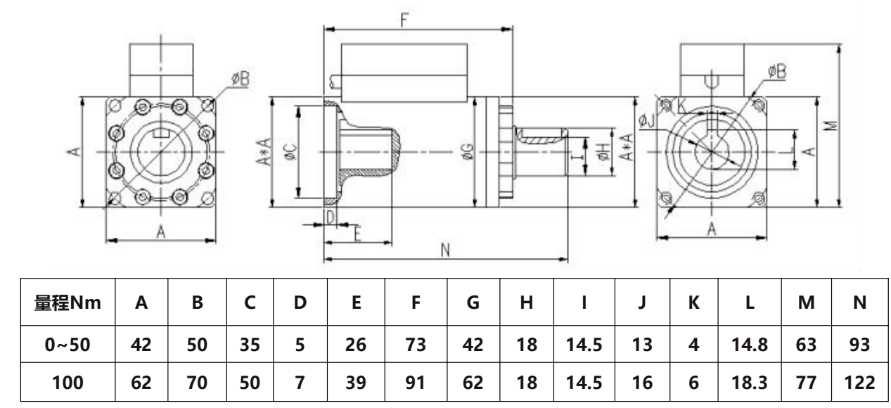
| 测量范围 | 0~3/5/10/20/30/50/100Nm |
| 灵敏度 | 1.5±10%mV/V |
| 零点输出 | ±1%FS |
| 非线性 | ±0.1%FS,±0.3%FS |
| 滞后 | ≤±0.05%FS |
| 重复性 | ≤±0.05%FS |
| 蠕变 | ≤±0.03%FS/30min |
| 温度灵敏度漂移 | 0.03%FS/10℃ |
| 零点温度漂移 | 0.03%FS/10℃ |
| 输入电阻 | 350/750±10Ω |
| 输出电阻 | 350/750±10Ω |
| 绝缘电阻 | ≥5000MΩ/100VDC |
| 激励电压 | 5~15VDC(推荐电压10VDC) |
| 温度补偿范围 | -10~60℃ |
| 工作温度范围 | -20~65℃ |
| 安全超载 | 150%FS |
| 响应频率 | 100μS |
| 极限超载 | 200%FS |
| 电缆线尺寸 | ∅ 5.2×3m |
| 电气连接方式 | 红/E+,黑/E-,绿/S+,白/S- |
| 材质 | 铝,不锈钢或合金钢 |
1.俄罗斯专享会294为客户提供安装调试服务,以及其他技术咨询,必要时技术人员可上门提供技术培训。客户如有技术上疑问,技术人员将在4个小时内给出回复。
2.俄罗斯专享会294新厂品要从严假设按照ISO9001国外安全性能机制装修设计产出,感知器新厂品保修期限2年.仪器类新厂品保修期限5年,7天退还货,終身维修费。(由人伤害都在保修期限标准,开发新厂品无安全性能话题不降不用换。)3.因质量问题造成的退换货,俄罗斯专享会294将承担退换货运费。非质量问题退换货费用将由客户承担。
注:质量问题是指功能,尺寸、指标、安装方式等定制参数未按照客户提出的要求定制,功能不符,尺寸误差,精度不准(误差范围内除外)。
定制产品需双方确认图纸后加工生产,如产品不符合客户要求需在二周内提出书面异议,客户未按规定期限提出异议视为验收合格。
如在期限内提出异议,双方确认后确属产品质量问题或未按双方确认后的要求生产,可调换或退款。如无质量问题,且发货型号与合同签订型号完整无误,则不提供退换货服务。
售后咨询
方法质询、返厂保修、税票、举报推荐 等各种相关原因。售后维修点安全服务热线服务021-51601181
企业大学生消费群体号
工业企业抖音小视频号
厂家视频播放号
机构微博文章
中小型企业和聚美优品