技术性力矩感知器是在实时公交数据监测拖动或技术性动态下力矩变换的设施,其本质是利用力矩使回弹力轴诞生塑性形变,再将弯曲生成为可测试的就是联通号。特殊性可梗概为初始化失败快、可靠性强,精密性好,能适宜最新过量空气系数。
大范围采用于工业品营造与自己化,公路网紫装,再生能源与冲力机 ,教学科研与实验室等层面。
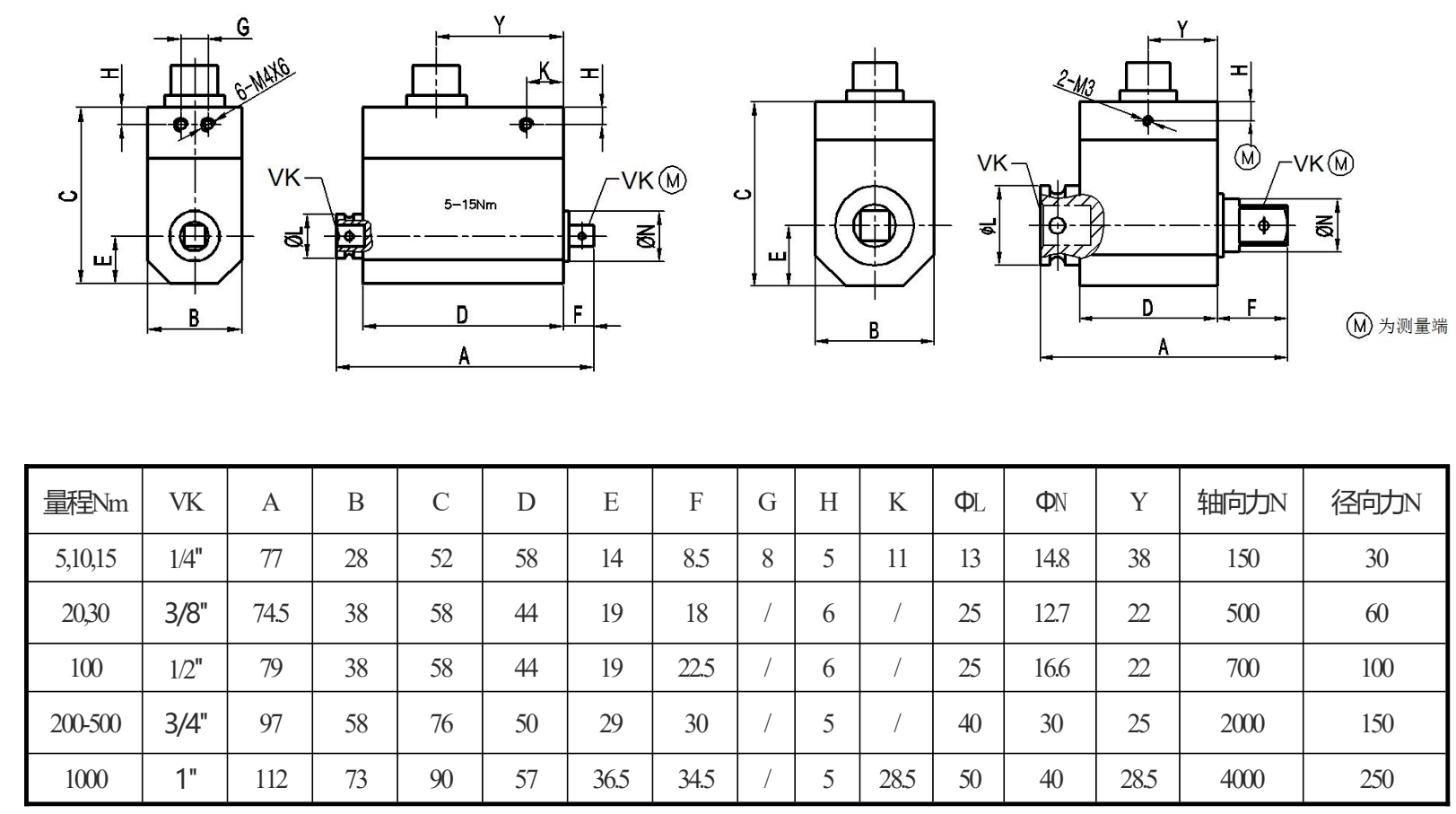
| 测量范围 | 0~5/10/20/30/50/100/200/300/500/1000Nm |
| 灵敏度 | 1.5±10%mV/V |
| 零点输出 | ±1%FS |
| 非线性 | ±0.1%FS,±0.3%FS |
| 滞后 | ≤±0.05%FS |
| 重复性 | ≤±0.05%FS |
| 蠕变 | ≤±0.03%FS/30min |
| 温度灵敏度漂移 | 0.03%FS/10℃ |
| 零点温度漂移 | 0.03%FS/10℃ |
| 输入电阻 | 350/750±10Ω |
| 输出电阻 | 350/750±10Ω |
| 绝缘电阻 | ≥5000MΩ/100VDC |
| 激励电压 | 5~15VDC(推荐电压10VDC) |
| 温度补偿范围 | -10~60℃ |
| 工作温度范围 | -20~65℃ |
| 安全超载 | 150%FS |
| 极限超载 | 200%FS |
| 电缆线尺寸 | ∅ 5.2×3m |
| 电气连接方式 | 红/E+,黑/E-,绿/S+,白/S- |
| 材质 | 铝,不锈钢或合金钢 |
1.俄罗斯专享会294为客户提供安装调试服务,以及其他技术咨询,必要时技术人员可上门提供技术培训。客户如有技术上疑问,技术人员将在4个小时内给出回复。
2.俄罗斯专享会294成品的严格规范采用ISO9001國際的品质标准装修设计加工,感知器成品的整车质保期期半年.汽车仪表盘类成品的整车质保期期5年,7天退货货,终生维修保养。(人力已损坏不是整车质保期期范围图,环保定制家具成品的无的品质相关问题未退不更换。)3.因质量问题造成的退换货,俄罗斯专享会294将承担退换货运费。非质量问题退换货费用将由客户承担。
注:质量问题是指功能,尺寸、指标、安装方式等定制参数未按照客户提出的要求定制,功能不符,尺寸误差,精度不准(误差范围内除外)。
定制产品需双方确认图纸后加工生产,如产品不符合客户要求需在二周内提出书面异议,客户未按规定期限提出异议视为验收合格。
如在期限内提出异议,双方确认后确属产品质量问题或未按双方确认后的要求生产,可调换或退款。如无质量问题,且发货型号与合同签订型号完整无误,则不提供退换货服务。
售后咨询
技术设备详询、返厂保修、收据、匿名举报提醒等相关的大问题。售后服务培训服务培训电話021-51601181
企业公司人们号
中小型企业快手视频号
制造业企业视頻号
公司企业微博号
企业的小丽书