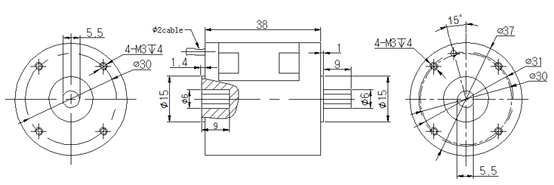
镙丝垫机动车态转距感应器器内阻应变速率为铭感组件和集成化电路板定义的分立式厂品,导致精更高,功效稳固靠得住,打印输出精度正负极转转距手机信号,与镙丝垫电批(直流電動三轮镙丝垫刀)便利接连。发心理转速可达到1500RPM。转距感应器器行用在研制粘性计,直流電動三轮力矩气动扳手,推送直流電動三轮机、四冲程发动机等补偿器能机械的打印输出精度转距及电机功率。
大量应该用于企业制造技术与全智能化以及自动化,客运准备,资源与驱动力设配,研究与实验操作等层面。
| 参 数 | 工艺产品参数 | 参 数 | 工艺技术指标 |
| 量 程 | 0-5Nm | 卡死速率 | 100μS |
| 准确度度 | 1.5±10%mV/V | 绝缘层阻值 | ≥2000MΩ/100VDC |
| 的精密度 | ±0.3%F·S | 供电公司的电压 | 5~10VDC |
| 亮点温湿度影晌 | ±0.03%FS/10℃ | 人身安全超重 | 150%FS |
| 满度环境温度的影响 | ±0.03%FS/10℃ | 人体极限过载 | 200%FS |
| 水温补偿金范畴 | -10~60℃ | 电线电缆尺寸 | ∅2×3m |
| 工作上高温范畴 | -20~75℃ | 电气成套连接方式 | 红/E+,黑/E-,绿/S+,白/S- |
| 投入内阻 | 350±20Ω | 转速比 | 平常可1500RPM |
| 效果电阻功率 | 350±10Ω | 材料 | 轴装修材料17-4PH不锈钢板,金属外壳为铝 |
大客户: 联系客服-咨询行业解决方案-确认产品型号参数-签订相关关技术合同-付款-物流发货-签收
3.因质量问题造成的退换货,俄罗斯专享会294将承担退换货运费。非质量问题退换货费用将由客户承担。
注:质量问题是指功能,尺寸、指标、安装方式等定制参数未按照客户提出的要求定制,功能不符,尺寸误差,精度不准(误差范围内除外)。
定制产品需双方确认图纸后加工生产,如产品不符合客户要求需在二周内提出书面异议,客户未按规定期限提出异议视为验收合格。
如在期限内提出异议,双方确认后确属产品质量问题或未按双方确认后的要求生产,可调换或退款。如无质量问题,且发货型号与合同签订型号完整无误,则不提供退换货服务。
售后咨询
方法质询、返厂维护保养、收据、匿名举报意见等重要性故障 。安裝服务项目电话021-51601181
中小企业新闻媒体号
公司企业抖音小视频号
公司企业视频图片号
厂家微博文章
单位红红书