静态扭矩传感器是一种专门用于测量不产生旋转运动或旋转速度极低(可忽略动态效应)的物体所受扭矩的传感器。其核心原理是通过检测扭矩作用下弹性元件产生的形变(如应变、扭转角等),将物理形变转化为可测量的电信号(如电压、电流等),进而实现对扭矩数值的精确测量。
广泛应用于螺栓 / 螺母紧固检测、汽车工程、航空航天、科研实验、医疗、土木工程、农业机械等领域。

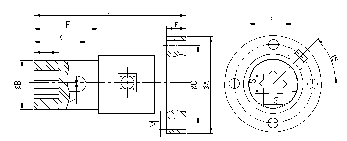
| 型号 | 量程 | ΦA | ΦB | ΦC | D | E | F | K | L | N | S | P | M |
| NJL-203A | 0-1000Nm | 99 | 50 | 80 | 155 | 20 | 65 | 53 | 25 | 16 | 20 | 44 | 4-φ10.5 |
| NJL-203B | 0-500Nm | 98 | 50 | 80 | 90 | 15 | 33 | 33 | 25 | 16 | 20 | 44 | 4-φ10.5 |
| NJL-203C | 0-2000Nm | 125 | 75 | 105 | 150 | 20 | 62 | 60 | 30 | 20 | 25.5 | 67.5 | 8-φ12.5 |
| NJL-203C | 0-5000Nm | 125 | 75 | 105 | 150 | 20 | 62 | 60 | 90 | 20 | 40.5 | 67.5 | 8-φ12.5 |
| NJL-203D | 0-10000Nm | 190 | 98 | 160 | 220 | 30 | 120 | 110 | 70 | 2-28 | 55 | 78 | 8-φ19 |
| 检测范畴 | 0~50/100/200/300/500/1000Nm(NJL-203A) 0~50/100/200/300/500Nm(NJL-203B) 0~2000/3000/5000Nm(NJL-203C) 0~10000Nm及以上(NJL-203D) |
| 效果灵敏性度 | 1.0~2.0mV/V |
| 整合导致精度 | ±0.1%FS;±0.3%FS;±0.5%F·S(曲线+相似性+滞后性) |
| 运作室内温度 | -20~+65℃ |
| 室温补偿费用的范围 | -10~+60℃ |
| 亮点温差影向 | ±0.1%F·S/10℃ |
| 团队激励线电压 | 5~15VDC(比较适合输出功率10VDC) |
| 卡死頻率 | 100μS |
| 电接地电阻器 | 2000MΩ/100VDC |
| 手机输入功率电阻 | 700±10/350±10Ω |
| 输送热敏电阻 | 700±5/350±5Ω |
| 0点模拟输出 | 0~±1%F·S |
| 安全卫生电机负载 | 120%F·S |
| 在材质 | 镍钢钢 |
| 机械接入方式 | 红/E+,黑/E-,绿/S+,白/S- |
1.俄罗斯专享会294为客户提供安装调试服务,以及其他技术咨询,必要时技术人员可上门提供技术培训。客户如有技术上疑问,技术人员将在4个小时内给出回复。
2.俄罗斯专享会294成品严格的以ISO9001世界安全性能保障体系设计构思研发,传加速度传感器器成品保质四年.仪容仪表类成品保质四年,7天退货货,终身的修理。(被人故意坏损不保质领域,定做成品无安全性能情况不返只换。)3.因质量问题造成的退换货,俄罗斯专享会294将承担退换货运费。非质量问题退换货费用将由客户承担。
注:质量问题是指功能,尺寸、指标、安装方式等定制参数未按照客户提出的要求定制,功能不符,尺寸误差,精度不准(误差范围内除外)。
定制产品需双方确认图纸后加工生产,如产品不符合客户要求需在二周内提出书面异议,客户未按规定期限提出异议视为验收合格。
如在期限内提出异议,双方确认后确属产品质量问题或未按双方确认后的要求生产,可调换或退款。如无质量问题,且发货型号与合同签订型号完整无误,则不提供退换货服务。
售后咨询
技術详询、返厂维修费、单据、投诉信建议大家等有关困难。售后服务的服务的咨询热线021-51601181
企业的媒体号
行业抖音短视频号
单位短视频号
公司企业微博号
行业小丽书