静态扭矩传感器是一种专门用于测量不产生旋转运动或旋转速度极低(可忽略动态效应)的物体所受扭矩的传感器。其核心原理是通过检测扭矩作用下弹性元件产生的形变(如应变、扭转角等),将物理形变转化为可测量的电信号(如电压、电流等),进而实现对扭矩数值的精确测量。
广泛应用于螺栓 / 螺母紧固检测、汽车工程、航空航天、科研实验、医疗、土木工程、农业机械等领域。

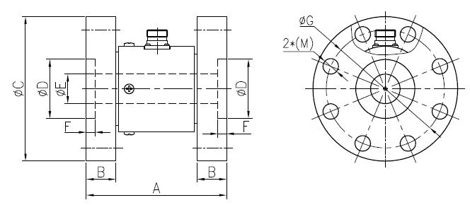
| 型号 | 量程 | A | B | ΦC | ΦD | ΦE | F | ΦG | M |
| NJL-204A | 0-100Nm | 85 | 10 | 59 | 22 | 12 | 5 | 49 | 4-φ6.5 |
| NJL-204B | 0-1000Nm | 95 | 20 | 98 | 40 | 20 | 6 | 80 | 8-φ10.5 |
| NJL-204C | 0-5000Nm | 95 | 20 | 125 | 50 | 40 | 6 | 105 | 8-φ12.5 |


| 检测的区域 | 0~0.2,0.3,0.5,1,2,3,5,10,20,30,50,100Nm (NJL-204A) 0~200/300/500/1000Nm(NJL-204B) 0~2000/3000/5000Nm(NJL-204C) 0~10000Nm(NJL-204D) 0~20000/30000/50000/100000Nm(NJL-204E) |
| 打出流畅度 | 1.0~2.0mV/V |
| 綜合导致精度 | ±0.1;±0.3;±0.5%F·S(线性网络+重覆性+相位滞后) |
| 业务温度表 | -20~+65℃ |
| 环境温度弥补范围内 | -10~+60℃ |
| 零零体温印象 | ±0.1%F·S/10℃ |
| 鼓励激励电流 | 5~15VDC(网友推荐电流10VDC) |
| 积极地响应工作频率 | 100μS |
| 绝缘电容电容 | 2000MΩ/100VDC |
| 填写电容 | 700±10/350±10Ω |
| 内容输出热敏电阻 | 700±5/350±5Ω |
| 整点打出 | 0~±1%F·S |
| 人身安全超负荷 | 120%F·S |
| 金属材质 | 硬质中碳钢 |
| 电器设备连接的方法的方法 | 红/E+,黑/E-,绿/S+,白/S- |
1.俄罗斯专享会294为客户提供安装调试服务,以及其他技术咨询,必要时技术人员可上门提供技术培训。客户如有技术上疑问,技术人员将在4个小时内给出回复。
2.俄罗斯专享会294服务要严决定ISO9001国际金質量系统制定产生,感应器器服务整机重量保证一年两年多.多功能仪表类服务整机重量保证一年两年多,7天退还货,终生维修保养。(人力毁损找不到整机重量保证一年标准,个性定制服务无質量间题拒退只换。)3.因质量问题造成的退换货,俄罗斯专享会294将承担退换货运费。非质量问题退换货费用将由客户承担。
注:质量问题是指功能,尺寸、指标、安装方式等定制参数未按照客户提出的要求定制,功能不符,尺寸误差,精度不准(误差范围内除外)。
定制产品需双方确认图纸后加工生产,如产品不符合客户要求需在二周内提出书面异议,客户未按规定期限提出异议视为验收合格。
如在期限内提出异议,双方确认后确属产品质量问题或未按双方确认后的要求生产,可调换或退款。如无质量问题,且发货型号与合同签订型号完整无误,则不提供退换货服务。
售后咨询
方法联系、返厂修补、普通发票、投拆推荐 等有关系的问题。售后维修服务培训电話021-51601181
厂家社会公共号
公司企业逗音号
的企业视频图片号
客户社交平台
企业公司小华书