静态扭矩传感器是一种专门用于测量不产生旋转运动或旋转速度极低(可忽略动态效应)的物体所受扭矩的传感器。其核心原理是通过检测扭矩作用下弹性元件产生的形变(如应变、扭转角等),将物理形变转化为可测量的电信号(如电压、电流等),进而实现对扭矩数值的精确测量。
广泛应用于螺栓 / 螺母紧固检测、汽车工程、航空航天、科研实验、医疗、土木工程、农业机械等领域。

| 估测范围之内 | 0~0.2/0.3/0.5/1/2/3/5Nm |
| 打出高灵敏度度 | 1.0~2.0mV/V |
| 终合gps精度 | ±0.1%FS;±0.3%FS;±0.5%F·S(非线性+相同性+落伍) |
| 做工作湿度 | -20~+65℃ |
| 高温赔偿标准条件 | -10~+60℃ |
| 0点温损害 | ±0.1%F·S/10℃ |
| 激劲额定电压 | 5~15VDC(网友推荐线电压10VDC) |
| 相应几率 | 1ms/2ms/5ms |
| 绝缘性电阻值 | 2000MΩ/100VDC |
| 键入功率电阻 | 700±10/350±10Ω |
| 输出精度电阻值 | 700±5/350±5Ω |
| 亮点打印输出 | 0~±1%F·S |
| 很安全过电压 | 120%F·S |
| 材質 | 合金属钢 |
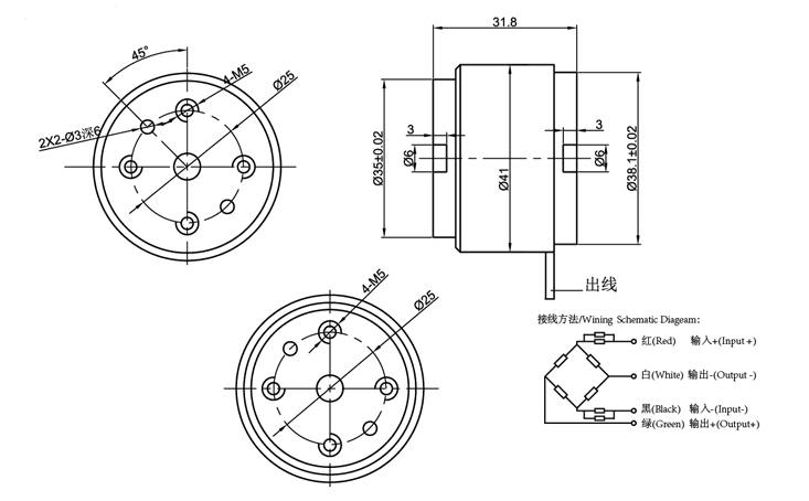
| 电气开关联系手段 | 红/E+,黑/E-,绿/S+,白/S- |
3.因质量问题造成的退换货,俄罗斯专享会294将承担退换货运费。非质量问题退换货费用将由客户承担。
注:质量问题是指功能,尺寸、指标、安装方式等定制参数未按照客户提出的要求定制,功能不符,尺寸误差,精度不准(误差范围内除外)。
定制产品需双方确认图纸后加工生产,如产品不符合客户要求需在二周内提出书面异议,客户未按规定期限提出异议视为验收合格。
如在期限内提出异议,双方确认后确属产品质量问题或未按双方确认后的要求生产,可调换或退款。如无质量问题,且发货型号与合同签订型号完整无误,则不提供退换货服务。
售后咨询
技术性了解、返厂维修培训、收据、网络投诉推荐等一些疑问。售后客服服务培训电話021-51601181
商家微信公共号号
单位抖音音乐号
工厂短视频号
公司企业微薄
机构点点书