静态扭矩传感器是一种专门用于测量不产生旋转运动或旋转速度极低(可忽略动态效应)的物体所受扭矩的传感器。其核心原理是通过检测扭矩作用下弹性元件产生的形变(如应变、扭转角等),将物理形变转化为可测量的电信号(如电压、电流等),进而实现对扭矩数值的精确测量。
广泛应用于螺栓 / 螺母紧固检测、汽车工程、航空航天、科研实验、医疗、土木工程、农业机械等领域。


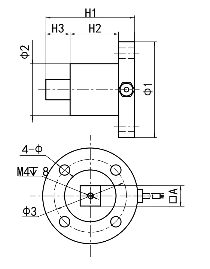
| 測量位置 | 0~3000Nm |
| 导出灵活度 | 1.0~2.0mV/V |
| 0点输出电压 | ±2%FS |
| 非直线 | ±0.3%FS |
| 较差 | 0.1%F·S |
| 相似性 | 0.1%F·S |
| 脆性断裂 | 0.1%F·S |
| 热度迅敏度漂移 | 0.05%F·S/10℃ |
| 亮点气温漂移 | 0.05%F·S/10℃ |
| 卡死速度 | 10kHz |
| 材料做 | 铝碳素钢 |
| 特性阻抗 | 350/700Ω |
| 隔热电容 | ≥5000MΩ/100VDC |
| 使用电阻 | 5~15V |
| 上班平均温度空间 | -20~80℃ |
| 安全管理超限超载 | 120%FS |
| 加速度超员 | 150%FS |
| 数据线线尺寸规格 | φ3x3m |
| 线览极限的拉力 | 10kg |
1.俄罗斯专享会294为客户提供安装调试服务,以及其他技术咨询,必要时技术人员可上门提供技术培训。客户如有技术上疑问,技术人员将在4个小时内给出回复。
2.俄罗斯专享会294车辆从紧如果根据ISO9001国际金服务安全性能体制设汁工作,感知器车辆整车整机安全性能保证一年一年.智能仪表类车辆整车整机安全性能保证一年两年,7天退货退款货,一生维修服务。(由人破坏没有了整车整机安全性能保证一年使用范围,个性车辆无服务安全性能困难不返只换。)3.因质量问题造成的退换货,俄罗斯专享会294将承担退换货运费。非质量问题退换货费用将由客户承担。
注:质量问题是指功能,尺寸、指标、安装方式等定制参数未按照客户提出的要求定制,功能不符,尺寸误差,精度不准(误差范围内除外)。
定制产品需双方确认图纸后加工生产,如产品不符合客户要求需在二周内提出书面异议,客户未按规定期限提出异议视为验收合格。
如在期限内提出异议,双方确认后确属产品质量问题或未按双方确认后的要求生产,可调换或退款。如无质量问题,且发货型号与合同签订型号完整无误,则不提供退换货服务。
售后咨询
新技术了解、返厂维修费、开票、投诉信提倡等各种相关事情。售服服务于电语021-51601181
企业俄罗斯专享会294媒体号
企业快手号
工厂视频播放号
制造业企业微博文章
企业主红红书