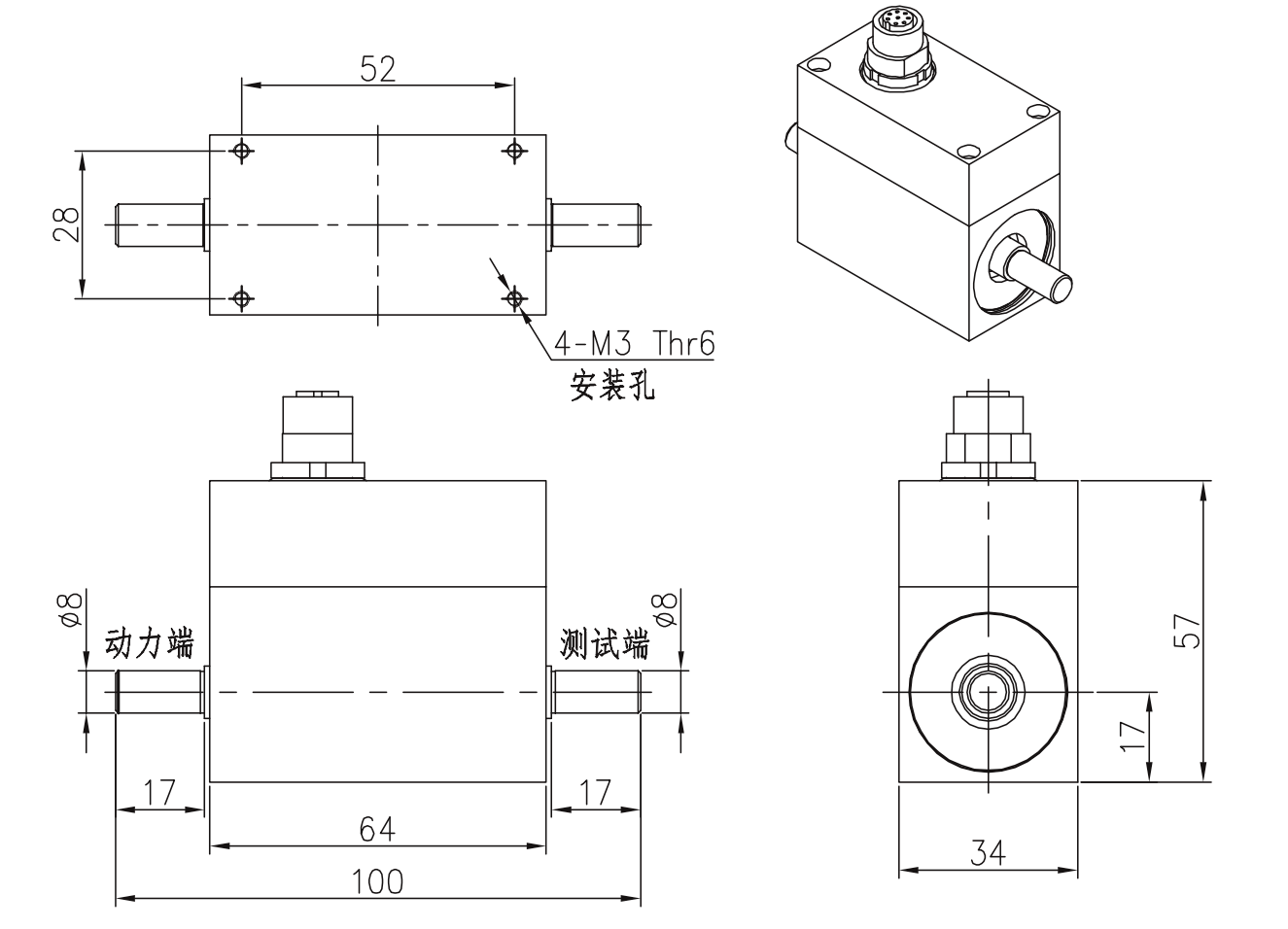
新技术显著特点:非接觸式,成分秀气,紧凑型轿车装饰管轴,带转动速度内容输出数据信号抗不干扰专业能力强,合适远距離传导无摩擦,最快转速比能达到8000RPM

| 量程 | 0~0.1/0.2/0.3/0.5/1/2/3/5NM |
| 扭矩精度 | ±0.1%FS,±0.25%FS(可选) |
| 频率响应 | 5mS(默认)2ms(中),1ms(高),订货时说明) |
| 非线性 | ±0.1%FS |
| 重复性 | ±0.1%FS |
| 回差 | ±0.1%FS |
| 零点时漂 | ±0.2%FS |
| 零点温漂 | ±0.2%FS |
| 使用温度 | -20 ~ 50℃ |
| 储存温度 | -40 ~ 70℃ |
| 电源电压 | 9-32VDC |
| 扭矩信号输出 | 5KHz-15KHz,0-20mA、4-20mA、0-5V、0-10V、1-5V、0±5V、 0-±10V、RS485、RS232、CAN(可选) |
| 转速信号 | 30脉冲,4-20mA, 0-5/10V (可选) |
| 转速范围 | 0-100,1000,2000,4000,6000,8000RPM(订货时说明) |
| 材质 | 弹性轴17-4PH 不锈钢 |
| 外壳材质 | 铝合金 |
1.俄罗斯专享会294为客户提供安装调试服务,以及其他技术咨询,必要时技术人员可上门提供技术培训。客户如有技术上疑问,技术人员将在4个小时内给出回复。
2.俄罗斯专享会294企业货品严格要求可以依照ISO9001国.际效果采集体系设定出产,调节器器企业货品修补2年.仪器类企业货品修补两年,7天包换货,终生修补。(人因受损不是在修补空间,制定企业货品无效果事情不返不更换。)3.因质量问题造成的退换货,俄罗斯专享会294将承担退换货运费。非质量问题退换货费用将由客户承担。
注:质量问题是指功能,尺寸、指标、安装方式等定制参数未按照客户提出的要求定制,功能不符,尺寸误差,精度不准(误差范围内除外)。
定制产品需双方确认图纸后加工生产,如产品不符合客户要求需在二周内提出书面异议,客户未按规定期限提出异议视为验收合格。
如在期限内提出异议,双方确认后确属产品质量问题或未按双方确认后的要求生产,可调换或退款。如无质量问题,且发货型号与合同签订型号完整无误,则不提供退换货服务。
售后咨询
的技术了解和咨询、返厂抢修、单据、投述意见与建议等相应的故障。售后维修点服務电语021-51601181
中小型企业民众号
企业公司快手视频号
行业短视频号
中小企业社交平台
工厂点点书