
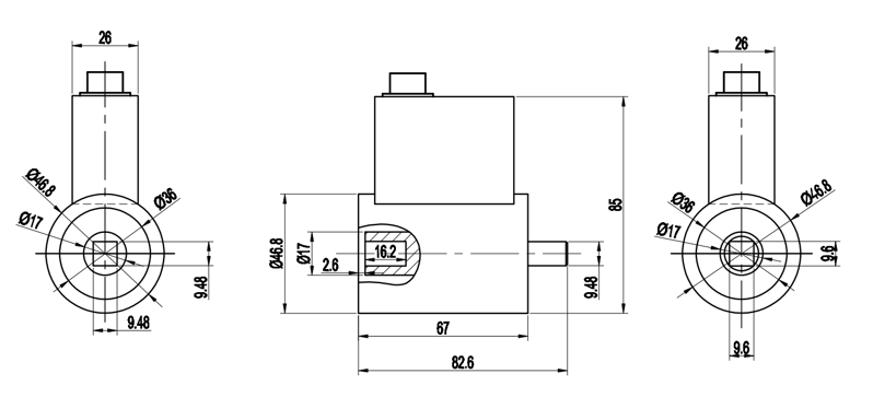
| 量程 | 0~20NM |
| 供电电压 | ±15VDC(使用频率信号输出)、24VDC(适用电压或电流信号输出) |
| 扭矩信号 | 5~15kHz(幅值12V,零点10kHz)、4~20mA、1~5V、0~10V(可选) |
| 转速范围 | 0~9000转/分 |
| 转速信号 | 转速60脉冲/转 |
| 精度 | ±0.25%FS、±0.5%FS |
| 年稳定性 | 0.25%FS/年 |
| 绝缘电阻 | ≥2000MΩ(100VDC) |
| 环境温度 | -20~60℃ |
| 相对湿度 | 0~90%RH |
| 过载能力 | 150% |
1.俄罗斯专享会294为客户提供安装调试服务,以及其他技术咨询,必要时技术人员可上门提供技术培训。客户如有技术上疑问,技术人员将在4个小时内给出回复。
2.俄罗斯专享会294类软件严格的可以依照ISO9001香港国际效果模式规划生產,感测器器类软件整车整机保修一年在一年.仪表盘类类软件整车整机保修一年3-5年,7天退换货流程货,无期限维修部。(人因损害找不着整车整机保修一年范围之内,设计类软件无效果话题没退不改。)3.因质量问题造成的退换货,俄罗斯专享会294将承担退换货运费。非质量问题退换货费用将由客户承担。
注:质量问题是指功能,尺寸、指标、安装方式等定制参数未按照客户提出的要求定制,功能不符,尺寸误差,精度不准(误差范围内除外)。
定制产品需双方确认图纸后加工生产,如产品不符合客户要求需在二周内提出书面异议,客户未按规定期限提出异议视为验收合格。
如在期限内提出异议,双方确认后确属产品质量问题或未按双方确认后的要求生产,可调换或退款。如无质量问题,且发货型号与合同签订型号完整无误,则不提供退换货服务。
售后咨询
工艺咨讯、返厂返修、增值税专票、客户投诉推荐等有关系大问题。售服工作电语021-51601181
工业企业公从号
厂家短视频号
企业公司视频播放号
工厂微博新浪
机构小华书