直杆型高温熔体压力传感器,压为预估更准耐用,调大数字数据直接的进PLC掌握设备,里面80%标定数字数据, 装置单纯,价廉物美较高。
比较广泛利用于油气化工服务业、色织布纺机、涤纶无纺布、朔胶、产品、抽出产品等服务业。

| 分度值 | 0~3.5MPa...0~150MPa(0~500psi...0~2000psi) |
| 过电压压力差 | 150%FS |
| 一体化误差 | ±1.0%FS,±1.5%FS,(涉及到线形、多次可重复性和落后性) |
| 读取4g信号 | 3.33mV/V,2mV/V |
| 输人电压降 | 10VDC(6~12V) |
| 出现异常车速 | ≤5ms |
| 读取电位差 | 350 Ohms±10% |
| 企业内部自自校 | 80%FS±1% |
| 电绝缘输出阻抗 | 200MΩ @ 100VDC |
| 膜片耐热 | 最大的400℃ |
| 装置扭距 | 很大500inch/lbs |
| 膜片涂料 | 17-4PH 带耐磨涂层的铝合金 |
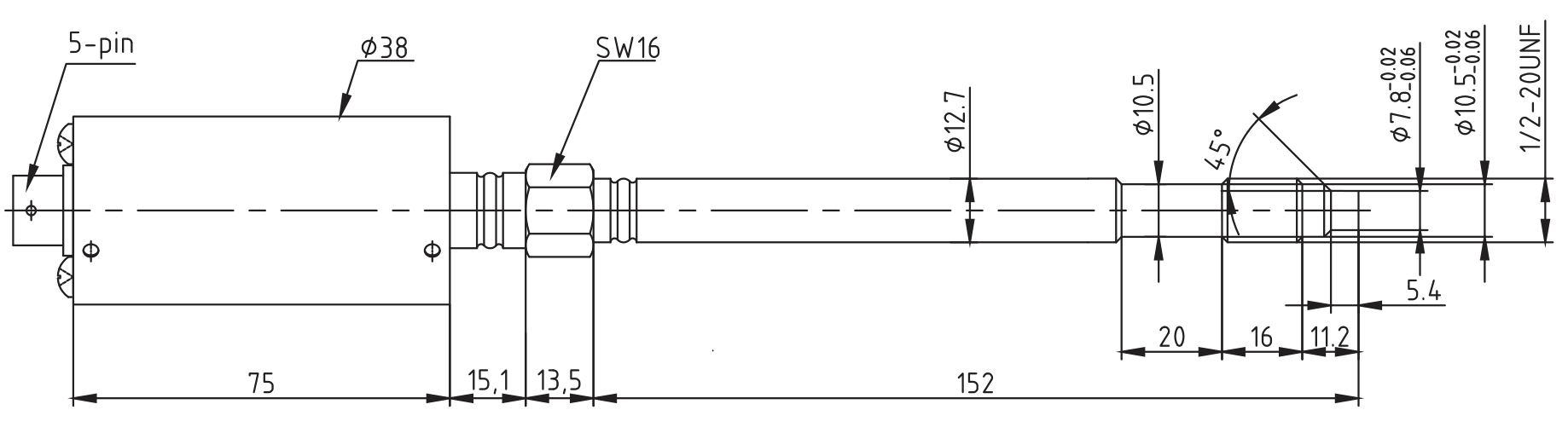
| 高压电器衔接 | 五芯航班3d外挂作弊,六芯航班3d外挂作弊 |
| 过程中 衔接 | 1/2"-20UNF,M14x1.5,M18x1.5,M22x1.5,G3/4 |
1.俄罗斯专享会294为客户提供安装调试服务,以及其他技术咨询,必要时技术人员可上门提供技术培训。客户如有技术上疑问,技术人员将在4个小时内给出回复。
2.俄罗斯专享会294设备严苛按ISO9001国际上質量采集体系制作生产销售,调节器器设备整机保修期限一年5年.智能仪表类设备整机保修期限一年5年,7天包换货,一辈子维修部。(因人毁坏不再整机保修期限一年位置,制作设备无質量现象不降没换。)3.因质量问题造成的退换货,俄罗斯专享会294将承担退换货运费。非质量问题退换货费用将由客户承担。
注:质量问题是指功能,尺寸、指标、安装方式等定制参数未按照客户提出的要求定制,功能不符,尺寸误差,精度不准(误差范围内除外)。
定制产品需双方确认图纸后加工生产,如产品不符合客户要求需在二周内提出书面异议,客户未按规定期限提出异议视为验收合格。
如在期限内提出异议,双方确认后确属产品质量问题或未按双方确认后的要求生产,可调换或退款。如无质量问题,且发货型号与合同签订型号完整无误,则不提供退换货服务。
售后咨询
工艺了解、返厂修补、单据、投诉信个人建议等相关的毛病。售后安全服务安全服务电语021-51601181
中小型企业民众号
企业公司抖音音乐号
企业的短视频号
客户微博微博
企业小华书