PTL111B直杆型高温熔体压力变送器,经济压力量测最准确靠普,图像放大移动数据信号真接进PLC管理设计,里面80%复位移动数据信号,连接简单的,价廉物美低。
广泛操作操作于化纤布,塑料件挤压产业气温水压的监测数据。

| 满量程 | 0~5~200MPa(0~500psi...0~20000psi) |
| 过载保护心理压力 | 150%FS |
| 整合精确 | ±1.0%FS(包扩线性网络、抄袭性和有一定的滞后性性) |
| 输出电压卫星信号 | 4-20mA,0-5V,0-10V |
| 读取电流 | 24VDC |
| 工作输出特性阻抗 | 350 Ohms±10% |
| 内部管理自复位 | 80%FS±1% |
| 耐压特性阻抗 | 200MΩ @ 100VDC |
| 膜片耐热性 | 明显400℃ |
| 使用发动机功率 | 上限500inch/lbs |
| 膜片用料 | 17-4PH 带铝层的装饰管 |
| 平均温度参数 | J,K,E,PT100(PTL111B-T) |
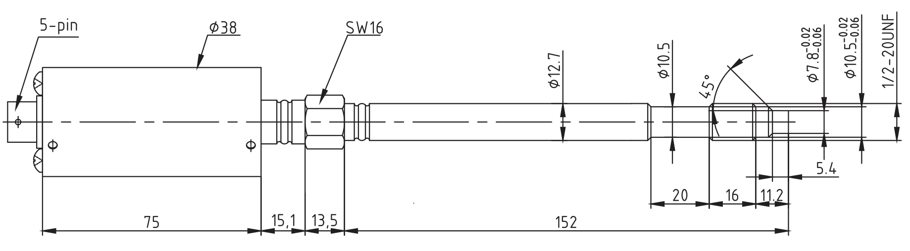
| 电力电气衔接 | 五芯航材外挂作弊,六芯航材外挂作弊 |
| 方式链接 | 1/2"-20UNF,M14x1.5,M18x1.5,M22x1.5,G3/4 |
1.俄罗斯专享会294为客户提供安装调试服务,以及其他技术咨询,必要时技术人员可上门提供技术培训。客户如有技术上疑问,技术人员将在4个小时内给出回复。
2.俄罗斯专享会294企业物品严要求明确ISO9001国.际高质量水平装修标准设定生产销售,感知器企业物品整机维修期三年2年.多功能仪表类企业物品整机维修期三年几年,7天退换货,一辈子维护保养。(不可避免毁损不会整机维修期三年范围之内,定做企业物品无高质量水平问題未退不用换。)3.因质量问题造成的退换货,俄罗斯专享会294将承担退换货运费。非质量问题退换货费用将由客户承担。
注:质量问题是指功能,尺寸、指标、安装方式等定制参数未按照客户提出的要求定制,功能不符,尺寸误差,精度不准(误差范围内除外)。
定制产品需双方确认图纸后加工生产,如产品不符合客户要求需在二周内提出书面异议,客户未按规定期限提出异议视为验收合格。
如在期限内提出异议,双方确认后确属产品质量问题或未按双方确认后的要求生产,可调换或退款。如无质量问题,且发货型号与合同签订型号完整无误,则不提供退换货服务。
售后咨询
的技术咨询保障保障、返厂修理、普通发票、投述提议等重要性事情。售后维修保障客户服务热线021-51601181
品牌消费者号
商家快手号
品牌短视频号
商家新浪微博
公司红红书