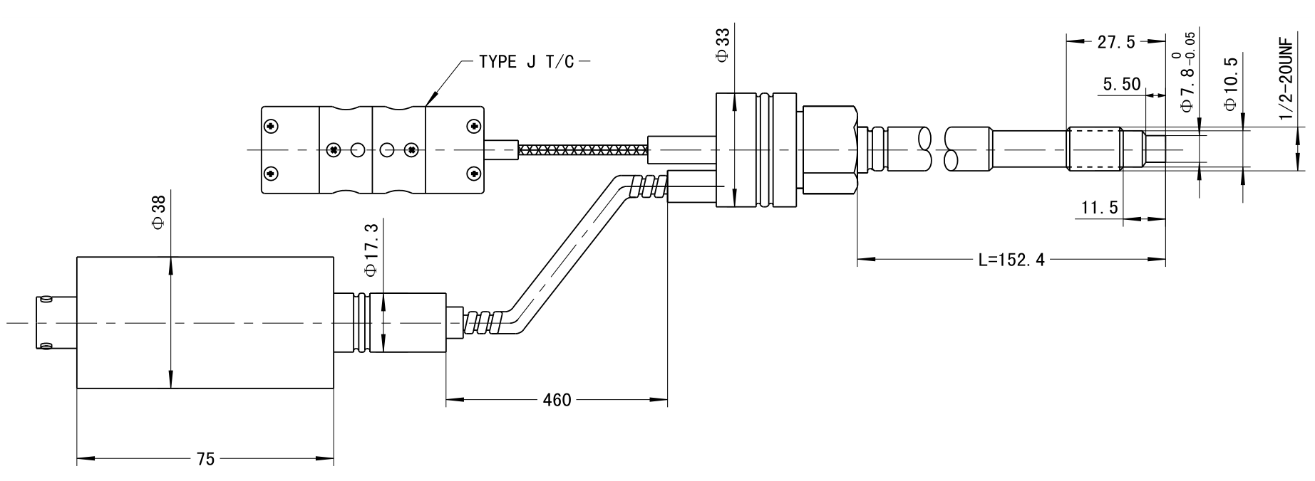
温压一体压力传感器,加装了测温热电偶,可实现压力温度同点测量。实现压力的测量与控制;其内置放大电路,经过放大的信号也可直接输入PLC控制系统,内部80%校准信号。
广泛软件软件于石油纸业纸业、化学纤维纺机、无纺织布、氟塑料、硅胶、挤压出环保设备等业内。

| 满量程 | 0~3.5MPa...0~150MPa(0~500psi...0~20000psi) |
| 过载保护学习压力 | 150%FS |
| 结合准确度 | ±1.0%FS,±1.5%FS(收录平滑、相同性和落伍性) |
| 的输出表现 | 3.33mV/V,2mV/V |
| 输出额定电压 | 10VDC(6~12V) |
| 多次性 | ±0.2%FS |
| 反应流速 | ≤5ms |
| 模拟输出电阻值 | 350 Ohms±10% |
| 膜片耐高温 | 比较大400℃ |
| 膜片材料 | 17-4PH,带表层的铝合金 |
| 电力设备连入 | 五芯民用中国航空浏览器插件包,六芯民用中国航空浏览器插件包 |
| 阶段相连 | 1/2"-20UNF,M14x1.5,M18x1.5,M22x1.5,G3/4 |
| 热度类型 | J,K,E,PT100 |
1.俄罗斯专享会294为客户提供安装调试服务,以及其他技术咨询,必要时技术人员可上门提供技术培训。客户如有技术上疑问,技术人员将在4个小时内给出回复。
2.俄罗斯专享会294服务设备标准遵循ISO9001知名水平管理机制全屋定制生產,感知器服务设备整机整机保修期限三年三年1年时间内.仪容仪表类服务设备整机整机保修期限三年三年两年多,7天退货货,长期修补。(其他损害都在整机整机保修期限三年三年范围内,全屋定制服务设备无水平管理一些问题不降不用换。)3.因质量问题造成的退换货,俄罗斯专享会294将承担退换货运费。非质量问题退换货费用将由客户承担。
注:质量问题是指功能,尺寸、指标、安装方式等定制参数未按照客户提出的要求定制,功能不符,尺寸误差,精度不准(误差范围内除外)。
定制产品需双方确认图纸后加工生产,如产品不符合客户要求需在二周内提出书面异议,客户未按规定期限提出异议视为验收合格。
如在期限内提出异议,双方确认后确属产品质量问题或未按双方确认后的要求生产,可调换或退款。如无质量问题,且发货型号与合同签订型号完整无误,则不提供退换货服务。
售后咨询
技艺了解和咨询、返厂维护保养、单据、网络投诉意见和建议等相应话题。售后客服业务电话021-51601181
商家大学生消费群体号
中小企业抖音小视频号
各个企业视频播放号
各个企业腾讯微博
公司小红书看到分享的书