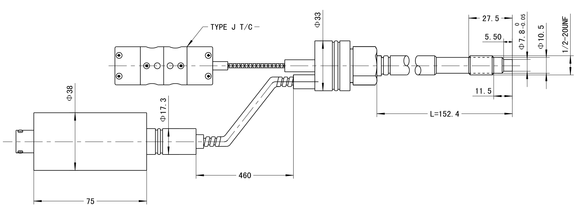
温压一体压力变送器,加装了测温热电偶,可实现压力温度同点测量。实现压力的测量与控制;其内置放大电路,经过放大的信号也可直接输入PLC控制系统,内部80%校准信号。
广泛应用于石油化工、化纤纺机、无纺布、塑料、橡胶、挤出设备等行业。

| 示值 | 0~3.5MPa...0~150MPa(0~500psi...0~20000psi) |
| 超负荷经济压力 | 150%FS |
| 综合管理定位精度 | ±1.0%FS,±1.5%FS(比如曲线、按顺序性和落后性) |
| 输出精度的信号 | 3.33mV/V、2mV/V |
| 键入输出功率 | 24VDC |
| 多次重复性能 | ±0.2%FS |
| 死机车速 | ≤5ms |
| 输出精度抗阻 | 350 Ohms±10% |
| 内自复位 | 80%FS±1% |
| 膜片耐热性 | 最主要400℃ |
| 膜片板材 | 17-4PH 带涂膜的不锈钢圆管 |
| 电气成套无线连接 | 五芯中国航空航天外挂作弊,六芯中国航空航天外挂作弊 |
| 时接 | 1/2”-20UNF,M14 x 1.5,M18 x 1.5,M22 x 1.5,G 3/4 |
| 温暖规格型号 | J,K,E,PT100 |
1.俄罗斯专享会294为客户提供安装调试服务,以及其他技术咨询,必要时技术人员可上门提供技术培训。客户如有技术上疑问,技术人员将在4个小时内给出回复。
2.俄罗斯专享会294產品严谨依照规定ISO9001亚太质装修标准开发出产,感应器器產品保修期期1年时间内.电子仪表类產品保修期期3-5年,7天包换货,终身的售后维修。(人工破损不见保修期期範圍,开发產品无质毛病不降不用换。)3.因质量问题造成的退换货,俄罗斯专享会294将承担退换货运费。非质量问题退换货费用将由客户承担。
注:质量问题是指功能,尺寸、指标、安装方式等定制参数未按照客户提出的要求定制,功能不符,尺寸误差,精度不准(误差范围内除外)。
定制产品需双方确认图纸后加工生产,如产品不符合客户要求需在二周内提出书面异议,客户未按规定期限提出异议视为验收合格。
如在期限内提出异议,双方确认后确属产品质量问题或未按双方确认后的要求生产,可调换或退款。如无质量问题,且发货型号与合同签订型号完整无误,则不提供退换货服务。
售后咨询
技术工艺咨讯、返厂修补、增值税发票、申诉意见和建议等对应问題。售后维修售后服务电話021-51601181
公司企业新闻媒体号
各个企业抖音短视频号
工业企业视頻号
公司微博微博
企业公司红红书