
| 测量范围 | 0~5,10,20,40,60,100MPa |
| 供电设备电源线 | 10DCV(6~12DCV) |
| 输入 | 1,1.5,2mV/V |
| 定位精度 | 0.1%F·S,0.2%F·S |
| 输入输出输出阻抗 | 3.5KΩ±500Ω |
| 媒质的温度 | -40~125,150℃ |
| 环保温度因素 | -20~125,150℃ |
| 电绝缘电阻性能值 | 大于等于2000MΩ(100VDC) |
| 隔绝等級 | IP65 |
| 短期维持特点 | 在自动化机械震动几率20Hz~1000Hz内,输出的变化无常小于等于0.1%FS |
| 电插口 | 持续高温生成线 |
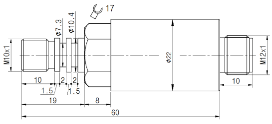
| 机连结 | M10×1 ,M12×1,另外螺牙可标准业主想要的设计 |
1.俄罗斯专享会294为客户提供安装调试服务,以及其他技术咨询,必要时技术人员可上门提供技术培训。客户如有技术上疑问,技术人员将在4个小时内给出回复。
2.俄罗斯专享会294设备严格的假设按照ISO9001国际级品牌品质制度结构设计研发,传调节器器设备保修一年.仪表盘类设备保修两年,7天退还货,一生维修部。(其他影响并不在保修规模,制作设备无品牌品质故障没退没换。)3.因质量问题造成的退换货,俄罗斯专享会294将承担退换货运费。非质量问题退换货费用将由客户承担。
注:质量问题是指功能,尺寸、指标、安装方式等定制参数未按照客户提出的要求定制,功能不符,尺寸误差,精度不准(误差范围内除外)。
定制产品需双方确认图纸后加工生产,如产品不符合客户要求需在二周内提出书面异议,客户未按规定期限提出异议视为验收合格。
如在期限内提出异议,双方确认后确属产品质量问题或未按双方确认后的要求生产,可调换或退款。如无质量问题,且发货型号与合同签订型号完整无误,则不提供退换货服务。
售后咨询
技术工艺询问、返厂修补、单据、投诉举报建议大家等关联间题。售后维修点服务管理热线电话021-51601181
中小企业民众号
机构抖音音乐号
品牌视频图片号
的企业腾讯微博
厂家红红书