应变式压力传感器采用不锈钢整体构件,进口弹性体原件,高精度应变计及先进的技术工艺,具有灵敏度高、性能稳定、良好的抗冲击能力。适用于许多过程软弱的腐蚀性介质中的压力测量与控制。结构件采用国标304不锈钢,结构小巧、紧凑,有良好的防潮能力和优异的介质兼容性。
宽泛应用于化工公司业装置、国际航空核工业、军工行业、市政、化工公司、医辽、电量的使用、冰箱、金刚石油压机、冶金机械、运输车辆刹车系统、写字楼供水管等区域。

| 示值 | 0~0.6,1,2,3,5,10,20,30,40,50,60,80,100MPa |
| 终合精密度较 | 0.2%F·S、0.5%F·S |
| 输出电压预警 | 1.0mV/V、1.5mV/V、2.0mV/V、2.5mV/V、3.3mV/V(四线制) |
| 供气额定电压 | 10DCV(6~12DCV) |
| 有机溶剂摄氏度 | -20~85~125℃ |
| 学习环境高温 | (干燥)-20~85℃ |
| 伤害抗阻 | 350/1000/1650/2000Ω |
| 隔热内阻 | 高于2000MΩ(100VDC) |
| 封好平衡等级 | IP65 |
| 长久的平衡效能 | 0.1%F·S/年 |
| 产生振动危害 | 在设备机械振动率20Hz~1000Hz内,输送转变值为0.1%F·S |
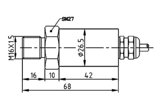
| 设备接触 | M16×1.5、M20×1.5,可按用户的耍求装修设计生产方式 |
1.俄罗斯专享会294为客户提供安装调试服务,以及其他技术咨询,必要时技术人员可上门提供技术培训。客户如有技术上疑问,技术人员将在4个小时内给出回复。
2.俄罗斯专享会294护肤品严厉,并按照ISO9001全国品质机制制定工作,感应器器护肤品保修五年.仪容仪表类护肤品保修五年,7天退货货,终生保修。(其他故障没有在保修範圍,私人定制护肤品无品质故障未退没换。)3.因质量问题造成的退换货,俄罗斯专享会294将承担退换货运费。非质量问题退换货费用将由客户承担。
注:质量问题是指功能,尺寸、指标、安装方式等定制参数未按照客户提出的要求定制,功能不符,尺寸误差,精度不准(误差范围内除外)。
定制产品需双方确认图纸后加工生产,如产品不符合客户要求需在二周内提出书面异议,客户未按规定期限提出异议视为验收合格。
如在期限内提出异议,双方确认后确属产品质量问题或未按双方确认后的要求生产,可调换或退款。如无质量问题,且发货型号与合同签订型号完整无误,则不提供退换货服务。
售后咨询
的技术资讯、返厂维修培训、专用发票、投拆改进措施等关联间题。售后维修服务于服务于电話021-51601181
企业公司社会公众平台
的企业快手号
制造业企业视频图片号
机构微博新浪
公司企业攻略书