应变式压力传感器采用不锈钢整体构件,进口弹性体原件,高精度应变计及先进的技术工艺,具有灵敏度高、性能稳定、良好的抗冲击能力。适用于许多过程软弱的腐蚀性介质中的压力测量与控制。结构件采用国标304不锈钢,结构小巧、紧凑,有良好的防潮能力和优异的介质兼容性。
丰富应运于工業仪器、民航航天部、军工企业、市政工程、精细化工、医疔、输配电、室内空调、金刚石压力机、化工、机动车剎车、智能化小区供电等的领域

| 测量范围 | 0~0.6,1,2,3,5,10,20,30,40,50,60,80,100MPa |
| 结合表面粗糙度 | 0.2%F·S、0.5%F·S |
| 输出精度的信号 | 1.0mV/V、1.5mV/V、2.0mV/V、2.5mV/V、3.3mV/V(四线制) |
| 供电公司电流电压 | 10DCV(6~12DCV) |
| 导电介质温度表 | -20~85~150℃ |
| 大环境溫度 | (普通)-20~85℃ |
| 读取抗阻 | 350/1000/1650/2000Ω |
| 绝缘性功率电阻 | 不超2000MΩ(100VDC) |
| 胶封定级 | IP65 |
| 持久稳定性能 | 0.1%F·S/年 |
| 运动干扰 | 在自动化震动概率20Hz~1000Hz内,内容输出变现不大于0.1%F·S |
| 电力接头 | 四芯或五芯中国航空接手机插件 |
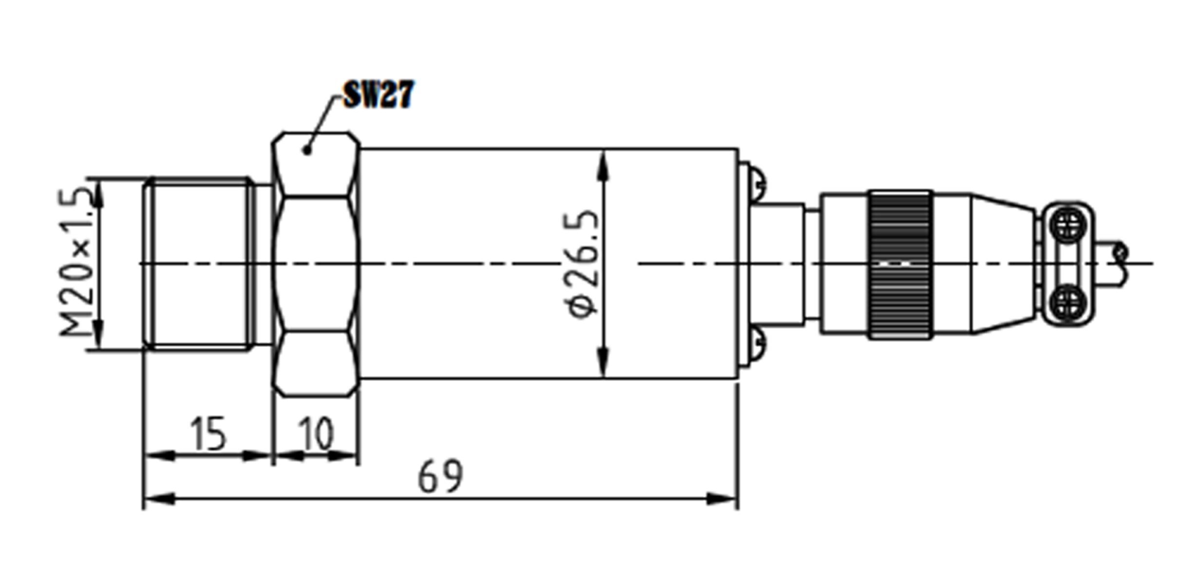
| 机制对接 | M14×1.5、M20×1.5,一些螺距可数据大家规定要求开发 |
1.俄罗斯专享会294为客户提供安装调试服务,以及其他技术咨询,必要时技术人员可上门提供技术培训。客户如有技术上疑问,技术人员将在4个小时内给出回复。
2.俄罗斯专享会294物料严格执行以ISO9001新国际高效果体制的设计工作,感知器物料保修期四年.仪器类物料保修期四年,7天退货货,终身制处理。(其他影响并不在保修期范围图,定制化物料无高效果疑问不返不用换。)3.因质量问题造成的退换货,俄罗斯专享会294将承担退换货运费。非质量问题退换货费用将由客户承担。
注:质量问题是指功能,尺寸、指标、安装方式等定制参数未按照客户提出的要求定制,功能不符,尺寸误差,精度不准(误差范围内除外)。
定制产品需双方确认图纸后加工生产,如产品不符合客户要求需在二周内提出书面异议,客户未按规定期限提出异议视为验收合格。
如在期限内提出异议,双方确认后确属产品质量问题或未按双方确认后的要求生产,可调换或退款。如无质量问题,且发货型号与合同签订型号完整无误,则不提供退换货服务。
售后咨询
技木了解、返厂保修、单据、举报意见与建议等有关困难。售后维修点服务性热线电话021-51601181
商家新闻媒体号
机构内涵段子号
厂家视频图片号
单位腾讯微博
行业红红书