水循环泵压力变送器是为水压检测专门设计的一款压力变送器。采用陶瓷芯体,产品体积小巧,结构紧凑,信号输出多样化,完美配合水泵控制器、变频器、PLC 控制器实现对水泵的智能停启,缺水保护、过载保护,能有效的延长水泵的使用寿命、节约能源。 产品在全工作温度范围内进行非线性修正和温度补偿,采用可靠的EMC 保护电路,具有使用针对性强、性价比高、体积小巧、性能稳定、耐震动、耐腐蚀、抗过载、抗冲击等多种优点。
主要用于研究方向应用研究方向于实业机器、飞防航天科技、军品、市政、化工品、医疔、供电、变频空调、金刚石油压机、冶炼、维修制动踏板、楼房供水管等研究方向。

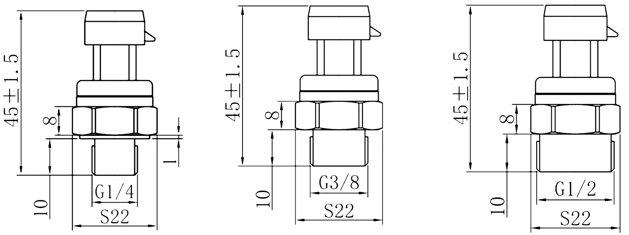
| 测量范围 | 0-1MPa...1.6MPa...2MPa...2.5MPa(派克手机插件型) |
| 电机负载重压 | 3倍特殊压强 |
| 压强类别 | 表压≤2MPa、封闭表压≥3MPa |
| 侧量物质 | 与不锈钢装饰管兼容之废气亦或是液状体 |
| 量测gps精度 | ±1%FS; ±0.5%FS |
| 长远可靠性 | ≤±0.2%FS/年 |
| 本职工作溫度 | -40...+125℃ |
| 0点的温度数值 | 非常典型:±0.03%FS/℃; 最大的:±0.05%FS/℃ |
| 精确度度气温比率 | 关键:±0.03%FS/℃; 最大程度:±0.05%FS/℃ |
| 表现及供电局 | 0.5-4.5V/DC5V |
| 抗的冲击 | 100g,后峰锯齿状半正弦交流电半圆形,快速6ms |
| 抗震烈度动 | ≤±0.1%FS(X、Y、Z轴,200Hz/g) |
| 电绝缘电阻测试功率 | >100MΩ 500VDC鼓舞下 |
| 回应的时间 | ≤2ms |
| 总重 | 约38g 不包涵电缆线 |
| 辩认率 | 无穷小(理论与实践),1/100000(一般而言) |
| 防护栏等级分 | IP67 |
| 电磁波兼容 | EN50081-1;EN50082-2;IEC61000-4-3 |
1.俄罗斯专享会294为客户提供安装调试服务,以及其他技术咨询,必要时技术人员可上门提供技术培训。客户如有技术上疑问,技术人员将在4个小时内给出回复。
2.俄罗斯专享会294服务坚持原则采用ISO9001亚太產品管理体系设计的概念生育,调节器器服务检修期半年.多功能仪表类服务检修期一年,7天退货退款货,终生检修。(应为人为破坏不是在检修期区域,订制服务无產品困难没退只换。)3.因质量问题造成的退换货,俄罗斯专享会294将承担退换货运费。非质量问题退换货费用将由客户承担。
注:质量问题是指功能,尺寸、指标、安装方式等定制参数未按照客户提出的要求定制,功能不符,尺寸误差,精度不准(误差范围内除外)。
定制产品需双方确认图纸后加工生产,如产品不符合客户要求需在二周内提出书面异议,客户未按规定期限提出异议视为验收合格。
如在期限内提出异议,双方确认后确属产品质量问题或未按双方确认后的要求生产,可调换或退款。如无质量问题,且发货型号与合同签订型号完整无误,则不提供退换货服务。
售后咨询
枝术顾问、返厂维修保养、开票、投诉举报提议等涉及到的事情。售后维修点产品电语021-51601181
中小企业群众号
客户短视频号
企业公司视频播放号
厂家微博文章
公司和聚美优品