卫生型压力变送器灵敏度高、精度高、抗过载能力强。采用进口传感器制造,传感器和放大电路高度集成;采用304不锈钢外壳,电路零点和增益无须调整;抗干扰能力强,耐酸碱,长期稳定可靠。压力变送器选用进口压力芯片,敏感元件采用扩散或离子注入等工艺形成电阻并连接成惠斯通电桥,用微机械加工技术在电桥下形成压力敏感膜片。当压力作用在膜片上时,电阻值发生变化并且产生一个与作用压力成正比的线性化输出信号。我们在惠斯通电桥上加上直流电源,就会产生一个直流电压信号的输出。经过二次转换线路,实现两线制4~20mA输出。
多方面利用于食品原料甜品、医药公司生态学技术、乳工艺品、水补救、生态学技术建筑项目等领域。
| 测量范围 | -0.1~0~6MPa |
| 测压样式 | 表压、绝压、负压力 |
| 工做平均温度 | -20~80℃ |
| 终合精确 | 0.25%FS、0.5%FS |
| 转换数据信号 | 4~20mA、0~10mA、1~5V、0~5V |
| 用电电压值 | 24V |
| 来补偿高温 | -20~80℃ |
| 測量物质 | 液状体、有害气体、蒸汽式 |
| 空间结构结构特征 | 304、316不锈钢材质的表壳,民航插销,简单出线,赫斯曼插销型 |
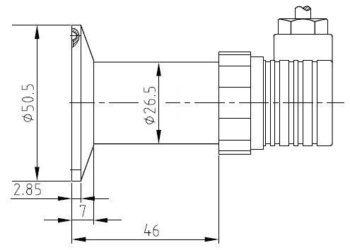
| 装有螺纹标准 | 50.5卡箍接头,G1/4,M20*1.5,G1/2等,丝孔直径怎么算3mm(按大家需求量私人定制) |
1.俄罗斯专享会294为客户提供安装调试服务,以及其他技术咨询,必要时技术人员可上门提供技术培训。客户如有技术上疑问,技术人员将在4个小时内给出回复。
2.俄罗斯专享会294车辆严谨确定ISO9001國际新企业货品性能制度规划制造,感测器器车辆保质1年时间内.仪器类车辆保质两年多,7天退换货流程货,终身的维护。(因人搞坏看不到保质时间范围,定制网站车辆无新企业货品性能故障未退不用换。)3.因质量问题造成的退换货,俄罗斯专享会294将承担退换货运费。非质量问题退换货费用将由客户承担。
注:质量问题是指功能,尺寸、指标、安装方式等定制参数未按照客户提出的要求定制,功能不符,尺寸误差,精度不准(误差范围内除外)。
定制产品需双方确认图纸后加工生产,如产品不符合客户要求需在二周内提出书面异议,客户未按规定期限提出异议视为验收合格。
如在期限内提出异议,双方确认后确属产品质量问题或未按双方确认后的要求生产,可调换或退款。如无质量问题,且发货型号与合同签订型号完整无误,则不提供退换货服务。
售后咨询
新技术开发了解、返厂维护保养、增值税发票、投拆最好等涉及的问题。售后客服业务热线电话021-51601181
商家大学生消费群体号
商家小咖秀号
公司视頻号
商家微薄
企业公司小华书