工艺性能:加亮 0.36 寸 LCD 凸显,数据文件凸显动态平衡不跳字全自动化作业的方式。兼容用户组自复位,兼容对提示 值的非直线能够完善非常低的温飘,时候-30~70 度工农业区域环境便用达成0点、满测量范围、小数点、信息显示传输率、管理点的可以调节没置
数显压力变送器采用了最新的低功耗微处理器技术和高级电源管理技术,显示稳定,显示亮度高,其内置微处理器,通过两按键编程,实现零点、满量程、小数点、显示速率、控制点的可调设定,无需任何电位器调整。无需外部供电,仅需串联在被测回路中,就能将被测回路中的 4~20mA 信号精确地显示出来。采用进口专用集成电路,使用 SMT 工艺制造,电路组装密度高,仪表外型尺寸小。其突出优点在于其压降相比市场上同类产品低的多。高亮 0.36 寸 LCD 显示,7 种单位可选,数据显示稳定不跳字。超低工作电压 20mA 时小于 3.0VDC。4mA 时小于 2.5VDC 整机超低功耗,全智能工作方式。支持用户自校准,支持对显示值的非线性修正。极低的温漂,适合-30~70 度工业环境使用。
非常应用软件于工艺机械、市政工程、化学工业、整形、电量、家用空调、金刚石经济压力机、冶金机械、行驶驻车制动、智能楼宇给水导尿管经济压力侧量与调整。
| 示值 | 0~60MPa |
| 一体化误差 | 0.25%F·S、0.5%F·S |
| 打出卫星信号 | 4~20mA、0~5V、1~5V,0~10V |
| 表现方试 | 0.36寸LCD(灰白色) |
| 显现范畴 | -1999~9999 |
| 温漂 | <30ppm |
| 压降 | 4mA 时<2.5VDC;20mA 时<2.9VDC |
| 化学性质维护 | 表头室内还具有反正负保护好,瞬时电流投入反接时多功能仪器仪表没亮,多功能仪器仪表没影响 |
| 的工作温湿度 | -30~70℃ |
| 完成电压电流 | 功率4~20m A,最高<60mA |
| 采集时延 | 最好 10 次/S,最慢 1.8 次/S,数率可调节为 |
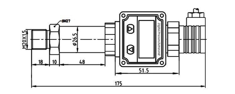
| 机械接口类型 | 赫斯曼直接头 |
| 英制螺纹链接 | M20×1.5,各种螺牙可只能根据老客户标准要求定做 |
1.俄罗斯专享会294为客户提供安装调试服务,以及其他技术咨询,必要时技术人员可上门提供技术培训。客户如有技术上疑问,技术人员将在4个小时内给出回复。
2.俄罗斯专享会294厂品认真按ISO9001世界线重量管理体系设定产生,感测器器厂品保修期半年.仪容仪表类厂品保修期6年,7天退货退款货,终身的售后维修。(关键在于已损坏不再保修期领域,订制厂品无线重量情况没退不改。)3.因质量问题造成的退换货,俄罗斯专享会294将承担退换货运费。非质量问题退换货费用将由客户承担。
注:质量问题是指功能,尺寸、指标、安装方式等定制参数未按照客户提出的要求定制,功能不符,尺寸误差,精度不准(误差范围内除外)。
定制产品需双方确认图纸后加工生产,如产品不符合客户要求需在二周内提出书面异议,客户未按规定期限提出异议视为验收合格。
如在期限内提出异议,双方确认后确属产品质量问题或未按双方确认后的要求生产,可调换或退款。如无质量问题,且发货型号与合同签订型号完整无误,则不提供退换货服务。
售后咨询
技木咨询服务性、返厂检修、专用发票、投诉举报最好等有关的困难。售后客服服务性咨询热线021-51601181
工厂媒体号
品牌快手小视频号
中小企业视频播放号
的企业微博新浪
企业的和小红薯