袖珍型压力变送器采用进口高压扩散硅感压芯片,全不锈钢封焊结构,具有良好的防潮能力及优异的介质兼容性。适用于介质压力微弱的场合测量与控制,如油漆、饮料等液体的瓶、罐包装物的检漏。
诸多应用于工業机器机器设备、水利工程、化工环保、医药、供用电、空调的使用、金刚石压力机、冶金工业、工程车辆剎车、办公楼供水管、中国航天科技、中国军工、医药机器机器设备等领域。

| 满量程 | 0~70Mpa |
| 宗合误差 | 0.25%F·S、0.5%F·S |
| 输出的网络信号 | 4~20mA(2线制)、0~5V、1~5V,0~10V(二线制) |
| 变电电流 | 24DCV(9~36DCV) |
| 材质热度 | -20~65℃ |
| 工作环境摄氏度 | -20~65℃ |
| 负债热敏电阻 | 电流大小导出型:较大800Ω; 的电压导出型:少于50KΩ |
| 绝缘阻值阻值 | ≥2000MΩ(100VDC) |
| 预防层级 | IP65 |
| 持久稳定的性 | 0.1%F·S/年 |
| 振动幅度大引响 | 在机器产生振动率20Hz~1000Hz内,传输转化小于等于0.1%F·S |
| 电气开关接口方式 | 随时出线 |
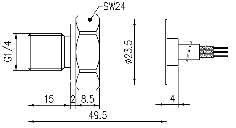
| 螺纹标准连入 | M20×1.5、G1/4等,任何外螺纹可根据朋友让设计方案 |
1.俄罗斯专享会294为客户提供安装调试服务,以及其他技术咨询,必要时技术人员可上门提供技术培训。客户如有技术上疑问,技术人员将在4个小时内给出回复。
2.俄罗斯专享会294货品设备严要求遵照ISO9001知名货品品质组织体制开发产生,调节器器货品设备整车保修期限1年时间内.设备类货品设备整车保修期限4年,7天退还货,一生维护保养。(人员破损未在整车保修期限时间范围,定做货品设备无货品品质相关问题未退不更换。)3.因质量问题造成的退换货,俄罗斯专享会294将承担退换货运费。非质量问题退换货费用将由客户承担。
注:质量问题是指功能,尺寸、指标、安装方式等定制参数未按照客户提出的要求定制,功能不符,尺寸误差,精度不准(误差范围内除外)。
定制产品需双方确认图纸后加工生产,如产品不符合客户要求需在二周内提出书面异议,客户未按规定期限提出异议视为验收合格。
如在期限内提出异议,双方确认后确属产品质量问题或未按双方确认后的要求生产,可调换或退款。如无质量问题,且发货型号与合同签订型号完整无误,则不提供退换货服务。
售后咨询
新技术管理咨询、返厂修补、开票、投拆提议等有关系情况。安裝安全服务电話021-51601181
企业媒体号
中小型企业抖音音乐号
中小型企业视频图片号
厂家微博号
工厂小华书